Небольшие замечания и советы по работе с конденсаторами
Необходимо помнить, что следует выбирать конденсаторы с повышенным номинальным напряжением при возрастании температуры окружающей среды,создавая больший запас по напряжению, для обеспечения высокой надежности. Если задано максимальное постоянное рабочее напряжение конденсатора, то это относится к максимальной температуре (при отсутствии дополнительных оговорок). Поэтому, конденсаторы всегда работают с определенным запасом надежности. И все-же, желательно обеспечивать их реальное рабочее напряжение на уровне 0,5—0,6 номинального.
Если для конденсатора оговорено предельное значение переменного напряжения, то это относится к частоте (50-60) Гц. Для более высоких частот или в случае импульсных сигналов следует дополнительно снижать рабочие напряжения во избежание перегрева приборов из-за потерь в диэлектрике. Конденсаторы большой емкости с малыми токами утечки способны долго сохранять накопленный заряд после выключения аппаратуры. Что бы обеспечить более быстрый их разряд, для большей безопасности, следует подключить параллельно конденсатору резистор сопротивлением 1 МОм (0,5 Вт).
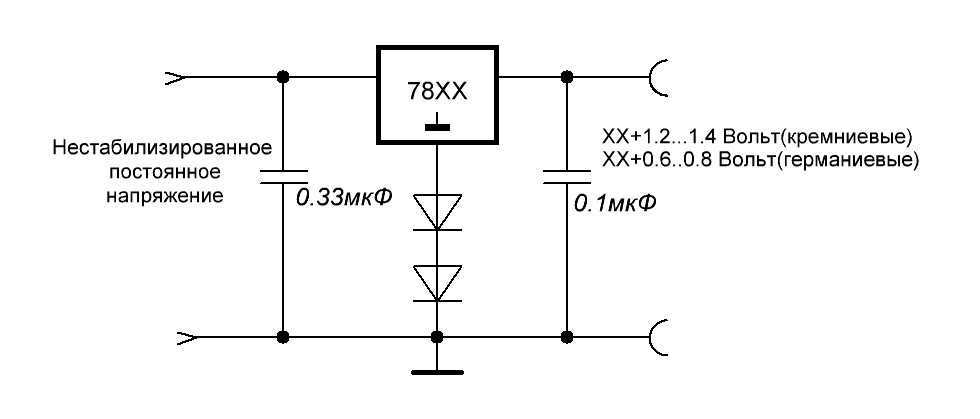
Интегральный стабилизатор и диод
Есть также другой подобный способ, но здесь используются диоды. Может быть Вам известно, что падение напряжение на прямом переходе кремниевого диода составляет 0,6-0,7 Вольт, а германиевого диода — 0,3-0,4 Вольта? Именно этим свойством диода и воспользуемся ;-).
Итак, схему в студию!

Собираем по схеме данную конструкцию. Нестабилизированное входное постоянное напряжение также и осталось 9 Вольт. Стабилизатор 7805.

Итак, что на выходе?

Почти 5.7 Вольт ;-), что и требовалось доказать.
Если два диода соединять последовательно, то на каждом из них будет падать напряжение, следовательно, оно будет суммироваться:

На каждом кремниевом диоде падает по 0,7 Вольт, значит, 0,7+0,7=1,4 Вольта. Также и с германиевыми. Можно соединить и три, и четыре диода, тогда нужно суммировать напряжения на каждом. На практике более трех диодов не используют. Диоды можно ставить даже малой мощности, так как в этом случае ток через них все равно будет мал.
Вот такими простыми способами можно получить нестандартное напряжение.
Как проверить батарейку мультиметром
Возможности проверки «таблетки» мультиметром невелики. Можно измерить вольтаж на выходных контактах. Для этого подойдет любой тестер с режимом измерения напряжения. Для новой батарейки уровень около 3 вольт – норма (на холостом ходу).
Измерить напряжение можно, не вынимая источник питания из разъема
Согласно документации производителя, батарея считается полностью разряженной, если ее напряжение составляет 2 вольта (по этому значению оценивается емкость). Для потребителя полный разряд означает, что питаемый прибор перестает работать, а это может произойти при другом уровне. Но при оценке остаточного ресурса можно ориентироваться на эту цифру.
Не лучшая идея – проверить максимальный отдаваемый в нагрузку ток. Это приведет к быстрому разряду одноразового элемента. После такого теста батарейку придется выбросить.
И уж совсем не стоит пытаться проводить контрольно-тренировочный цикл для гальванического элемента. Батарея разрядится, а штатная зарядка CR2032 (и других источников питания этой серии) невозможна.
Оценить состояние источника питания при отсутствии мультиметра можно с помощью светодиода. Его можно подключить к батарейке с соблюдением полярности (токоограничительный резистор не нужен). Если LED горит ярко, батарейка новая. Если светоизлучающий диод горит тускло или не светит совсем, срок службы CR2032 явно подошел к концу.
Смещение напряжения и тока
Транзисторы дифференциальной схемы, помимо приложенных к напряжениям, также учитывают для сравнения их напряжение эмиттер-база. Эти напряжения складываются с внешними, что влияет на определение потенциала эмиттера и решение, какой транзистор подключить.
| Это свойство называется смещением и является плохим явлением для схем с дифференциальным входом. |
Под смещением следует понимать источник напряжения, который «имеет» компаратор и который последовательно подключен к одному из входов. Производители никогда не указывают точное значение смещения, так как оно зависит от агрегата, температуры и других факторов. Вместо этого они указывают диапазоны, например ± 5 мВ. Для электроники это означает, что такой компаратор должен возбуждаться дифференциальным напряжением, превышающим 5 мВ, потому что меньшие по размеру могут не правильно распознаваться.
Фрагмент каталожной записи LM311
В дополнение к смещению напряжения существует также смещение тока, то есть разница между токами, потребляемыми базами транзисторов, управляющих входами. Она упоминается гораздо реже, чем смещение напряжения, но вы должны знать о его существовании — это также вызвано различиями в параметрах транзисторов.
Какие батарейки лучше по мнению редакции Zuzako
Перед тем как отправиться в магазин за покупкой, вы должна определиться с тем, для чего вам нужны батарейки. Нет смысла переплачивать за бренд, если вы хотите приобрести простую модель для беспроводной компьютерной мыши или карманного фонарика.
У многих на слуху реклама продукции от компаний Duracell и Energizer и поэтому очень часто пользователи покупают именно эти батарейки. Однако помимо названых компаний, существуют другие фирмы, товары от которых по своим характеристикам ни в чём не уступают батарейкам Duracell и Energizer. Неплохие изделия получаются у таких фирм как GP, Varta, Ansmann. Причём по стоимости они могут быть намного дешевле.
Если говорить о батарейках типа АА и ААА, то здесь есть три категории, по которым они распределяются: солевые, щелочные, литиевые. Аккумуляторные модели идут отдельно за счёт своих размеров и специфики.
Самую большую энергоёмкость имеют литиевые батарейки, однако зачастую они стоят дороже остальных экземпляров. Литиевые модели прекрасно выдерживают высокие нагрузки и держат сильные импульсные заряды. Срок хранения таких изделий довольно большой и может достигать около 7 лет. Литиевые экземпляры идеально подойдут для фотоаппарата.
Что касается солевых батареек, то у них самая маленькая энергоёмкость, да и к тому же они не предназначены для больших нагрузок. Это самые слабые батарейки, которые могут подойти к устройствам по типу пульта дистанционного управления, калькуляторов или настенных часов. Срок хранения таких изделий очень маленький и обычно он не превышает трёх лет.
Щелочные батарейки занимают промежуточную позицию между литиевыми и солевыми. Щелочные модели ещё называют alkaline, или на русский манер алкалиновые. Срок хранения таких экземпляров может достигать 5 лет. Предназначены они для интенсивной работы в цифровых устройствах.
Теперь немного стоит сказать об аккумуляторных батарейках. В отличие от трёх остальных видов, данная категория в последнее время становится более предпочтительной у пользователей. Принципиальная разница между аккумуляторными моделями и вышеперечисленными моделями заключается в том, что аккумуляторные батарейки можно перезаряжать большое количество раз. Обычно в комплекте идёт также зарядное устройство. Аккумуляторные модели разряжаются чаще чем одноразовые батарейки, но они компенсируют это за счёт большого количества циклов перезарядки.
Следуйте этим простым советам, и вы обязательно выберете качественную модель. Удачных вам покупок!
Какие батарейки называют пальчиковыми и мизинчиковыми
Оба этих типоразмера гальванических элементов относятся к классу пальчиковых батарей. Этот технический термин ещё с советских времен применяется для обозначения батареек подобной формы. В СССР выпускались одноэлементные солевые элементы «Уран М» (316) и щелочные «Квант» (А316), соответствующие нынешнему типу АА. Также были другие пальчиковые элементы цилиндрической формы других размеров и пропорций.
В 90-е годы у торговцев на рынках появился термин «мизинчиковые» батарейки, чтобы отличить элементы ААА от других форм-факторов. Это название получило распространение в быту. Но использовать его в технических материалах, как минимум, непрофессионально.
Характеристики батарейки cr2025
Данный элемент питания представляет собой сплюснутую металлическую таблетку. На положительной стороне нанесена информация о вольтаже, полярности, химическом составе, компании производители, стране. Отрицательный полюс имеет слегка выпуклую форму. Он отделен от «+» специальным изолирующим материалом. Батарейка cr2025 поставляется в тщательно упакованной таре. На упаковке нанесены более детальные данные об этом элементе. Чаще всего бластер создан из картона и прозрачного пластика.
Для тех, кто не знает? Обозначение dl2025 говорит о том, что батарея выпущена компанией Duracell. Так же многие интересуются аккумулятор это или батарейка cr2025? Это литиевой элемент питания, не аккумулятор.
В производстве марганцево литиевой батареи не применяются опасные вещества наподобие ртути, свинца, кадмий.
20 – Диаметр: 2 см.
25 – Высота: 2,5 мм.
-30 +60 градусов Цельсия.
Температурная кривая
Тип электролита
Он органический. Это значит, что на некоторых элементах питания будут написаны буквы, которые обозначают тип электролита.
- W – щадящий безопасный используется для часовых батарей.
- Р – Щелочной или K OH.
- S – так же щелочь только Na OH.
Не на всех элементах питания прописаны эти обозначения. Если никакого знака нет, это означает что производитель добавил в состав батарейки CR2025 3v стандартный электролит органического типа. Данное вещество ни коем образом не портит электрические устройства. А вот щелочной тип имеет большой процент порчи.
Батарейка cr2025 имеет массу 2,3 грамма.
Катод изготовлен из окиси марганца MnO2.
Анод выполнен из лития Li.
Срок годности
Многие производители не указывают данный показатель. Батарейка cr2025 может работать до 5 лет. Чтобы расшифровать дату прибегнем к латинскому алфавиту. Например, если на элементе питания написано HR, то это значит:
- H – является восьмой по счету.
- R – это восемнадцатая.
В итоге выходит, что такой источник энергии годен до августа 2018 года. Данная маркировка является стандартом. Более точные данные можно отыскать только у того, кто изготовил элемент питания.
Саморазряд данных батарей составляет меньше 1% в год.
Технические характеристики
Знать об основных технических характеристиках необходимо при подборе изделия для различных самоделок, а также в случаях, когда необходимо установить тип элемента, когда на его поверхности полностью отсутствуют какие-либо обозначения. Основными параметрами являются:
| Характеристика | Значение |
|---|---|
| Форма | Таблетка (монетка) |
| Вид | Серебряно-цинковая |
| Тип | LD (низкое и равномерное энергопотребление) |
| Упаковка | Фирменный блистер |
| Диаметр | 9,5 мм |
| Высота | 2,7 мм |
| Емкость | 55 мАч |
| Номинальное напряжение | 1,55 v |
| Рабочая температура | от -10 до +60 °С |
| Срок годности | 5 лет |
| Масса | 1,8 гр |
Особенностью элемента этого типа является ограничение на использование его при очень низких температурах воздуха. Минус 10 градусов по шкале Цельсия, являются предельными значениями этого параметра.
Доработка мультиметра.

Мультиметр DT-830B сразу же заработал от модернизированной «Кроны». А вот тестер M890C+ пришлось немного доработать.
Дело в том, что в большинстве современных мультиметров задействована функция автоматического отключения питания. На картинке показана часть панели управления мультиметра, где обозначена данная функция.

Схема автоотключения (Auto Power Off) работает следующим образом. При подключении батареи, заряжется конденсатор С10. При включении питания, пока конденсатор C10 разряжается через резистор R36, на выходе компаратора IC1 удерживается высокий потенциал, что приводит к отпиранию транзисторов VT2 и VT3. Через открытый транзистор VT3 напряжение питания и попадает в схему мультиметра.
Как видите, для нормальной работы схемы, нужно подать питание на С10 ещё до того, как включится основная нагрузка, что невозможно, так как наша модернизированная «Крона», напротив, включится только тогда, когда появится нагрузка.

В общем, вся доработка заключалась в установке дополнительной перемычки. Для неё я выбрал место, где это было сделать удобнее всего.
К сожалению, обозначения элементов на электрической схеме не совпали с обозначениями на печатной плате моего мультиметра, поэтому точки для установки перемычки нашёл так. Прозвонкой выявил нужный вывод выключателя, а шину питания +9V определил по 8-ой ножке операционного усилителя IC1 (L358).
Компаратор LM311 на практике
Пора запустить компаратор и проверить его работу на практике. Мы построим схему, которая позволит нам точно наблюдать, что происходит при изменении разницы напряжений между двумя входами компаратора. Для выполнения упражнения вам потребуются следующие элементы:
- 1 × LM311,
- Резистор 4 × 10 кОм ,
- Резистор 1 × 330 Ом ,
- Потенциометр 1 × 5 кОм,
- Конденсатор 1 × 100 нФ,
- 1 × 220 мкФ конденсатор,
- 1 × светодиод (выберите свой любимый цвет),
- Батарея 4 × AA,
- 1 × корзина для 4 батареек АА,
- 1 × макетная плата,
- Комплект соединительных проводов.
Эти элементы следует подключать согласно схеме ниже. Если вам все понятно, можно попробовать собрать эту схему на плате самостоятельно. Только помните о правильной полярности светодиода и электролитического конденсатора
Также обратите внимание на нумерацию выводов (ножек) LM311. Если вы не хотите рисковать или не знаете, как собрать такую схему на плате, следуйте приведенным ниже инструкциям, которые пошагово описывают весь процесс сборки
Обратите внимание на углубление в корпусе компаратора — сравните элемент с рисунком выше, чтобы найти правильные выводы схемы.
Схема первой цепи с компаратором LM311
Шаг 1. Начинаем с размещения компаратора в центре макетной платы — углубление в середине платы должно проходить под схемой. Если сомневаетесь, вспомните, как устроена макетная плата — другое расположение схемы может привести к короткому замыканию контактов.
Примеры неправильного и правильного размещения интегральных схем на макетной плате
При размещении схемы на плате, обратите внимание на положение выемки в корпусе (или точки), которая позволяет найти первый вывод схемы.
Шаг 2. Добавьте два фильтрующих конденсатора блока питания (C1 и C2 на схеме).
![]() |
![]() |
| Шаг 1: размещение на макетной плате | Шаг 2: конденсаторы силового фильтра |
Шаг 3: берем два резистора по 10 кОм (в схеме R3 и R4), создаем один делитель напряжения, центр которого совмещаем с инвертирующим входом компаратора (вывод 3).
Шаг 4. Подключите питание к восьмой ножке (выводу) компаратора. Дополнительно подключите светодиод с резистором к плате (на схеме LED1 и R5).
![]() |
![]() |
| Шаг 3: делитель напряжения | Шаг 4: питание микросхемы, светодиод и резистор |
Шаг 5. Используя следующие резисторы 10 кОм (R1 и R2 на схеме) и потенциометр 5 кОм (P1), создаем делитель напряжения, который подключаем к неинвертирующему входу компаратора LM311.
Шаг 6. Добавьте недостающие соединения, то есть соедините контакты 1 и 4 с землей схемы. Вы также должны подключить крайние положительные провода, расположенные на макетной плате, для передачи напряжения с одной стороны платы на другую.
![]() |
![]() |
| Шаг 5: второй делитель напряжения | Шаг 6: последние штрихи |
На практике, схема может выглядеть как на фото ниже. Сматывание проводов нужно только для того, чтобы сделать сборку более понятной. На практике, вся схема может выглядеть более хаотичной — это совершенно нормальный вид для сборки на макетной плате.
![]() |
![]() |
| Подключение с помощью смотанных проводов | Подключение без сматывания проводов |
Способы определения полярности
Поскольку внешне аккумуляторы 18650 очень похожи на гальванические элементы типа АА и подобные им, определить полярность источника питания можно так же, как в случае с пальчиковой батарейкой. Существует два основных способа нахождения плюса и минуса: путем внешнего осмотра элемента или при помощи любого инструмента, которым можно измерить напряжение на полюсах.
По внешнему виду аккумулятора
Самый простой способ определения полярности 18650 — изучение маркировки, нанесенной на корпус изделия. На наклейке можно увидеть всю необходимую информацию, среди которой:
- типоразмер аккумулятора;
- название компании-производителя;
- емкость в мА·ч;
- номинальное напряжение.
На качественных элементах в обязательном порядке указывается полярность — «плюс» на одном конце и «минус» на другом. Если подозрений в ошибочной маркировке нет, можно смело ориентироваться на эти значки. Однако недобросовестные компании могут не наносить метки полярности на свои изделия. Также возможен допуск к продаже бракованных изделий — аккумуляторов, на корпусах которых наклейка наклеена не той стороной, из-за чего знаки полюсов меняются местами.
Как и у солевых или щелочных батареек, контакты литий-ионных аккумуляторов отличаются формой: отрицательный вывод — плоский, «плюс» же имеет выпуклость. Кроме того, литиевые батарейки, как правило, имеют несколько отверстий на положительном полюсе. Они нужны для выпуска газа, образующегося при нагреве источника питания. Благодаря такой конструкции определить полярность можно не только путем осмотра, но и на ощупь.
Иногда можно встретить аналогичные аккумуляторы, отличающиеся от стандартных линейными размерами. Связано это с тем, что некоторые источники питания оснащаются защитной микросхемой, контролирующей процесс заряда и разряда элемента. Монтируется она обычно на положительной контактной площадке. Форма полюса при этом не меняется — на нем так же имеется небольшая выпуклость.
При помощи измерительного инструмента
При использовании качественных аккумуляторов от проверенных производителей сомневаться в правильности маркировки приходится редко. Однако абсолютно уверенным в безопасности использования гальванического элемента можно быть только после его проверки измерительным инструментом.
Хотя существует несколько приборов для проверки аккумуляторов, наиболее удобен в использовании обычный мультиметр. Чтобы определить полюса 18650 с его помощью, нужно выполнить следующие шаги:
- Подключить красный и черный провода к разъемам на приборе.
- Выставить рукоятку мультиметра в режим измерения низкого напряжения.
- Приложить щупы к торцам аккумулятора. Поскольку полюса неизвестны, нет разницы какой щуп к какому контакту прикладывать. В случае ошибки не будет никакого вреда ни для батарейки, ни для инструмента.
- Посмотреть на индикатор. Если на нем будут положительные показания, значит, полюса определены верно (в этом случае красный щуп будет указывать на «плюс», а черный — на «минус»). В ином случае вольтаж будет отрицательным.
Если вольтаж падает ниже, батарею следует срочно зарядить во избежание уменьшения ее емкости.
Это интересно: Что такое аккумуляторы AGM — читаем во всех подробностях
Ошибка №6 – Измерение больших токов
На всех мультиметрах для измерения тока есть два положения щупов:
замер до 200мА
замер от 200мА до 10А
Так вот, нельзя измерять токи более 200мА в первом положении. В этом случае вы либо испортите прибор, либо у вас перегорит встроенный предохранитель.
Как узнать, защищен ваш прибор предохранителем или нет, не вскрывая его? Об этом говорит надпись “FUSED” на корпусе возле разъема.
Обратите внимание, замер тока от 0,2А до 10А на китайских мультиметрах, как правило ничем не защищается. О чем говорит уже другая надпись – UNFUSED
Поэтому работать на этих величинах с мультиметром нужно с особой осторожностью. Как уже говорилось выше, 10-Амперная клемма подключена напрямую к токовому шунту (резистору низкого сопротивления)
Вы его увидите, если разберете мультиметр с обратной стороны.
Замер тока фактически и происходит путем измерения падения напряжения на этом шунтирующем резисторе. И в какое бы положение вы не ставили крутилку режимов, схема шунта от этого не меняется.
То есть, клемма 10А постоянно сидит на нем и цепь не разрывается. Именно поэтому после измерения тока всегда нужно вытаскивать щуп из этой клеммы и не оставлять его там во избежание ошибок.
В более дорогих мультиметрах (тот же UNIT) разъем 10А уже защищен отдельным предохранителем.
Все измерения тока всегда нужно начинать с “максимального положения щупов” (до 10А).
И только получив предварительный результат, и поняв, что ток меньше 200мА, можно со спокойной совестью переставлять щуп в другой разъем, а переключатель в другое положение.
Какое напряжение использует каждый компонент ПК?
После того, что было объяснено ранее, вы уже будете знать, что источники питания имеют несколько разных напряжений из-за электрических требований каждого из аппаратных компонентов ПК, поэтому теперь самое время посмотреть, какой компонент использует каждое из напряжений и особенно почему все не унифицировано, чтобы все работало с одним значением напряжения.
- + 12 В : процессор, видеокарта, вентиляторы и некоторые карты расширения PCIe. Это также основное напряжение материнской платы, хотя для его регулирования оно должно проходить через собственные VRM. Как правило, именно шина обслуживает компоненты оборудования с наибольшим потреблением.
- + 5В: механические жесткие диски, оптические приводы, некоторые карты расширения PCIe и USB. Все порты USB на ПК работают от 5 В, включая подключаемые к ним периферийные устройства.
- + 3.3В: Оперативная память и твердотельные накопители в формате M.2. Кроме того, все разъемы PCIe также могут подавать напряжение +3.3 В.
Причина, по которой источники имеют разные значения напряжения и, следовательно, разные шины, связана с электрическими требованиями к компонентам. Поскольку транзисторы становились все меньше и меньше на микросхемах, для них стало предпочтительнее работать с меньшими значениями напряжения, и это становилось все более и более необходимым по мере увеличения плотности транзисторов в процессорах.
Для подачи большого количества низковольтного питания к процессору, начиная с эры Pentium, материнские платы начали включать в себя стабилизатор напряжения, чтобы иметь возможность самостоятельно контролировать, какое напряжение и ток подается на каждый компонент. Большинству современных процессоров может потребоваться до 100 А при 2 В или меньше, поэтому нецелесообразно брать эти значения с шины +12 В и иметь возможность делать это с другой, которая работает с более низким напряжением, поскольку это означает меньше работы для регулятор.
Эффект памяти, старение аккумуляторов, калибровка
Вообще эффекта памяти у литий-ионного аккумулятора нет. Ни специальной «тренировки», ни «калибровки» нового устройства не требуется.
Каким образом измерить емкость аккумулятора
Вполне естественно, что в процессе эксплуатации емкость уменьшается и перестает соответствовать значениям, которые указаны на корпусе. Но если возникнет необходимость узнать реальную емкость аккумулятора, это вполне возможно сделать. Вариантов, как это сделать — два.
Один из них — использовать специальный прибор, который называется “Аймак”. Это устройство включает в себя тестер, вольтметр, амперметр и многое другое. Единственный его минус — дорогая стоимость. Поэтому намного проще для большинства пользователей будет воспользоваться USB-тестером. По ценовой политике он намного приемлемее, а точность измерения при этом на очень приличном уровне.
Чтобы узнать реальную емкость батарей, сперва ее нужно полностью зарядить, а после разрядить через ту или иную нагрузку, включив между элементом и нагрузкой тестер. Вход прибора нужно подключить к элементу питания, а выход — к нагрузке. В качестве нее можно использовать полуваттный резистор сопротивлением 8-16 Ом.
Характеристики популярных моделей
В производстве электронной продукции широко применяется маломощный импульсный диод LL4148. Он имеет характеристики:
- материал – кремний;
- наибольший прямой ток – не менее 150 мА;
- обратное напряжение – минимум 100 В;
- емкость – не более 4 пФ;
- время переключения – не более 4 нс.
Отечественным аналогом является КД521 (КД522), но он выпускается только в выводном исполнении.

BAS16 (один вывод не используется)
Прибор BAS16 имеет характеристики:
- материал – кремний;
- наибольший прямой ток – не менее 215 мА;
- обратное напряжение – минимум 85 В;
- емкость – не более 2 пФ;
- время переключения – не более 0,006 мкс.
Если рассматривать стабилитрон BZX884S-C2V4, то надо обратить внимание на его небольшой прямой ток – до 200 мА. Другие параметры таковы:
- напряжение стабилизации – 2,4 вольта;
- номинальный ток стабилизации – 5 мА;
- дифференциальное сопротивление при токе 1 мА – 275 (максимально 600) Ом;
- дифференциальное сопротивление при токе 5 мА – 70 (максимально 100) Ом;
- емкость – не более 260 пФ.

Для наглядности рекомендуем видео
Очевидно, что имеется определенное ограничение на характеристики элементов, выпускаемых для поверхностного монтажа. Такая конструкция затрудняет установку мощного электронного компонента на большой, эффективный радиатор, поэтому в корпуса SMD «пакуют» большей частью маломощные элементы, не требующие отведения тепла в большом количестве.
Когда компаратор перестает нормально работать?
Компаратор показывает нам знак дифференциального напряжения, приложенного к его входам. Что, если оба входа поляризованы с одинаковым потенциалом? Это можно сделать очень легко, закоротив их — тогда дифференциальное напряжение будет равно нулю.
| Реальность такова — даже в такой ситуации компаратор примет решение и отобразит низкое состояние на своем выходе (т.е. насыщает выходной транзистор) или высокое состояние (забивает его). |
Ранее мы предполагали, что транзисторы T1 и T2 в открытом состоянии имеют напряжение эмиттер-база 0,7 В. Это не совсем так — они отличаются друг от друга даже на десяток милливольт. Производители стараются уменьшить эти отличия, но такая проблема была, есть и будет… Итак, как и во многих других ситуациях — нужно помнить о некоторой погрешности и несовершенстве элементов.
Как сравнить напряжение вручную?
Чтобы понять, зачем нужно сравнение двух разных напряжений, представьте следующую ситуацию: у вас есть две батареи AA с номинальным напряжением 1,5 В. Вы знаете, что одна из них разряжена, но не знаете, какая именно. В ваше устройство, например будильник, нужно поставить менее разряженную, то есть батапейку с более высоким напряжением.
Как сравнить напряжение двух батареек АА
Какая будет ваша первая мысль? Да, правильно, измерить напряжение каждой батареи с помощью мультиметра, и просто сравнить два числа друг с другом. Предположим, что результаты наших измерений следующие: 1,113 В и 1,521 В. Выбор батарейки в будильник очевиден.
Самый простой способ сравнить две батареи — измерить их напряжение мультиметром
Если у вас есть батарейки типа AA, то можете сами проверить их напряжение. Если батареи новые, то их напряжения должны быть одинаковыми (могут быть некоторые различия). Для сравнения вы можете использовать одну старую батареюку, взятую, например, из пульта дистанционного управления.
Однако, у такого метода измерения есть небольшой недостаток — для сравнения напряжения батареи нужно «целых» два измерения. Но эту операцию можно упростить до одного измерения! Достаточно совместить минусы обоих аккумуляторов, и затем прижать щупы мультиметра к их плюсам. Такое измерение покажет нам разницу с предыдущими результатами — мультиметр покажет так называемое дифференциальное напряжение.
| Напряжение — это разность потенциалов между двумя точками, поэтому такое подключение, также является правильным — подключение черного щупа к плюсу батареи безопасно. |
![]() |
![]() |
| Схема измерения напряжения | Дифференциальное напряжение двух батареек АА |
Заключение
В высоковольтных цепях нередко применяют последовательное включение конденсаторов. Для выравнивания напряжений на них, необходимо параллельно каждому конденсатору дополнительно подключить резистор сопротивлением от 220 к0м до 1 МОм. Для защиты от помех, в цифровых устройствах применяется шунтирование по питанию с помощью пары – электролитический конденсатор большей емкости + слюдяной, либо керамический – меньшей. Электролитический конденсатор шунтирует низкочастотные помехи, а слюдяной( или керамический) – высокочастотные.
Источники
- https://hmelectro.ru/article/markirovka-kondensatorov-tsifrovaya-tsvetnaya-eyo-rasshifrovka
- https://encom74.ru/o-markirovke-kondensatorov-v-tc-keramiceskih-i-importnyh-rassifrovki-oboznacenij/
- https://instanko.ru/elektroinstrument/markirovka-keramicheskih-kondensatorov-rasshifrovka-tablica.html
- https://odinelectric.ru/equipment/electronic-components/kak-rasshifrovat-markirovku-kondensatora
- https://ToolsTver.ru/processy/nominaly-keramicheskih-kondensatorov-tablica.html
- https://ElectroInfo.net/kondensatory/kak-oboznachajutsja-kondensatory-na-sheme.html
Янв 25, 2021








































