Некоторые особенности разных моделей
h2<dp>4,0,0,0,0—>
Эффективность устройства зависит не только от принципиальной схемы – они в большинстве случаев унифицированы, а какие‐то революционные нововведения внедряются редко.
p, blockquote<dp>11,0,0,0,0—>
Во многом на КПД и срок эксплуатации блока питания влияет качество комплектующих, которое может отличаться у разных производителей – от откровенного контрафакта у бюджетных моделей, сделанных в полукустарных условиях, до качественных микросхем, соответствующих всем принятым стандартам, которые используются в схемах вызывающих доверие брендов.
p, blockquote<dp>12,0,0,0,0—>
Естественно, при покупке нового БП, ни один продавец не даст сорвать пломбу и более тщательно покопаться во внутренностях устройства.
p, blockquote<dp>13,0,0,0,0—>
Однако при этом следует прислушиваться только к мнению создателя ролика, которому вы доверяете и чья компетентность не вызывает сомнений.
p, blockquote<dp>14,0,0,1,0—>
Для более детального углубления в тему, советую ознакомиться с моими публикациями «сертификаты блоков питания» и «основные характеристики блока питания».
p, blockquote<dp>15,0,0,0,0—>
А в качестве возможной покупки, могу порекомендовать блок питания Chieftec 550W Retail CPS‐550S – надежное устройство с достаточной мощностью, не дорого и от хорошо зарекомендовавшего себя бренда.
p, blockquote<dp>16,0,0,0,0—>
p, blockquote<dp>17,0,0,0,0—> p, blockquote<dp>18,0,0,0,0—> p, blockquote<dp>19,0,0,0,1—>
- https://acums.ru/bespereboyniki-i-bloki-pitaniya/chto-mozhno-sdelat-iz-bloka-pitaniya
- https://usamodelkina.ru/4159-reguliruemyy-blok-pitaniya-25-24v-iz-bp-kompyutera.html
- https://infotechnica.ru/pro-kompyuteryi/o-blokah-pitaniya/kak-ustroen-iz-chego-sostoit/
Лабораторный источник постоянного напряжения из блока питания
Несколько недель назад для проведения эксперимента мне понадобился источник постоянного тока с напряжением 7 В и силой тока 5 А. Я сразу же отправился в подсобку, чтобы найти нужный блок питания, но он исчез. Через несколько минут я вспомнил, что нашел в кладовке блок питания для компьютера, что было как нельзя кстати! К этому моменту у меня в голове были все идеи, и в течение 10 минут процесс был запущен. Для изготовления источника постоянного напряжения для лабораторной работы вам понадобится: — компьютерный блок питания — клеммная колодка — светодиод — резистор. ~150 Ом — чашка — термоусадочная трубка — кабельная стяжка — кабельная стяжка — светодиод — светодиод.
Вы можете найти где-нибудь ненужный вам блок питания. Если вы покупаете его специально, цена начинается с 10 долларов. Я не видел ничего дешевле. Остальные предметы в этом списке дешевые и не редкие.
Необходимые инструменты: — клеевой пистолет или горячий клей (для установки светодиодов) — паяльник и соответствующие материалы (олово, флюс) — дрель — сверло диаметром 5 мм — отвертка — бокорезы (кусачки).
Изготовление
Первое, что я сделал, это проверил работоспособность блока питания. Устройство оказалось работоспособным. Вы можете сразу же срезать розетку, оставив 10-15 см со стороны розетки, так как она может вам понадобиться
Обратите внимание, что длина кабеля внутри БП должна быть рассчитана таким образом, чтобы его длины хватало до соединений без растяжения, но при этом он не занимал все свободное пространство внутри БП

Теперь необходимо отсоединить все кабели. Чтобы определить их, можно посмотреть на печатную плату или на колодки, на которых они находятся. Колодки должны быть промаркированы. Как правило, существует общепринятая система цветовой маркировки, но производитель вашего источника питания может окрашивать кабели по-разному. Во избежание «путаницы» лучше всего самостоятельно идентифицировать кабели.

Вот мой «кабельный диапазон». Это, если я не ошибаюсь, стандарт. От желтого к синему, думаю, все понятно. Что означают два нижних цвета? PG (сокращение от «power good») — это кабель, который мы используем для монтажа светодиодного дисплея. Напряжение составляет 5 В. ON — это провод, который должен быть замкнут на GND для включения источника питания.
В блоке питания есть провода, которые я здесь не описал. Например, фиолетовый провод +5VSB, который мы не будем использовать, потому что предел тока для этого провода составляет 1A.
Поскольку мы не против проводов, нам остается просверлить отверстие для светодиода и сделать наклейку с необходимой информацией. Сама информация находится на фирменной табличке на одной из сторон источника питания. При сверлении необходимо следить за тем, чтобы металлическая стружка не попала внутрь устройства, так как это может иметь крайне негативные последствия.


На передней панели блока питания я решил использовать клеммную колодку. Я нашел в доме 6-ходовую клеммную колодку, которая меня устроила.

Мне повезло, потому что гнезда блока питания и монтажные отверстия клеммной колодки совпали, и диаметр тоже совпал. В противном случае мне пришлось либо высверливать гнезда в блоке питания, либо сверлить новые отверстия в блоке питания.
Основание установлено, теперь можно прокладывать провода, зачищать, скручивать и обжимать. Я убрал 3-4 провода каждого цвета, кроме белого (-5 В) и синего (-12 В), потому что на каждом БП есть по одному.

Первая банка — вынул следующую.

Все провода луженые. Вы можете затянуть клемму.
Устанавливаем светодиод
У меня нормальный зеленый светодиодный индикаторОбычный красный индикаторный светодиод (который, как оказалось, немного ярче). К аноду (длинная ножка, менее громоздкая часть на светодиодной головке) припаиваем серый провод (PG), к которому мы ранее прикрепили термоусадочную ленту. К катоду (короткой ножке, более объемной части светодиода) сначала припаиваем резистор 120-150 Ом, а ко второй клемме резистора припаиваем черный провод (GND). Когда все припаяно, надеваем термоусадочную ленту на контакты светодиодов и нагреваем ее.

Вы получите что-то вроде следующего. Вы можете подумать, что я перегрел термоусадку, но это нормально.

Вы хотите установить светодиод в отверстие, которое вы просверлили в самом начале.

Я заполняю его горячим клеем. Если у вас его нет, вы можете заменить его суперклеем.
Как включить без компьютера
Сначала поговорим о БП типа AT. Включаются такие блоки обычным силовым выключателем, подающим напряжение 220 В на БП. Он может быть встроен прямо в блок питания (первые модификации) или быть выносным, установленным на передней панели системного блока. В последнем примере БП имеет отдельный кабель, оканчивающийся четырьмя ножевыми колодками, которые надеваются на выключатель.
Блок питания AT с выносным выключателем
Если выключателя в комплекте нет, то назначение проводов можно определить по их цвету:
- чёрный и белый — питание БП;
- синий и коричневый — провода от вилки.
Чтобы подать на блок питания напряжение, необходимо замкнуть чёрный с коричневым и синий с белым. Делать это нужно, конечно, при отключенной от сети вилке, чтобы не попасть под напряжение 220 В.
Стандартное подключение выключателя питания к блоку AT
С блоком питания ATX дело немного сложнее. Чтобы он включился, мало подать напряжение сети. Дополнительно нужно изобразить из себя материнскую плату и подать на вход «Power on» низкий логический уровень. Для этого скрепкой замыкаем зелёный провод с любым чёрным на колодке, назначенной для питания материнской платы.
Подача сигнала включения на шину «Power on»
Этот выключатель должен быть включен
Базовая нагрузка
Многие блоки питания ПК (не все) требуют базовой нагрузки на шине 5V для правильной работы. Проверенный метод получить нагрузку — подключить CD-ROM или 12 В лампочку (на шину +5 В, см. рисунок ниже).
Для нормальной работы некоторым БП нужна хотя бы небольшая (1-2 Вт) нагрузка по шине +5 В
Узнать, требуется ли базовая нагрузка на нашем БП, просто — стоит запустить без неё. Если даже незначительная нагрузка (+12 В) на шину вызовет выключение блока питания, значит, базовая нагрузка нужна. В качестве нагрузки подходит 2-ваттный резистор сопротивлением 25–30 Ом, подключенный к 5-вольтовой шине БП.
Причины и признаки неисправности блока питания
Как правило, причинами выхода из строя блоков питания могут быть:
низкое качество сетевого напряжения (частые падения напряжения в сети, помимо превышения рабочего диапазона источника питания);
низкое качество комплектующих и изготовления в целом (актуален для дешевых блоков питания);
вы можете определить, вышел ли из строя блок питания или какой-либо другой компонент, основываясь на следующих критериях:
после нажатия кнопки включения системного блока ничего не происходит — нет световой и звуковой индикации, не вращаются вентиляторы охлаждения;
компьютер включается каждые два раза;
Блок питания можно проверить несколькими способами.
Ниже мы поговорим о последовательности каждого из элементов управления, а пока ограничимся лишь краткой информацией, чтобы понять, что мы будем делать.
Суть первого метода — проверить подачу напряжения, и на этом этапе мы проводим грубую проверку: есть напряжение или нет.
Второй способ — проверить выходное напряжение, мы уже говорили, что напряжение должно быть строго в определенных пределах, а отклонение в любую сторону недопустимо.
Третий способ — визуально осмотреть блок питания на предмет вздутых конденсаторов.
Для удобства восприятия алгоритм каждого из элементов управления будет представлен в виде подробных инструкций.
Устройство блока питания
С точки зрения ремонта блок питания условно можно разделить на:
- вентилятор (или вентиляторы, их может быть больше одного),
- высоковольтную часть,
- низковольтную часть,
- источник дежурного напряжения.
Вентилятор прогоняет внешний воздух через блок питания, охлаждая силовые высоковольтные и низковольтные элементы.
Если он выходит из строя, эти элементы не охлаждаются должным образом и выходят из строя из-за перегрева.
При этом перегреваются и другие детали компьютера, так вентилятор блока питания является составной частью общей системы охлаждения.
Перед тем, как окончательно остановиться, вентилятор некоторое время противно жужжит, предупреждая о своем нездоровье. Шум возрастает от того, что высыхает смазка в подшипниках.
Шуметь могут и другие вентиляторы, в частности, на видеокарте. Узнать, какой именно вентилятор шумит, достаточно просто – надо аккуратно придержать вращающийся ротор пальцами.
Если неприятный звук исчез – «больной» выявлен. Вентиляторы в компьютере чаще всего содержат в себе (кроме вентилятора процессора) подшипник скольжения, представляющий собой бронзовую втулку, в которой вращается стальной вал, соединенный с крыльчаткой. Вал смазан тонким слоем смазки.
Схема подключения RGB ленты
Многоцветные ленты невозможно подключить без управляющего устройства — контроллера. Он обеспечивает подачу питания к разным цветам и организует переходы из одного оттенка в другой. Подключать многоцветную подсветку напрямую бессмысленно, так как возможности ленты не будут использованы в должной степени. Контроллер получает питание 12 В на входе, а на выходе раздает требуемые номиналы по трем линиям — красной, зеленой и синей. Поэтому на вход надо подключить желтый и черный провод от разъема molex (два крайних, внимательно следим за полярностью), а выход подключаем к соответствующим контактам подсветки. Сам контроллер обычно прикручивают в свободный лоток для установки жесткого диска.

Помимо этого, есть возможность подключить ленту непосредственно к материнской плате. Обычно используются специальные виды, снабженные штекерами для подключения в соответствующее гнездо материнки. Некоторые производители, такие как GIGABYTE и прочие, выпускают специальное ПО для управления многоцветными лентами. Разработана технология RGB Fusion, позволяющая получить массу эффектов и режимов работы светодиодов. Подобные устройства и программы активно используют любители моддинга, украшающие системные блоки. Для украшения внешних предметов эти светильники не используются, что несколько ограничивает распространение методики.
Основные характеристики блока питания
Назначение компьютерного БП состоит в преобразовании сетевого напряжения переменного тока в постоянное, необходимое для узлов вычислительной машины. Рассмотрим основные параметры блоков питания этого типа:
Выходное напряжение. Их несколько и измеряются они относительно общей шины:
- +3,3 В (кроме AT);
- +5 В;
- +5 В дежурные (кроме AT);
- -5 В (в новых модификациях ATX может отсутствовать);
- +12 В;
- -12 В.
Общая выходная мощность. Может меняться от 200 Вт до 800 Вт и выше. Сам по себе параметр даёт только общее представление о выдаваемой мощности, поскольку блок питания создаёт несколько различных напряжений, рассчитанных каждый на свою нагрузку.
Этот блок питания для ПК имеет мощность 400 Вт
Ток или мощность на линии. Параметр указывает, какую мощность может выдать БП по той или иной шине. Некоторые производители вместо мощности указывают ток или и то и другое.
Мощность и токовая нагрузка по каждой шине этого блока питания указана прямо на корпусе
Форм-фактор. Промышленность выпускает блоки питания нескольких форм-факторов. Они зависят от габаритов системного блока, для которого они предназначены. Кроме разных габаритов, такие БП практически ничем друг от друга не отличаются и характеризуются теми же основными параметрами.
БП форм-фактора стандартный ATX, SFX, TFX и Flex-ATX (слева направо и сверху вниз)
Преимущества и недостатки
Диодная подсветка обладает множеством плюсов относительно стандартных источников света:
- повышенный коэффициент энергоэффективности, особенно по отношению к лампам накаливания, в которых большая часть энергии уходит на нагрев нити;
- мгновенный отклик на операции включения и отключения, в отличие от ламп накаливания, которые тухнут с задержкой в несколько миллисекунд, пока остынет нить или люминесцентных ламп, имеющих задержку при включении;
- продолжительный срок работы до выхода из строя, до 50000 часов;
- из-за того, что для питания таких элементов требуется рабочий ток низкого напряжения, они более безопасны в эксплуатации;
- от таких источников света не идет побочное излучение, других диапазонов, например, ультрафиолетового и инфракрасного спектра волны.
Из минусов можно отметить разве, что пока что довольно высокую цену на устройства большой мощности.
Немного теории
Но прежде чем мы начнем копаться во внутренностях, давайте зададимся вопросом, действительно ли блок питания настолько необходим? Почему нельзя подключить компьютер напрямую к розетке? Ответ заключается в том, что компьютерные комплектующие рассчитаны на совсем другое напряжение, нежели сетевое.
На графике ниже показано, каким должно быть электричество сети (в США = синяя и зеленая кривые; Великобритания = красная кривая). Ось X представляет время в миллисекундах, а ось Y – напряжение (voltage) в вольтах. Проще всего понять, что такое напряжение, глядя на разность энергий между двумя точками.
Если напряжение приложено к проводнику (например, к металлической проволоке), разница в энергии заставит электроны в материале проводника течь от более высокого энергетического уровня к более низкому. Электроны – составляющие атомов, из которых состоит проводник, и металлы имеют много электронов, которые могут свободно перемещаться. Этот поток электронов называется током (current) и измеряется в амперах.
Хорошую аналогию можно провести с садовым шлангом: напряжение сродни давлению, которое вы используете, а расход воды – это ток. Любые ограничения и препятствия в шланге – по сути как электрическое сопротивление.
Мы видим, что электричество в сети варьируется с течением времени, из-за чего оно называется напряжением переменного тока (AC, alternating current). В США сетевое напряжение меняется 60 раз в секунду, достигая пиковых значений 340 В или 170 В, в зависимости от местоположения и способа подключения. В Великобритании пиковые напряжения пониже, и частота этих колебаний также немного отличается. Большинство стран придерживаются схожих стандартов сетевого напряжения, и лишь в немногих странах пиковые напряжения более низкие или более высокие.
Потребность в блоке питания заключается в том, что компьютеры не работают с переменным током: им нужно постоянное напряжение, которое никогда не меняется, и кроме того – гораздо более низкое. На том же графике оно будет выглядеть примерно вот таким:
Но современному компьютеру требуется не одно постоянное напряжение, а четыре: +12 вольт, -12 вольт, +5 вольт и +3,3 вольта. И поскольку эти значения не меняются, такой ток называется постоянным (DC, direct current). Преобразование тока из переменного в постоянный (т.н. выпрямление) – одна из основных функций блока питания. Пришло время вскрыть его и посмотреть, как он это делает!
Преобразование тока из переменного в постоянный – одна из основных функций PSU. Пришло время посмотреть, как он это делает!
Здесь мы должны предупредить вас, что в блоке питания есть элементы, накапливающие электричество, в том числе смертельное. Поэтому разбирать PSU потенциально опасно.
Официальное фото блока питания Cooler Master.
Принцип работы этого блока питания аналогичен многим другим, и хоть маркировки на различных деталях внутри будут отличаться, принципиальных различий это не делает.
Разъём сетевого шнура находится в верхнем левом углу фотографии, и ток по сути идет по часовой стрелке, пока не достигнет выхода из блока питания (пучок цветных проводов, нижний левый угол).
Источник фото techspot.com
Если мы перевернем плату, мы увидим, что по сравнению с материнской платой, проводники и соединения на ней более широкие и массивные – это потому, что они рассчитаны на более высокие токи. Также, бросается в глаза широкая полоса в середине, будто текущая по равнине река.
Это снова говорит о том, что все блоки питания имеют два четко разделённых узла: первичный и вторичный. Первый – это настройка входного напряжения, чтобы его можно было эффективно понижать; второй – это все настройки уже выпрямленного и пониженного напряжения.
Распределение нагрузки и возможные неисправности
Проверка БП компьютера измерением величины сопротивления выходных цепей При ремонте БП некоторые виды его неисправности можно определить путем измерения омметром величины сопротивления между общим проводом GND черного цвета и остальными контактами выходных разъемов.
Главным достоинством являются высокие показатели КПД усилителей мощности и широкие возможности в использовании. Кроме основного контактного разъёма питания из блока выходят провода с колодками для подключения напряжения к жесткому диску, оптическому приводу SATA и MOLEX, дополнительное питание процессора, видеокарты, питание для флоппи-дисковода. Это снизит уровень шума, но не стоит так делать, если блок питания нагружен полностью.
Этот блок отвечает за управление силовыми транзисторами 4 блок , стабилизацию напряжения с помощью обратной связи , защиту от КЗ. Стабилизация выходных параметров устройства осуществляется с помощью широтно-импульсной модуляции управляющих сигналов. Если возникли проблемы с работой источника дежурного питания, то БП может после пуска сразу отключиться.
Вторая половина моста образована конденсаторами С1, С2, создающими делитель выпрямленного напряжения. Поэтому большинство неисправностей БП персональных компьютеров связаны либо со старением его компонентов, либо со значительными отклонениями питания или нагрузки от номинальных параметров. Двухзвенный фильтр выходного напряжения состоит из конденсатора С15, дросселя L3 и конденсатора С Это один из самых не надежных узлов блока питания и ремонтировать его сложно.
Установка компьютерного блока питания в корпус системного блока Для этого засовываете его в верхнюю часть системного блока, и затем фиксируете тремя или четырьмя винтами к тыловой панели системного блока. Возможные неисправности БП Использование в течение многих лет отработанной схемы импульсного преобразователя позволило сделать ее крайне надежной. По бокам тоже бывают наклейки, мешающие снять крышку, их нужно прорезать по линии сопряжения деталей корпуса БП.
Резистор R67 — нагрузка делителя. Диодный мостик — находится сразу за фильтром помех и позволяет преобразовать переменный электроток в постоянный пульсирующий. Такая упрощенная схема БП с использованием контроллера широтно-импульсной модуляции показана на следующем рисунке. В отличие от линейных, импульсные блоки питания компактнее и обладают высоким КПД и меньшими тепловыми потерями.
Если же отсутствует напряжение только на одном из управляемых силовых выходов, стоит в первую очередь обратить внимание на выпрямительный диод и фильтрующий конденсатор этой цепи. Неисправности компьютерного блока питания и способы их диагностирования и ремонта Приступая к поиску неисправности рекомендуется ознакомится со схемой компьютерного БП
Ground Масса. У него 20 выводов, на современных материнских платах подключается дополнительных 4 вывода. Но, из-за дороговизны, эти комплектующие могут отсутствовать.
Отрицательные напряжения -5 и В раз в десять слабее основных плюсовых, поэтому там стоят простые 2-х амперные диоды без радиаторов. Простой пример, если произошла утечка тока и человек дотронулся до корпуса системного блока его ударило бы током, но благодаря блоку питания этого не происходит. Единственная микросхема способна выполнять роль преобразователя и корректора КМ, что сокращает общее количество элементов в схеме БП. Кроме основного контактного разъёма питания из блока выходят провода с колодками для подключения напряжения к жесткому диску, оптическому приводу SATA и MOLEX, дополнительное питание процессора, видеокарты, питание для флоппи-дисковода.
как сделать лабораторный блок питания и зарядник из компьютерного блока питания АТХ ч.1
Как отличить ATX блок от AT стандарта?
Если вы не хотите напрасно переживать о подключении контактов и о том, как запустить питание без компьютера, то лучше сразу узнать, какой стандартный привод установлен у вас на ПК. Это можно сделать двумя простыми способами.
Во-первых, посмотрите на листок бумаги, приклеенный к одной из стенок кормушки. Там в верхней строке будет написан номер модели вашего блока. Номер будет начинаться с букв ATX или AT, по которым вы можете понять стандарт вашего шаблона блока.
Второй — посмотреть на его материнскую плату. Стандартные блоки питания AT имели гладкие материнские платы, к которым было прикреплено шесть проводов.
Стандартная материнская плата ATX имеет форму гармошки, к которой ведет около двадцати проводов.
Также стоит упомянуть, что некоторое время существовали модели, сочетающие оба стандарта и, следовательно, имеющие две разные материнские платы.
Замена ATX блока и советы по ремонту
Замена блока питания ATX предполагается в случае выхода из строя старого экземпляра или в случае замены составных элементов персонального компьютера: видеокарт, процессоров, более мощных материнских плат, большего количества оперативной памяти. В случае такого обновления ПК блок питания перестает обеспечивать питание всех компонентов ПК. Прежде всего, вам необходимо удалить существующий элемент ATX, установить новый и протестировать его работоспособность. Вам просто нужно знать основные концепции схем и следовать приведенным ниже инструкциям:
- Необходимые инструменты: полноразмерная отвертка Phillips.
- необходимо отключить питание персонального компьютера: этот процесс предполагает извлечение кабеля питания из блока питания.
- Следующим этапом является снятие стенки системного блока, обычно ее снимают с левой стороны корпуса, открутив несколько шурупов.
- Удалите всю скопившуюся пыль с компонентов компьютера с помощью щетки или пылесоса. Учтите, что чистку компьютера от скопившейся пыли нужно производить не реже одного раза в полгода. Только после полной очистки от пыли можно переходить к следующим этапам.
Отсоедините все кабели, относящиеся к источнику питания, от других устройств
Обратите внимание на наличие в разъемах специальных крючков. Не выдергивайте подключенные провода резко.
Отсоединив все кабели, открутите винты, которыми блок питания крепится к блоку питания компьютера
Это позволит удалить старый блок питания.
Для подключения нового блока питания повторите все действия точно в обратном порядке: закрепите его на системном блоке, аккуратно подключите все его провода к нужным элементам, подключите к блоку питания электрический кабель 220 вольт.
Примечания
- Комментарии
- Однако в мощных трансформаторных БП возникают импульсные помехи из-за того, что ток, протекающий через (и вторичную обмотку трасформатора) имеет форму коротких импульсов, потому что диод открыт не весь полупериод, а короткое время вблизи максимума синусоиды, когда мгновенное значение переменного напряжения на вторичной обмотке превышает постоянное напряжение на фильтрующей ёмкости).
- Источники
- Вторичный источник электропитания//Силовая электроника: краткий энциклопедический словарь терминов и определений —М.:Издательский дом МЭИ, 2008
- Здесь имеется в виду средняя индукция в контуре, охватывающем виток. В однородном магнитном поле, вектор индукции которого перпендикулярен плоскости витка — просто величина индукции.
- ↑ .
- .
Из компьютерного блока питания — лабораторный и зарядное устройство
Вернуться в Самодельные электронные устройства. Сейчас этот форум просматривают: Google и гости: 0. Учетки до 1. FAQ Поиск. Переделка компьютерного БП под лабораторный БП. Медведь пришёл Последний раз редактировалось Guslik Вт апр 13, am, всего редактировалось 1 раз. А красиво мерить — это уже потом. На В выбор побогаче..
В мультиметрах он на 10А и поддается калибровке. Вот не плохая статья! Каково назначение этих деталей? Почему они удаляются? Обратная связь TL по току? Что с элементами R36, R35, C21?
Как правильно сделать, чтоб схема ключей не пошла в разнос? Выходы двух усилителей объединены диодным ИЛИ. Тот усилитель, на выходе которого большее напряжение, перехватывает управление логикой. При этом выходной сигнал доступен не порознь, а только с выхода диодного ИЛИ он же вход компаратора ошибки. Таким образом, только один усилитель может быть замкнут петлей ОС в линейном режиме. Этот усилитель и замыкает главную, линейную ОС по выходному напряжению.
Второй усилитель при этом может использоваться как компаратор — например, превышения выходного тока, или как ключ на логический сигнал аварии перегрев, КЗ и т. Один из входов компаратора привязывается к ИОНу, на втором организуется логическое ИЛИ аварийных сигналов еще лучше — логическое И сигналов нормальных состояний. Или эту:. Используйте значение R11 в соответствии с максимально достижимой выходной ток.
Ноги TL целостности сварных ссылка на печатной плате. Значение должно быть выбрано в соответствии с максимально достижимой выходной ток. Термическая стабильность текущее значение зависит от качества сопротивления используется. Место R11 как это возможно, ее вентилятор.
Сопротивление R11, конденсатор С5 и двумя потенциометрами R3 и R15 должны размещаться за пределами печатной плате. R10 используется для калибровки максимальное значение для полного напряжения масштаба например, 16,0 V компенсации погрешности потенциометра.
Первый зажигания значение 2K2. R15 и закрыты. Конденсаторы C3 и C4 uF 16V заменить оригиналы, недостаточно, чтобы выдерживать более высокое напряжение и ток. RC C6 R12 служит для стабилизации перестройки, устраняя проблемы возвращения на терминалах для выходного напряжения больше, чем В. Меньше обычного ATX в полтора раза. Буду пробовать его. Не хватает ограничения по току, и слышен шелест из блока под нагрузкой. Последний раз редактировалось slav0n Сб апр 17, am, всего редактировалось 1 раз.
Кроме напряжения и тока на дисплее отображается ёмкость,вся настройка через меню не нужно подбирать резисторы и есть управление вентилятором. Список форумов Часовой пояс: UTC. Русская поддержка phpBB.
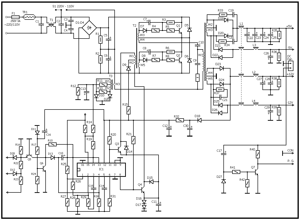
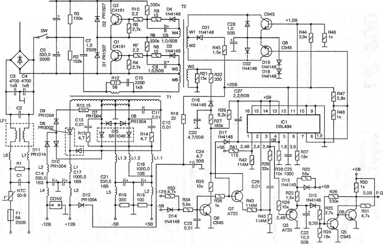
Блок питания ATX-400W — принципиальная схема
Конденсаторы С1, С2 образуют фильтр низкочастотной сети.
Главным достоинством являются высокие показатели КПД усилителей мощности и широкие возможности в использовании. Такая упрощенная схема БП с использованием контроллера широтно-импульсной модуляции показана на следующем рисунке.
Диоды D13, D14 предназначены для рассеивания магнитной энергии, накопленной полуобмотками трансформатора Т2. В случае исправности элементов обвязки заменить U4. Магнитный поток, создаваемый этим током, наводит ЭДС в обмотке положительной обратной связи.
При этом в трансформаторе Т1 накапливается больше электромагнитной энергии, отдаваемой в нагрузку, вследствие чего выходное напряжение повышается до номинального значения. Структурная схема источника рис. Конструктивные особенности Для подключения комплектующих персонального компьютера на БП предусмотрены различные разъемы. Значительно реже происходит отказ вентилятора, но это также приводит к печальным последствиям: от перегрева выгорают дроссели L1, L 2.
Во вторичных обмотках блока питания компьютера, кроме диодных сборок на радиаторах задействованы дроссели. Принципиальные схемы блоков питания ATX. Особых предпочтений в порядке подключения нет, главное все сделать аккуратно и правильно.
Этой величины достаточно для запирания транзистора Q6. Резистор R47 и конденсатор С29 — элементы частотной коррекции усилителя.
Распиновка основного коннектора БП
Проверить исправность цепи стабилизации U1, U2, неисправный элемент заменяется. В отличие от линейных, импульсные блоки питания компактнее и обладают высоким КПД и меньшими тепловыми потерями. Выходной сигнал инвертора подается через токовый датчик Т4 на первичную обмотку силового трансформатора Т1. На неинвертирующий вход усилителя ошибки 1 выв. При протекании тока через первичную обмотку ТЗ происходит процесс накопления энергии трансформатором, передача этой энергии во вторичные цепи источника питания и заряд конденсаторов С1, С2.
Заметим, что у некоторых устройств цветовая маркировка может отличаться от стандартной, как правило, этим грешат неизвестные производители из поднебесной. В отличие от линейных, импульсные блоки питания компактнее и обладают высоким КПД и меньшими тепловыми потерями. С выводов 8 и 11 микросхемы управляющие импульсы поступают в базовые цепи транзисторов Q5, Q6 каскада управления. Импульсный ток, возникающий в процессе заряда конденсаторов, установленных на входе, может стать причиной пробоя диодного моста; Дисковый термистор обозначен красным тестируем диоды или диодный мост на выходном выпрямителе, в них не должно быть обрыва и КЗ. Обзор схем источников питания Главной частью структурной схемы ИП, формата ATX, является полумостовой преобразователь. Как работает ATX





























