Достоинства электронных преобразователей

К числу основных достоинств устройств, построенных на основе ЭТ, относят следующие особенности работы схемы:
- выходной трансформатор блока питания не запустится без подсоединения к нему нагрузки – перейдет в активный режим, если только к нему подключен светильник с лампочкой;
- помимо щадящего режима работы элементов электронной схемы это свойство ЭТ позволяет экономить на расходуемой электроэнергии;
- в изделии легко реализуется система защиты от опасных перегрузок и коротких замыканий.
В качестве образца, используемого для самодельного изготовления блока питания на таком трансформаторе, нередко берутся более сложные полумостовые схемы. Обычно они построены на базе драйверов типа IR2153 или подобных ему электронных компонентов. В качестве дополнительной опции в них предусмотрен индикаторный светодиод, сигнализирующий о наличии высокочастотных колебаний.
Выпрямитель
Напряжение вторичной обмотки надо выпрямить. Для уровней до 12 вольт желательно использовать двухполупериодную схему со средней точкой.

Схема выпрямителя со средней точкой и прохождение тока по ней.
Преимущество данной схемы – ток проходит в каждую сторону только через один диод, и падение напряжения на вентилях, в отличие от классической мостовой схемы, в два раза меньше. Это может существенно сократить потребное число витков вторичной обмотки. Этой же цели служит применение диодов Шоттки и сборок из них.

Схема мостового выпрямителя и прохождение тока по ней.
Если выходное напряжение БП выше +12 вольт, то экономия 0,6 вольт становится несущественной, и можно выполнить выпрямитель по стандартной схеме и применить трансформатор без отвода.
В случае, если выход импульсного блока питания должен быть двухполярным, снова становится рациональным выполнение отвода от средней точки. В этом случае экономится сразу 4 диода и радиаторы для них – выигрыш в габаритах может быть существенным.

Двухполярный выпрямитель со средней точкой.
ИБП на микросхеме
Выпускается множество микросхем с функцией ШИМ-контроллера. Далее рассматривается несколько схем с использованием самых популярных из них.
TL494
Поскольку встроенные ключи данной микросхемы не обладают мощностью, достаточной для непосредственного управления силовыми транзисторами инвертора (T3 и T4), вводится промежуточное звено из трансформатора TR1 (управляющего) и транзисторов T1, T2.
Схема на микросхеме TL494
Если в наличии есть старый БП от компьютера, управляющий трансформатор можно взять оттуда. Состав обмоток оставляют без изменений. В качестве силовых рекомендуется использовать биполярные транзисторы MJT13009 — схема окажется более надежной. При использовании транзисторов MJE13007, рассчитанных на меньший ток, схема будет рабочей, но слишком чувствительной к перегрузкам.
Дроссели L5, L6 также извлекаются из поломанного компьютерного БП. Первый перематывают, поскольку в оригинальном исполнении он рассчитан на несколько уровней напряжения. На желтый магнитопровод (другие не подойдут) в виде кольца наматывают около 50 витков медного провода диаметром 1,5 мм. Силовые транзисторы T3, T4 и диод D15 в процессе работы сильно греются, потому устанавливаются на радиаторы.
IR2153
Из всех микросхем эта стоит дешевле всего, потому многие предпочитают собирать БП на ней. Здесь драйвер подключен не к шине +310 В, а через резистор к сети. При таком подключении снижена выделяемая на резисторе мощность.
Схема на микросхеме IR2153
В схеме предусмотрены:
- ограничение пускового тока (мягкий старт или софт-старт). Компонент запитан от сети через гасящий конденсатор С2;
- защита от короткого замыкания и перегрузки. Сопротивление R11 используется как датчик тока. Ток срабатывания защиты регулируется подстроечным сопротивлением R10.
О срабатывании защиты сообщает светодиод HL1. Напряжение на выходе — до 70 В, с двоякой полярностью. Число витков на первичной обмотке импульсного трансформатора — 50, на каждой из 4-х вторичных — 23. Выбор сечения проводов в обмотках и типа сердечника зависит от желаемой мощности.
UC3842
Еще одна недорогая микросхема, при этом весьма надежная и потому очень популярная. При включении ток, заряжающий конденсатор С2, ограничивается терморезистором R1.
Схема на микросхеме UC3842
Сопротивление последнего в этот момент составляет 4,7 Ом, затем по мере разогрева оно снижается на порядок, после чего данный элемент из схемы как бы «выключается». Стабилизация выходного напряжения — за счет обратной связи (петля «вторичная обмотка трансформатора Т1 – диод VD6 – конденсатор С8 – резистор R6 – диод VD5»).
Напряжение петли задается резистивным делителем R2 – R3. Цепочка «R4 – C5» — таймер для внутреннего генератора импульсов UC3842. ШИМ-контроллер и прочие микросхемы устанавливаются на пластинчатые радиаторы с площадью не менее 5 кв. см.
Разновидности блоков питания
Применение нашли несколько типов инверторов, которые отличаются схемой построения:
- бестрансформаторные;
- трансформаторные.
Первые отличаются тем, что импульсная последовательность поступает непосредственно на выходной выпрямитель и сглаживающий фильтр устройства. Такая схема имеет минимум комплектующих. Простой инвертор включает в себя специализированную интегральную микросхему — широтно-импульсный генератор.
Из недостатков бестрансформаторных устройств главным является то, что они не имеют гальванической развязки с питающей сетью и могут представлять опасность удара электрическим током. Также они обычно имеют небольшую мощность и выдают только 1 значение выходного напряжения.
Более распространены трансформаторные устройства, в которых высокочастотная последовательность импульсов поступает на первичную обмотку трансформатора. Вторичных обмоток может быть сколько угодно много, что позволяет формировать несколько выходных напряжений. Каждая вторичная обмотка нагружена на собственный выпрямитель и сглаживающий фильтр.
Мощный импульсный блок питания любого компьютера построен по такой схеме, которая имеет высокую надежность и безопасность. Для сигнала обратной связи здесь используется напряжение 5 или 12 Вольт, поскольку эти значения требуют максимально точной стабилизации.
Использование трансформаторов для преобразования напряжения высокой частоты (десятки килогерц вместо 50 Гц) позволило многократно снизить их габариты и массу и использовать в качестве материала сердечника (магнитопровода) не электротехническое железо, а ферромагнитные материалы с высокой коэрцитивной силой.
На основе широтно-импульсной модуляции построены также преобразователи постоянного тока. Без использования инверторных схем преобразование было связано с большими трудностями.
Какие бывают виды и где применяются
Разделить импульсники можно по разным признакам. По выходному напряжению они делятся на:
- однополярные с одним уровнем напряжения;
- ондополярные с несколькими уровнями напряжения;
- двухполярные.
Эти типы можно комбинировать как угодно – принципиальных ограничений нет. Можно создать блок питания, например, с несколькими однополярными напряжениями (+5 В, +24 В) и с двуполярным (±12 В), или с двумя двуполярными выходами (±12 В, ±5 В). Все зависит от области применения.
Более интересной является информация о типе стабилизации. Здесь ИИП можно разделить на категории:
- Нестабилизированные источники. У них выходное напряжение зависит от нагрузки. Могут быть применены для питания оконечных устройств аудиоаппаратуры (усилители и т.п.).
- Стабилизированные источники. У таких устройств от нагрузки могут не зависеть напряжение, ток или и то, и другое. Источники со стабилизированным напряжением используются, например, в качестве БП для компьютеров и серверов, или для заряжания кислотно-свинцовых аккумуляторов. Стабилизированный ток подойдет для зарядных устройств для других типов АКБ.
- Регулируемые источники. У них уровень выходного напряжения и тока можно выставлять в определенных пределах в зависимости от потребности. Такие устройства используются в качестве лабораторных источников питания.Схема и сборка самодельного блока питания с регулировкой напряжения и тока
Описать все области использования импульсников невозможно. Они применяются там, где надо получить большой ток от легкого и компактного источника.
Также можно разделить ИИП по схемотехнике:
- с импульсным трансформатором;
- с накопительной индуктивностью.
В схемотехнику можно углубляться и дальше и классифицировать БП по другим критериям, но это принципиального значения не имеет.
Структурная и принципиальная схема основных частей блока

Обобщенная структурная схема импульсного БП.
На входе блока питания устанавливается сетевой фильтр. Принципиально на работу самодельного или промышленного импульсного блока питания он не влияет – все будет функционировать без него. Но отказываться от схемы фильтрации нельзя – из-за крайне нелинейной формы потребляемого тока импульсные источники интенсивно «сыплют» помехами в бытовую сеть 220 вольт. По этой причине работающие от этой же сети устройства на микропроцессорах и микроконтроллерах – от электронных часов до компьютеров – будут работать со сбоями.

Схема сетевого фильтра.
Назначение входного устройства — защита от двух видов помех:
- синфазной (несимметричной) – возникает между любым проводом и землей (корпусом) БП;
- дифференциальной (симметричной) – между проводами (полюсами) питания.
Фильтр, как и весь блок питания, на входе защищен предохранителем F (плавким или самовосстанавливающимся). После предохранителя стоит варистор – резистор, сопротивление которого зависит от приложенного напряжения. Пока входное напряжение в норме, сопротивление варистора велико и он не оказывает никакого действия на работу схемы. Если напряжение повышается, сопротивление варистора резко просаживается, что вызывает увеличение тока и сгорание предохранителя.
Конденсаторы Cx блокируют дифференциальные помехи на входе и выходе фильтра в диапазоне до 30 МГц. На частоте 50 Гц их сопротивление велико, поэтому влияния на сетевое напряжение они не оказывают. Их емкость может быть выбрана от 10 до 330 нФ. Резистор Rd устанавливается для безопасности – через него разряжаются конденсаторы после отключения питания.
Синфазные помехи подавляет фильтр на Cy и L. Их значения для частоты среза f связаны формулой Томпсона:
f=1/(2*π*√L*C), где:
- f – частота среза в кГц (берется частота преобразования импульсника);
- L – индуктивность дросселя, мкГн;
- С – емкость Cy, мкФ.
Синфазный дроссель наматывается на ферритовом кольце. Обмотки одинаковые, мотаются на противоположных сторонах.

Конструктив синфазного дросселя.
После фильтра сетевое напряжение выпрямляется. В большинстве случаев используется стандартный двухполупериодный мостовой выпрямитель.
Схема стабилизации напряжения: как работает
Правило №7: оптимальные условия для работы нагрузки при изменяющихся условиях эксплуатации обеспечивает принцип стабилизации вторичного напряжения.
Самая примитивная схема стабилизации выходного напряжения создается на дополнительной обмотке импульсного трансформатора.

С нее снимается напряжение и подается для корректировки величины сигнала первичной обмотки.
Лучшая стабилизация создается за счет контроля выходного сигнала с вторичной обмотки и отделения его гальванической связи через оптопару.

В ней используется светодиод, через который проходит ток, пропорциональный значению выходного напряжения. Его свечение воспринимается фототранзистором, который посылает соответствующий электрический сигнал на схему управления генератора ключевого каскада.

Повысить качество стабилизации выходного напряжения позволяет последовательное дополнение к оптопаре стабилитрона, как показано на примере микросхемы TL431 на картинке ниже.

Для закрепления материала в памяти рекомендую посмотреть видеоролик владельца Паяльник TV, который хорошо объясняет информацию про импульсные блоки питания: принципы работы на примере конкретной модели.
Надеюсь, что моя статья поможет вам выполнить ремонт ИБП своими руками за 7 шагов, которые я изложил в другой статье.
Задавайте возникшие вопросы в разделе комментариев, высказывайте свое мнение. Его будет полезно знать другим людям.
Схемы инверторов
Получившееся выпрямленное напряжение поступает на преобразователь (инвертор). Его выполняют на биполярных или полевых транзисторах, а также на IGBT-элементах, сочетающих свойства полевых и биполярных. В последние годы получили распространение мощные и недорогие полевые транзисторы с изолированным затвором (MOSFET). На таких элементах удобно строить ключевые схемы инверторов. В схемах импульсных блоков питания используются различные варианты включения MOSFET, но в основном применяются двухтактные схемы из-за простоты и возможности наращивания мощности без существенных переделок.
Пуш-пульная схема
Схема пуш-пульного преобразователя.
Пуш-пульный инвертор (push – толкать, pull – тянуть) — пример двухтактного преобразователя. Транзисторные ключи работают на первичную обмотку трансформатора, состоящую из двух полуобмоток I и II. Транзисторы поочередно открываются на заданный промежуток времени. Когда открыт верхний по схеме транзистор, ток течет через полуобмотку I (красная стрелка), когда второй – через полуобмотку II (зеленая). Чтобы избежать ситуации, когда оба ключа открыты (из-за конечной скорости работы транзисторов), схема управления формирует паузу, называемую Dead time.
Управление транзисторами с учетом Dead time.
Такая схема хорошо работает при низком напряжении питания (до +12 вольт). Минусом является наличие выбросов амплитудой, равной удвоенному напряжению питания. Это влечет за собой применение транзисторов, рассчитанных на вдвое большее напряжение.
Мостовая схема
От главного недостатка предыдущей схемы свободна двухтактная мостовая.
Двухтактная мостовая схема инвертора.
Здесь одновременно открывается пара транзисторов T1 и T4, потом Т2 и Т3 (сигнал управления ключами формируется с учетом Dead time). При этом первичная обмотка подключается к источнику питания то одной стороной, то другой. Амплитуда импульсов равна полному напряжению питания, и выбросы напряжения отсутствуют. К минусам относят применение четырех транзисторов вместо двух. Помимо увеличения габаритов БП это ведет к удвоенным потерям напряжения.
Полумостовая схема
На практике часто применяют полумостовую схему инвертора – в определенной мере компромисс между предыдущими двумя схемами.
Полумостовая схема.
В этом случае одна сторона обмотки коммутируется поочередно открывающимися транзисторами Т1 и Т2, а другая подключается к средней точке емкостного делителя С1, С2. Достоинства схемы:
- в отличие от пушпульной отсутствуют выбросы напряжения;
- в отличие от мостовой используются только два транзистора.
На другой чаше весов – обмотка трансформатора запитана лишь от половины напряжения питания.
Однотактные схемы
В схемотехнике преобразователей применяются и однотактные схемы – прямоходовые и обратноходовые. Их принципиальное отличие от двухтактных – трансформатор (точнее, его первичная обмотка) служит одновременно накопительной индуктивностью. В обратноходовых схемах энергия накапливается в первичной обмотке во время открытого состояния транзистора, а отдается в нагрузку через вторичную обмотку во время закрытого. В прямоходовых накопление энергии и отдача потребителю происходит одновременно.
Две фазы работы обратногоходового однотактного инвертора.
Преимущества лабораторного блока питания
- Выходное напряжение регулируется в пределах 0–30 В.
- Защита от перегрузки и неправильного подключения.
- Низкий уровень пульсаций (постоянный ток на выходе лабораторного блока питания мало чем отличается от постоянного тока батареек и аккумуляторов).
- Возможность установки предела по силе тока до 3 Ампер, после которого БП будет уходить в защиту (очень удобная функция).
- На блоке питания путем короткого замыкания (КЗ) «крокодилов» устанавливается максимально допустимый ток (ограничение по току, которое вы выставляете переменным резистором по амперметру). Следовательно — перегрузки не страшны, поскольку в этом случае сработает светодиодный индикатор, обозначающий превышение установленного уровня тока.
Как протравить плату
Подготовленную и просушенную плату поместите в раствор хлорного железа. Насыщенность его должна быть такой, чтобы медь как можно быстрее разъедалась. Если процесс идет медленно, то рекомендуется увеличить концентрацию хлорного железа в воде. Если и это не помогает, то попробуйте нагреть раствор. Для этого наберите в емкость воду, установите в нее банку с раствором (не забывайте о том, что его желательно хранить в пластиковой или стеклянной таре) и нагревайте на медленном огне. Теплая вода будет нагревать раствор хлорного железа.
Если у вас много времени либо нет хлорного железа, то воспользуйтесь смесью из соли и медного купороса. Плата подготавливается аналогичным образом, после чего помещается в раствор. Недостаток способа – плата блока питания травится очень медленно, потребуются почти сутки для полного исчезновения всей меди с поверхности текстолита. Но за неимением лучшего, можно использовать и такой вариант.

Как работает диодный мост
Переменный ток, имеющий определенную меняющуюся частоту, подается на входные контакты моста. На выходах с положительным и отрицательным значением образуется однополярный ток, обладающий повышенной пульсацией, значительно превышающей частоту тока, подаваемого на вход.
Появляющиеся пульсации нужно обязательно убрать, иначе электронная схема не сможет нормально работать. Поэтому, в схеме присутствуют специальные фильтры, представляющие собой электролитические конденсаторы с большой емкостью.

Сама сборка моста состоит из четырех диодов с одинаковыми параметрами. Они соединены в общую схему и размещаются в общем корпусе.
Диодный мост имеет четыре вывода. К двум из них подключается переменное напряжение, а два остальных являются положительным и отрицательным выводом пульсирующего выпрямленного напряжения.

Выпрямительный мост в виде диодной сборки обладает существенными технологическими преимуществами. Таким образом, на печатную плату устанавливается сразу одна монолитная деталь. Во время эксплуатации, для всех диодов обеспечивается одинаковый тепловой режим. Стоимость общей сборки ниже четырех диодов в отдельности. Однако, данная деталь имеет серьезный недостаток. При выходе из строя хотя-бы одного диода, вся сборка подлежит замене. При желании, любая общая схема может быть заменена четырьмя отдельными деталями.
Простое устройство
Самый простой блок питания состоит всего из нескольких элементов. Начинающим радиолюбителям будет несложно разработать и собрать эти легкие схемы. Главный принцип – создать выпрямительную схему для получения постоянного тока. При этом уровень напряжения на выходе меняться не будет, он зависит от коэффициента трансформации.

Основные компоненты для схемы простого блока питания:
- Понижающий трансформатор;
- Выпрямительные диоды. Можно включить их по схеме моста и получить полноволновое выпрямление либо использовать полуволновое устройство с одним диодом;
- Конденсатор для сглаживания пульсаций. Выбирается электролитический тип емкостью 470-1000 мкФ;
- Проводники для монтажа схемы. Их поперечное сечение определяется величиной нагрузочного тока.
Для конструирования 12-вольтового БП нужен трансформатор, который понижал бы напряжение с 220 до 16 В, так как после выпрямителя напряжение немного уменьшается. Такие трансформаторы можно найти в бывших в употреблении компьютерных блоках питания или приобрести новые. Можно встретить рекомендации о самостоятельной перемотке трансформаторов, но на первых порах лучше обойтись без этого.
Диоды подойдут кремниевые. Для устройств небольших по мощности есть в продаже уже готовые мосты
Важно их правильно подсоединить
Это основная часть схемы, пока еще не совсем готовая к использованию. Надо поставить дополнительно после диодного моста стабилитрон для получения лучшего выходного сигнала.

Получившееся устройство является обычным блоком питания без дополнительных функций и способно поддерживать небольшие нагрузочные токи, до 1 А. При этом возрастание тока может повредить компоненты схемы.
Чтобы получить мощный блок питания, достаточно в этой же конструкции установить один или более усилительных каскадов на транзисторных элементах TIP2955.
Важно!
Для обеспечения температурного режима схемы на мощных транзисторах необходимо предусмотреть охлаждение: радиаторное или вентиляционное
Импульсные блоки питания: как работает структурная схема и взаимодействуют ее части — краткое пояснение
Правило №1 всех ИБП: чем выше рабочая частота, тем лучше. Преобразование электроэнергии выполняется не на промышленных 50 герц, а на более высоких сигналах в пределах 1÷100кГц.
За счет этого снижаются потери и общий вес всех элементов, но усложняется технология. Принципы работы импульсного блока питания помогает понять его структурная схема.
Показываю ее составные части прямоугольниками, связи стрелками, а форму выходного сигнала из каждого блока — мнемонической фигурой преобразованного напряжения (темно синий цвет сверху).
Сетевой фильтр пропускает через себя промышленную синусоиду. Одновременно он отделяет из нее все посторонние помехи.
Очищенная от помех синусоида поступает на выпрямитель со сглаживающим фильтром. Он превращает полученную гармонику в сигнал напряжения строго постоянной формы действующей величины.
Следующим этапом начинается работа инвертора. Он из постоянного стабилизированного сигнала формирует высокочастотные колебания уже не синусоидальной, а практически строго прямоугольной формы.
Преобразованная в подобный вид электрическая энергия поступает на силовой высокочастотный трансформатор, который, как и обычный аналоговый, видоизменяет ее на пониженное напряжение с увеличенным током.
После силового трансформатора наступает очередь работы выходного выпрямителя.
Заключительным звеном работает сглаживающий выходной фильтр. После него на блок управления бытового прибора поступает стабилизированное напряжение постоянной величины.
Качество работы импульсного блока поддерживается за счет создания в рабочем состоянии обратной связи, реализованной в блоке управления инвертора. Она компенсирует все посадки и броски напряжения, вызываемые колебаниями входной величины или коммутациями нагрузок.
Пример монтажа деталей показан на фотографии платы импульсного блока питания ниже.
Сетевой выпрямитель имеет в своем составе предохранитель на основе плавкой вставки, диодный мост, электромеханический фильтр, набор дросселей, конденсаторы развязки со статикой.
Накопительная емкость сглаживает пульсации.
Генератор инвертора на основе силового ключевого транзистора в комплекте с импульсным трансформатором выдает напряжение на выходной выпрямитель с диодами, конденсаторами и дросселями.
Оптопара в узле обратной связи обеспечивает оптическую развязку электрических сигналов.
Разберем все эти части подробнее.
Простейший самодельный блок питания
Если у вас нет навыков в изготовлении электрических приборов, то лучше начинать с самого простого, постепенно передвигаясь к сложным конструкциям. Состав простейшего источника постоянного напряжения:
- Трансформатор с двумя обмотками (первичной – для подключения к сети, вторичной – для подключения потребителей).
- Один или четыре диода для выпрямления переменного тока.
- Электролитический конденсатор для отсечки переменной составляющей выходного сигнала.
- Соединительные провода.
В случае если вы используете в схеме один полупроводниковый диод, то получите однополупериодный выпрямитель. Если применяете диодную сборку или мостовую схему включения, то блок питания называется двухполупериодным. Разница в выходном сигнале – во втором случае меньше пульсаций.
Такой самодельный блок питания хорош только в тех случаях, когда необходимо провести подключение приборов с одним рабочим напряжением. Так, если вы занимаетесь конструированием автомобильной электроники либо ее ремонтом, лучше выбирать трансформатор с выходным напряжением 12-14 вольт. От количества витков вторичной обмотки зависит выходное напряжение, а от сечения используемого провода — сила тока (чем больше толщина, тем больше ток).
Варианты БП для самостоятельного монтажа
Блок питания выбирают исходя из того, какие схемы предполагается им запитывать. Если это устройства с низким потреблением тока, то и БП не обязательно делать мощный: вполне можно обойтись источником с током на 5 ампер. Рассмотрим несколько вариантов схем, а также узнаем, как собирать самодельные блоки питания.
Простой БП 0-30 В
Одна из несложных схем источника питания с регулировкой выходного напряжения приводится на схеме.

Устройство выполнено всего на трех транзисторах и отличается высокой точностью напряжения на выходе, благодаря использованию компенсационной стабилизации, а также применением недорогих элементов.
Изделие собирается на печатной плате и после монтажа практически сразу начинает функционировать. Главное — подобрать стабилитрон, который должен соответствовать максимальному напряжению на выходе.

Для корпуса подойдет любой пластиковый или металлический короб, который окажется под рукой, например, от компьютерного БП.

В такой корпус без проблем поместится трансформатор на 100 Вт и печатная плата. Имеющийся вентилятор можно оставить, подключив в разрыв его питания сопротивление для снижения оборотов.

Для измерения потребляемого нагрузкой тока задействуем стрелочный амперметр, устанавливая его на переднюю панель из пластиковой коробки.

Вольтметр можно использовать цифровой.

Завершив монтаж, проверяем выходное напряжение, изменяя положение переменного резистора.

Минимальное значение должно быть около нуля, максимальное – 30 В. Подсоединив нагрузку около 0,5 А, проверяем просадку напряжения на выходе – она должна быть минимальной.

Мощный импульсный БП
Рассмотрим схему блока питания с регулировкой по току и напряжению. Такие устройства иногда еще называют лабораторными, поскольку они подходят не только для запитки электронных схем, но и для зарядки АКБ.

Этот БП обеспечивает регулировку напряжения в диапазоне 0-30 В и тока 0-10 А. Источник можно разделить на три части:
- Внутренняя схема питания, состоящая из источника напряжения на 12 В, и ток минимум 300 мА. Назначение этого источника – запитка схемы БП.
- Блок управления. Выполнен на микросхеме TL494 с простым драйвером. Резистор R4 позволяет регулировать максимальный порог напряжения, R2 – ток.
- Силовая часть. Большую часть схемы можно задействовать из старого компьютерного блока питания. Для намотки трансформатора управления подойдет ферритовое кольцо R16*10*4,5, на котором наматывают провод МГТФ 0.07 мм² в количестве 30 витков одновременно в 3 провода. L1 мотают на кольце от того же БП, удалив старую обмотку и намотав медный провод диаметром 2 мм и длиной 2 м. Для L2 подойдет дроссель на ферритовом стержне.
Чтобы получить выходное напряжение 30 В, вторичную обмотку силового трансформатора нужно перемотать, увеличив количество витков.
Для размещения элементов схемы изготавливают печатную плату.

Если сборка выполнена правильно, блок питания начинает работать сразу. Чтобы была возможность управлять вентилятором по температуре, можно собрать простую схему на lm317.

На Ардуино
Радиолюбители с опытом иногда собирают блоки питания под управлением Ардуино. Таким образом удается создать контролируемый источник питания с такими режимами: может “отдыхать”, функционировать в режиме экономии либо работать на ток в 10 А и разное выходное напряжение, если это требуется.

«Умный» блок питания представлен на схеме.

Для запитки микропроцессора ATmega задействуется импульсный стабилизатор. Благодаря наличию постоянного и стабилизированного напряжения 5 В блок питания можно оснастить разъемом USB, что позволит подзаряжать какие-либо устройства.
Печатную плату можно сделать по образцу.

Внешний вид устройства и внутреннее расположение компонентов представлены на фото.


Блок питания от 0 до 30 В на 10 ампер можно собрать своими руками по любой из представленных схем, а как именно сделать такое устройство, пошагово рассмотрено в инструкциях с фото-примерами. Для сборки простого источника питания потребуются начальные значения в области радиоэлектроники, умение обращаться с паяльником и минимальный перечень радиокомпонентов.
Стабилизатор
Продолжаем улучшать наш простой блок питания своими руками. Для получения качественного и стабильного напряжения без малейших пульсаций, скачков, и просадки напряжения используют стабилизатор напряжения.
В качестве стабилизатора используют стабилитрон, или интегральный стабилизатор напряжения. Мы собрали схему блока питания для устройства, которое нуждается в стабилизированном источнике питания. Это устройство собрано на контроллере, и без стабильного напряжения оно работать не будет. При небольшом повышении напряжении контроллер сгорит. А при понижении напряжении устройство откажется работать. Вот для таких устройств и предназначен стабилизатор.
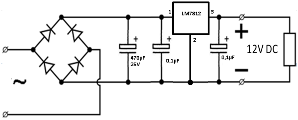
Вывод 1 интегрального стабилизатора — входное напряжение. Вывод 2 — общий (земля). Вывод 3 — выходит стабилизированное напряжение.
Максимум, что может выдать L7805 — ток в 1,5 А, поэтому надо рассчитывать остальные детали на ток более 1,5 А. Выход трансформатора выбираем на ток более 1,5 ампера и напряжением выше стабилизированного значения больше на два вольта. Например, для LM7812 с выхода трансформатора должно выходить 14 — 15 В, для LM7805 7 – 8 В. Но не забывайте, что эти стабилизаторы греются из-за внутреннего сопротивления. Чем больше перепад между входом и выходом, тем больше нагрев. Ведь лишнее напряжение эти стабилизаторы гасят на себе.
Интегральные стабилизаторы бывают с общим минусом LM78**, или с общим плюсом LM79**. На месте звездочек находятся цифры указывающие напряжение стабилизации. Например LM7905 — общий плюс, напряжение стабилизации -5 В. Еще один пример LM7812 — общий минус, напряжение стабилизации 12 В. А теперь посмотрим распиновку, или назначение выводов интегрального стабилизатора.
Ремонт блока питания светодиодной ленты
Многие блоки питания, рассчитанные на среднюю и большую мощность (30 и более Вт), построены на интегральном драйвере со встроенным силовым ключом, типа KA5l0365, FSDH065RN и т.д. Такие решения применяются и в бытовой технике, например, в блоках питания DVD проигрывателей. Такие микросхемы взаимозаменяемы, стоит только определить цоколевку сгоревшего чипа и установить тот, который вам удалось найти.

Для ремонта блока питания для светодиодной ленты на 12В (и не только), схема почти не изменяется. Нужно совершить подключение подобно тому, что изображено ниже. Разумеется, с учетом распиновки.

Более сложные и надежные блоки построены на ШИМ-контроллерах:
- TL494;
- KIA494AP;
- MB3759;
- KA7500;
Они аналогичны, ниже схема блока питания для светодиодной ленты с их использованием:

ШИМ-контроллер расположен в нижней части схемы, с помощью P1 (справа на схеме) осуществляется регулировка. Подбирая его величину, можно добиться нужного напряжения на выходе, чем-то похоже на регулировку 431 стабилизатора.
Даже если на вашем блоке нет потенциометра или подстроечника, вы можете его установить самостоятельно, заменив постоянный, аналогично приведенной мной схеме.
При ремонте смотрите на сигнал на выходе ШИМ, силовые ключи Т12 и Т13 подключенные к выводам 8 и 11 TL494.
На картинке ниже более наглядно изображена регулировка, потенциометр подключается к 1 вывод ИМС.

Таким образом вы можете своими руками экспериментальным путем сделать питание для светодиодной ленты из любого БП на 494 ШИМ-контроллере.
Практически все блоки питания можно своими руками перенастроить в узких пределах на необходимое напряжение питания светодиодной ленты. При этом вы обойдетесь минимальными затратами.
Преимущество импульсных источников питания перед линейными
Лабораторный блок питания своими руками
В источниках питания на импульсной основе видны целый ряд преимуществ, которые качественно выделяют их от линейных. Вот основные из них:
- Значительное снижение габаритов и массы устройств;
- Уменьшение количества дорогостоящих цветных металлов, таких как медь, используемых в их изготовлении;
- Отсутствие проблем при возникновении короткого замыкания, в большей степени это касается обратноходовых устройств;
- Отличная плавная регулировка выходного напряжения, а также его стабилизация путём введения обратной связи в ШИМ-контроллеры;
- Высокие показатели КПД.
Однако, как и всё в этом мире, импульсные блоки имеют свои недостатки:
- Излучение помех, которые могут появляется при неисправных помехоподавляющих цепочек, чаще всего это высыхание электролитических конденсаторов;
- Нежелательная работа их без нагрузки;
- Более сложная схема с применением большего количества деталей для поиска аналогов которых необходим справочник.
Применение источников питания на основе высокочастотной модуляции (в импульсных) в современной электронике как в быту, так и на производстве, существенно повлияли на развитие всей электронной техники. Они давно вытеснили с рынка устаревшие источники, построенные на традиционной линейной схеме, и в дальнейшем будут только усовершенствоваться. ШИМ-контроллеры при этом являются сердцем этого аппарата и развитие их функциональности и технических характеристик постоянно улучшается.





























