Разновидности промышленных моделей
Многие аппараты представлены универсальным оборудованием, которое может применяться для сверления не только по металлу, но и другим материалам. Выделяют следующие разновидности сверлильных станков:
- Настольный тип. Эта группа характеризуется компактными размерами и незначительным весом. Область применения — получение небольших диаметров.
- Колонные станки устанавливаются в случае налаживания единичного и мелкосерийного производства. При их применении можно получать отверстия, диаметр которых от 18 до 75 мм.
- Радиально-сверлильные аппараты применяются для обработки массивных деталей. При этом получаемые отверстия могут быть расположены строго по дуге окружности с заданным шагом. Отличительной чертой компоновки назовем достаточно большой вылет шпиндельного узла за пределы конструкции.
- Координатно-сверлильные конструкции получили широкое применение в случае, когда нужно получить заготовку с точным расположением отверстий относительно друг друга.
- Центровальные модели предназначены для обработки торцевых отверстий. Подобная конструкция характеризуется большим расстоянием между рабочим столом и шпиндельной бабкой.
- Горизонтально-сверлильные станки предназначены для обработки валов и осей, а также штоков и других подобных изделий. Особенности компоновки позволяют получать отверстия значительной глубины.
- Многошпиндельные конструкции могут применяться для одновременного получения нескольких отверстий. При этом они могут быть расположены в различных плоскостях.
- Комбинированные аппараты обладают компоновкой, которая позволяет проводить сразу несколько различных операций: сверление, фрезерование, долбление и так далее.
В последнее время большое распространение получили конструкции, которые работают под контролем ЧПУ. Они применяются для получения наиболее сложных высокоточных изделий.
Сфера применения мини дрели
Минидрель можно часто встретить в наборах мастеров, которые занимаются ремонтом компьютерной техники, сложного технического оборудования, или электриков, выполняющих монтаж систем видеонаблюдения и пожарной сигнализации. Для проведения подобных действий этот инструмент незаменим, так как классическая дрель или шуруповерт не способны зажать такое тонкое сверло в своем патроне, к тому же обороты и усилие этих приборов в разы выше необходимого номинала.
Существуют миниатюрные дрели, работающие от постоянного или переменного тока, а также от сжатого воздуха. Подобные детали можно встретить в стоматологическом кабинете, так как применение электроинструмента в данных условиях недопустимо.

Мини дрель стоматолога
Мини дрели широко применяются для следующих целей:
- Проделывание отверстий в пластиковых формах и листах, основах для микросхем и других изделий. Конечно, толстый металл инструмент просверлить не сможет, но для обработки листа до 1 миллиметра он прекрасно подходит;
- Закручивание и откручивание шурупов с мелкой шляпкой и резьбой. Такие крепежи встречаются в основном в оргтехнике, щитках электропроводки на автоматических выключателях, а также в электродвигателях малого размера и мощности;
Важно! Во время такого использования нужно снизить обороты дрели до минимума, иначе можно сточить шлицы биты или повредить гнездо шляпки шурупа
- Маленькие дрели, имеющие специальные насадки, могут использоваться в качестве гравера или шлифовальной машинки, для чего в их патрон устанавливаются шарообразные наконечники с рифленой поверхностью. В процессе вращения насадка обтачивает деталь или делает нужный рисунок, для улучшения результата и, чтобы не перегреть поверхность, рекомендуется использовать масленую эмульсию, понижающую трение.
Данные сферы, в которых используется мини дрели, являются основными, но кроме них, широкое распространение получили подобные инструменты в бытовой жизни, например, при обработке двух склеиваемых изделий из пластика или стекла. При подготовке стыка оба изделия зашлифовываются, после чего поверхность подгоняется таким образом, чтобы куски плотно прилегали друг к другу.

Мини дрель фабричного производства
Основное предназначение
Сверление самых разных отверстий в быту осуществляется, как правило, при помощи ручной дрели, которая есть в домашней мастерской у каждого мастеровитого хозяина.
Между тем, даже дома не всегда можно добиться необходимого результата за счет использования обыкновенной дрели.
В этом случае встает вопрос сделать мини вертикально-горизонтальный сверлильный станок для дерева и металла своими руками.
Такой универсальный агрегат просто необходим тем, кто занимается радиоэлектроникой для сверления небольших отверстий печатных плат, чего нельзя сделать при помощи ручной дрели.
При помощи него очень просто выполнить рассверливание и зенкеровку, а также при необходимости нарезать резьбу.
Если дополнительно установить на него фрезерный узел, то возможности агрегата еще больше расширятся.
Фрезерный узел даст возможность выполнять самые разные несложные операции по вертикально-горизонтальной фрезеровке самых разных материалов.
Присадочный мини сверлильный агрегат для сверления печатных плат можно сделать из самой обыкновенной дрели, однако для решения более сложных задач потребуется более сложное в конструктивном плане устройство, тот же фрезерный узел.
ВАЖНО ЗНАТЬ: Выбор ступенчатого сверла по металлу
Любой профессиональный агрегат для сверления состоит из нескольких обязательных элементов, к которым можно отнести такие, как сверло, зенкер, метчик, а также развертку.
Видео:
Присадочный мини станок, собранный своими руками, также должен содержать все эти составляющие.
Если сверлильный станок своими руками будет собран по всем правилам, то домашний мастер сможет с легкостью, используя фрезерный узел, помимо сверления печатных плат, вырезать и расточить отверстие с необходимым диаметром, точно его притереть, а также выполнить ряд других специфических задач.
Перед тем, как приступить к сборке агрегата, рекомендуется тщательно изучить существующие типы сверлильных станков и понять основной принцип его работы.
На видео, которое размещено выше представлен самодельный агрегат для сверления в работе, который можно использовать и для сверления печатных плат.
Гибкий вал для бормашины своими руками
Если вам необходимо передать вращение мотора гравера, дрели или бора на насадку, то вам понадобится гибкий вал. Это устройство состоит из заключенной в гибкую броню проволоки, свитой в несколько слоев, и
сможет значительно расширить функционал ротационного инструмента. Собрать гибкий вал можно самостоятельно.
Для этого понадобится:
- Латунная трубка;
- Две втулки М4 с резьбой;
- Вал из электрода (диаметр 5 мм) с резьбой М5;
- Переходник с внутренней резьбы М5 и наружной М8 на 0,75;
- Быстрозажимной мини-патрон;
- Зажим из просверленного по оси болта М12;
- Защита для соединения.
Собираем гибкий вал. Для этого вставляем в латунную трубку вал из электрода и надеваем на обе стороны трубки втулки М4. С одной стороны трубки накручиваем на втулку переходник, а на него – мини-патрон. С обратной стороны трубки располагаем зажим, с помощью которого соединяем вал из электрода с гибким. Для удобства можно сточить на наждаке головки винтов на зажиме. Надеваем на зажим специальную латунную защиту, и фиксируем ее крепежами. Изолируем соединение. Гибкий вал готов! Для удобства со стороны патрона можно разместить хомут с пластмассовой ручкой.
Аналог фабричного дремеля

Чтобы сделать инструмент, аналогичный заводским моделям, используют электродвигатель на 12В. Такие моторы показывают высокую эффективность. Корпус обеспечивает удобство и защиту: оголенные провода не причинят вред здоровью.
Пошаговая инструкция изготовления мини-дрели из моторчика своими руками:
- Из водопроводной трубы вырезают кусок такой длины, чтобы инструмент удобно лежал в руке. Ее диаметр должен подходить двигателю.
- Чтобы дремель выглядел эстетично, из ПВХ или акрила делают торцевые заглушки. В передней части вырезают отверстие для вала, а в задней — выход для соединительных проводов и крепление кнопки включения.
- К контактам электродвигателя припаивают проводники. Для соблюдения полярности выбирают провода с изоляцией разных цветов.
- Двигатель фиксируют в пластиковом корпусе.
- К цепи припаивают кнопку включения и соединяют ее с блоком питания.
- Электродрель собирают в пластиковой трубке и закрывают заглушками с обеих сторон.
- На вал устанавливают сверлильный патрон и закрепляют сверло.
- Электродрель подключают к источнику питания и проводят тестовое сверление.
Обратите внимание! В качестве преобразователя напряжения используют блок питания от компьютера. Устройство выдает до 20А на 5В и 8А на 12В.
Мини-дрель в различных корпусах
Мини-дрелью будет гораздо удобнее работать, если поместить мотор и цангу в какой-либо корпус. Для этого подойдет пластиковый корпус от антиперспиранта, например.
Преимуществом использования пластикового корпуса является возможность прикрепить к маленькой дрели кнопку включения/выключения, сделав тем самым инструмент еще более удобным в использовании.
Для изготовления такого инструмента в корпус нужно поместить моторчик и цангу. В крышке антиперспиранта необходимо сделать отверстие для сверла или верхней части цанги (в зависимости от размеров корпуса).
Для большего удобства провода от моторчика можно припаять к отдельному разъему и вывести его через днище корпуса.
Это дает возможность хранить инструмент не подключенным все время к батарейкам или блоку питания. Кнопку для включения/выключения мини-дрели можно вынуть из старого удлинителя, подключить к проводам и вывести на корпус антиперспиранта.
Чтобы устройство внутри корпуса не болталось, его можно закрепить при помощи пластилина или термоклея.
Таким образом, получается удобная небольшая дрель с кнопкой, которой гораздо удобнее работать, чем просто держа в руках моторчик с цангой.
Принцип сборки инструмента точно такой же – оголяется вал двигателя, на него одевается цанга или старый патрон от дрели, и можно сверлить отверстия. По такой же схеме собирается мини-дрель из старого блендера.
Более удобным вариантом для сборки мини-дрели своими руками будет использование клеевого пистолета.
Он уже имеет в своем корпусе удобную рукоятку, мотор и провод питания от электросети. Необходимо убрать переднюю часть пистолета и прикрепить к мотору патрон.
Клеевые пистолеты бывают довольно мощными, что дает возможность использовать сверла большего диаметра.
Рукоятка позволяет удобно держать инструмент в руках, выставляя сверло перпендикулярно поверхности.
Таким образом, своими руками можно собрать менее мощный аналог шуруповерта, который вполне может использоваться не только вместо отвертки, но и как мини-дрель.
Фантазия народных умельцев бесконечна, и существует множество способов, как можно изготовить удобную мини-дрель своими руками.
Существует вариант поместить мотор и цангу в обычную пластиковую бутылку небольшой емкости.
Но одним из самых оригинальных вариантов является использование старой зубной щетки с моторчиком.
Для изготовления инструмента нужно убрать щетину и оголить вал моторчика, затем по вышеописанной схеме на него одевается цанга, и мини-дрель готова.
Оригинальностью отличается использование в качестве корпуса для маленькой дрели шариковой ручки, но мощность такого устройства крайне мала.
Мини-дрель можно приобрести в строительном магазине, но ее стоимость заставляет многих импровизировать и собирать инструмент из подсобных деталей.
Для изготовления мини-дрели понадобится маломощный моторчик, который можно взять в каком-либо электрическом бытовом приборе, старый патрон от дрели или цанга, которую можно очень дешево купить, провода, термоклей и источник питания.
Если позволяет свободное время и хочется иметь более удобный инструмент, то можно поместить мини-дрель в какой-то пластиковый корпус, установить кнопку включения/выключения.
Предметов для использования в качестве корпуса огромное множество, что позволяет собрать удобную мини-дрель своими руками с легкостью.
Для того, чтобы сэкономить средства и не сомневаться в эффективности и надежности электрооборудования, современные умельцы наловчились делать электроинструменты в домашних условиях. Своими руками, сегодня, можно собрать ручную микро-электродрель, высокочастотную бормашину и не только. Как сделать ротационные инструменты и комплектующие к ним – читайте ниже.
Экономный вариант без корпуса
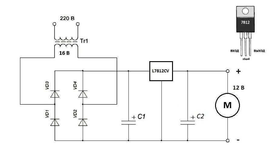
Переходим к созданию мини дрели с минимальными затратами. Не покупаем ничего, кроме собственно моторчика (хотя и его можно бесплатно найти в старой технике). Большинство компактных электродвигателей рассчитаны на постоянное напряжение 12 вольт. Под него и создаем блок питания.
Поскольку никаких дополнительных опций не будет (регулятор оборотов, стабилизатор напряжения), блок питания стабилизируется постоянной нагрузкой. Типичный 12 вольтовый микродвигатель работает с током, не превышающим 2 ампера. Простой расчет показывает, что мощность на выходе должна быть 24 Вт. Добавляем 25% на потери при выпрямлении, получаем трансформатор 30 Вт.
Чтобы получить 12 вольт под нагрузкой, с вторичной обмотки необходимо снять 16 вольт. Изготовить такой трансформатор можно за час, из любого ненужного блока питания. Далее – выпрямительный мост на любых диодах: например, 1N1007.

Нашему мотору ни к чему пульсации выпрямленного напряжения, поэтому на выходе подключаем электролитический конденсатор на 25 вольт емкостью около 1000 мкФ. Он будет сглаживать выходной ток. Несмотря на простоту, такой тандем работает устойчиво, с одним лишь недостатком: при повышении нагрузки напряжение падает. То есть, при равномерном вращении – блок питания выдает 12 вольт. А если вы сверлите «тяжелый» материал – надо следить за оборотами, не давая им опуститься. Иначе вал просто остановится.
Можно немного усложнить схему блока питания, добавив подходящий стабилизатор напряжения. Например, КР142ЕН8Б или L7812CV.

В этом случае падения напряжения при нагрузке на сверло не будет.
Далее нужно изготовить достаточно точный элемент конструкции – патрон для сверла. Не хотите тратить деньги на фабричный цанговый зажим – подойдет любая втулка. Все зависит от сферы применения мини дрели:
Если вы будете сверлить только текстолит печатных плат – смена сверла не потребуется. Значит крепим его стационарно. Переходную втулку можно сделать из чего угодно: трубка от телескопической антенны, игла от медицинского шприца, стержень от гелевой авторучки.

Учитывая миниатюрность конструкции, никакие зажимы не нужны. Все можно закрепить клеем или скотчем.
При универсальном использовании дрели, подразумевающим смену сверла или установку иных насадок, правильнее будет приобрести универсальный цанговый патрон.

Можно использовать стандартный кулачковый патрон, установив его на вал с помощью переходной втулки.

Исполнение корпуса зависит только от вашей фантазии. Большинство мастеров оставляют «голую» утилитарную конструкцию: напряжение питания безопасное, размеры моторчика позволяют удерживать его в руках без корпуса.

Если хочется элементарной эстетики – вариантов множество: и все они условно бесплатны.

Самодельный инструмент не просто экономит финансовые средства. Его можно изготовить в точности под ваши задачи, в отличие от универсальных фабричных вариантов.
При решении различных бытовых и радиолюбительских задач зачастую удобно использовать мини-дрель. Такое устройство позволяет значительно экономить время на сверление отверстий при помощи шила или других подручных средств, с куда меньшим риском сломать какую-либо деталь. Да и результат работы получается несоизмеримо лучше – с ровной поверхностью цилиндрической формы. Главным камнем преткновения в работе таким устройством является высокая себестоимость качественной модели, поэтому многие задаются вопросом, как сделать мини дрель своими руками.
Второй вариант — Самостоятельная сборка (2 видео)
Если поставлена задача — сделать своими руками миниатюрный инструмент, то необходимо изначально подобрать электропривод. В качестве электропривода подойдет моторчик от различных устройств – принтера, старого кассетного магнитофона или от обычной детской электрифицированной игрушки.
В зависимости от мощности электродвигателя можно строить мини болгарку по двум направлением. Первое направление – это использование сетевого источника питания. Например, от старого мобильного телефона. Второе направление предусматривает полностью автономную модель из моторчика, который будет приводиться в действие от батареек или аккумуляторов.
Разница между двумя направлениями в конструкции корпуса. В первом случае место потребуется только для электродвигателя, а во втором надо будет установить батарейный отсек.
Для корпуса очень удобно применить отрезок трубы ПВХ. Если ее диаметр несколько больше диаметра электродвигателя, то на двигатель можно подмотать изоленту. Закрепить двигатель можно с помощью клеевого пистолета.
В качестве заглушек можно использовать пробки, которые одеваются на трубы ПВХ при транспортировке и хранении. В передней пробке необходимо проделать отверстие под вал двигателя, а в задней под провод питания. На корпусе надо закрепить разъем подключения питания и выключатель.
Идеальным вариантом будет возможность закрепить на валу какой-нибудь цанговый зажим. Это позволит использовать стандартные боры, сверла и нестандартные мини фрезы и диски. Если установить цанговый зажим не получится, то можно соединить вал и режущий инструмент с помощью двойного контакта из электрической колодки.
Подобным путем можно изготовить корпус и для мини болгарки с автономным питанием. Только после установки в него двигателя, необходимо установить и блок батарей. Провода от батарей будут подключаться через выключатель, установленный на корпусе.
В обоих случаях на мини болгарках можно использовать и самодельный инструмент и стандартный промышленный – боры и сверла.
Процесс изготовления мини дрели
Схема регулятора оборотов для мини дрели.
Начнем выполнение работы с корпуса вашего инструмента. Им будет служить баночка от мыльных пузырей. Думаю, каждый сможет найти ее у себя дома, особенно те, у кого есть дети. Дно у банки отрезаем, а на крышке проделываем отверстие для проводов. Основание готово.
Далее займемся моторчиком. Его можно взять из детской игрушки (например, машинки). Также функцию мотора может выполнить 9-вольтовый двигатель от кассетного магнитофона (если такой у вас еще завалялся) или моторчик из автомагнитолы.
Теперь вам нужно соединить патрон и моторчик. Для этого мотор обезжирьте спиртом и прикрепите к патрону с помощью горячего клея. Если после этого конструкция будет неустойчивая, будет проявляться вибрация, то вместо горячего клея нужно будет воспользоваться холодной сваркой. Она выглядит, как пластилин. Этим веществом вам нужно будет соединить мотор и патрон. Делайте это быстро, так как холодная сварка почти мгновенно застывает и становится, как железо.
Соединенный патрон и моторчик следует засунуть в баночку из-под мыльных пузырей через прорезанное дно так, чтобы провода выходили через отверстие на крышке банки (то есть мотором вперед).
Когда будете засовывать моторчик в баночку, смажьте его термоклеем, чтобы он лучше держался.
Провода аккуратно высуньте в щель. Мини дрель почти готова.
Далее вы должны припаять провода питания и моторчика. Обеспечьте полную изоляцию всех проводов, которые находятся в крышечке от банки. Для этого вы можете обклеить их термическим клеем. Теперь ваша мини дрель своими руками готова. Вам осталось просто прикрутить крышечку к основе баночки. Такую мини дрель вы можете использовать как через блок питания, так и с помощью аккумуляторных батареек. А это делает этот инструмент мобильным, так как иногда вам нужно просверлить дырку, а розеток под рукой нет.
Совет тем, кто любит самоделки: выбирая патрон, не берите цанговые, так как они не практичные в замене. Чтобы сменить в цанговых сверло, нужно поменять полностью всю кассету.
Что может данный инструмент
Первоначально следует отметить, что мини-дрель представляет собой компактное устройство, оснащенное маломощным моторчиком, а также шпинделем для закрепления сверл, кнопкой включения и регулятором оборотов. Самодельная мини-дрель еще называется бормашиной, шлифовальной машиной или «Дремель».
Название «Дремель» миниатюрная дрель получила по причине того, что именно фирма под названием «Dremel», впервые выпустила такой инструмент. Мини дрели – это инструменты, которые представляют из себя пластиковую конструкцию, внешне похожую на машинку для стрижки. На торцевой части такого инструмента находится шпиндель, которые позволяет закреплять различные насадки, в том числе и маленькие абразивные круги. Главными задачами, которые возлагаются на мини-дрель, являются:
- Просверливание мелких отверстий, для чего применяются соответствующие сверла.
- Фрезерование.
- Резка, зачистка, заточка и доводка материалов.
- Нанесение мелких узоров.
- Гравировка, полировка и шлифование.

Все эти задачи выполняются благодаря специальным насадкам, которые имеются в комплекте к бормашине под маркой Dremel.
Такая частота вращения шпиндельной головки мини дрели говорит о том, что инструмент может работать даже без необходимости закрепления заготовки в неподвижном состоянии, что делается при сверлении обычными дрелями с целью исключения вырывания ее из рук. Закрепление различных насадок осуществляется с помощью специального патрона с цанговым механизмом. Диаметр патрона из цанги составляет от 1 до 3 мм, что позволяет осуществлять работы в самых труднодоступных местах.

Мини дрель своими руками
Если есть потребность в применении мини-дрели, но при этом нет финансов или желания тратиться на приобретение заводского изделия, то инструмент можно сделать самостоятельно. Сделать своими руками мини дрель – это не только легко, но еще и приятно, так как для такой самоделки практически ничего не нужно покупать. Все конструктивные части можно найти в гараже среди старых магнитофонов. Рассмотрим особенности изготовления простейшей модели мини-дрели своими руками.
Для начала понадобится отыскать старый, но рабочий моторчик от магнитофона. Такие моторчики обычно работают от постоянного напряжения 6В, поэтому обязательно понадобится и элемент питания. Цанговый зажим можно выточить на станке, но гораздо проще заказать патрон на любом ресурсе. В качестве корпуса можно использовать пластиковую баночку из-под шампуня или фурнитуру полипропиленовой системы отопления. Когда все элементы имеются в наличии, приступаем к следующим действиям:

- К моторчику необходимо припаять два проводка, по которым будет подаваться питание и регулятор оборотов(если нужен).
- Установить-закрепить мотор в корпус(трубку и т.п.).
- Установить в корпус выключатель, регулятор и разъем подключения питания.
- Собрать корпус(установить заглушки).
- В цанговом патроне необходимо зафиксировать сверло требуемого диаметра.
- Патрон фиксируется на валу моторчика, для чего используются болтики для зажима.
После этого остается приступить к испытанию данного устройства.

Выше рассмотрен простейший вариант изготовления самодельной бормашины для обработки мелких деталей. Вариантов для изготовления таких устройств множество, но все они основываются на использовании моторчиков от старых магнитофонов. Если же планируется пользоваться изделием постоянно, то лучше отдать предпочтение заводским моделям, которые в комплекте оснащаются порой всем необходимым расходным материалом.

К преимуществам самодельной мини-дрели следует отнести:
- Минимум затрат на изготовление аппарата. Потребуется только отыскать или приобрести цанговый патрон.
- Простейший вариант конструкции получается еще меньшего размера, чем заводские устройства.
- Изделие очень удобное в использовании и управлении.
- Имеет уникальный вид и стильный дизайн, так как изготовитель сам дополняет свое творение различными элементами.
Подключаем питание и начинаем работу
Подводя итог, немаловажно подчеркнуть потребность человека в таком инструменте, как мини-дрель. Ведь с ее помощью можно не только сверлить печатные платы, но еще и использовать для шлифования различных деталей, которые окислились или взялись коррозией, предавая им первозданную внешность. Советуем почитать про самодельную мини-болгарку
Советуем почитать про самодельную мини-болгарку.
Мини электродрель своими руками – очень просто и быстро
И вновь, Всем доброго дня, Уважаемые энтузиасты самодельных устройств, инструментов и других механизмов.
Сегодня с удовольствием хочу поделиться с Вами, простым способом изготовления несложного, бюджетного варианта изготовления мини электродрели. Затем с Вами рассмотрим, выявленные плюсы и минусы, получившегося изделия. Мини дрель получила широкое распространение и применяется для выполнения невероятно большого объема задач в домашних условиях, гараже, на даче или ремонте. Мини дрель применяется для самых различных мелких работ. В частности, используется для сверления электрических печатных плат, обычная электрическая дрель для таких работ совершенно не годится. Мини дрель, оснащенная специальными насадками, вполне может применяться в роли гравера, либо шлифовальной машинки или фрезера. Для использования ее в данном качестве используются специальные насадки с шероховатой рабочей поверхностью. В процессе работы насадка обрабатывает деталь либо наносит необходимый рисунок на обрабатываемое изделие. Разумеется, толстое железо мини дрель не осилит, но отверстие в металлическом листе толщиной до одного миллиметра, просверлить силенок вполне хватит. Вариантов изготовления мини-дрели собственными руками, невообразимое множество. Все укладывается в ваш полет воображения, фантазии и сдерживается исключительно имеющимеся в наличии у вас комплектующими для изготовления дрели. Так что ваши фантазии ограничиваются только вашими закромами запчастей. Сердцем любой мини дрели служит небольшой, но достаточно мощный электро двигатель. Так же для изготовления нашей мини дрели потребуется цанговый патрон (цанговый патрон – это разновидность сверлильных патронов. Они удерживают сверло в дрели во время процесса сверления. От качества цангового патрона и соответственно крепления сверла к электродвигателю зависит качество выполняемой работы электро дрели. Поэтому к выбору цангового патрона следует подойти со всей ответственностью), качественно цанговый патрон изготовить своими силами в домашних условиях довольно проблематично, так, что его лучше приобрести в магазине . Стандартные патроны (с цангами под сверла диаметром от 0,5 до 3,2 миллиметра) можно найти в любом интернет магазине по доступной цене, цена варьируется от 100 до 150 российских рублей
Немаловажной деталью мини дрели, где размещаются и крепятся все комплектующие является корпус. Вариантов множество, в нашем случае используется трубка из фановой трубы, внутренний диаметр которой, как нельзя лучше совпал с наружным диаметром электро двигателя
При фиксации в корпусе двигатель встал практически без зазоров
Соединительные электрические провода – подбираются исходя из мощности дрели, но в связи с тем, что мы используем электродвигатель с невысоким потреблением мощности, подбираем электрические изолированные провода небольшого сечения. Для качественной пайки электрической схемы нам будут нужны кислота для пайки и оловянные прутки, паяльник или соединительные разъемы. Мини дрель самостоятельно может собрать практически любой начинающий самодельщик энтузиаст. Дело за желанием и усидчивостью. Как всегда о соблюдении техники безопасности, при работе с инструментами повышенной опасности. Работайте аккуратно. Соблюдая все правила техники безопасности. Не пробуйте электричество языком на вкус, не суйте пальцы куда собака не сует свой хвост. Перед любым действием, включайте мозг. И тогда, поверьте на слово, у каждого члена вашей дружной семьи, включая собачку, будет по собственной мини дрели
При фиксации в корпусе двигатель встал практически без зазоров. Соединительные электрические провода – подбираются исходя из мощности дрели, но в связи с тем, что мы используем электродвигатель с невысоким потреблением мощности, подбираем электрические изолированные провода небольшого сечения. Для качественной пайки электрической схемы нам будут нужны кислота для пайки и оловянные прутки, паяльник или соединительные разъемы. Мини дрель самостоятельно может собрать практически любой начинающий самодельщик энтузиаст. Дело за желанием и усидчивостью. Как всегда о соблюдении техники безопасности, при работе с инструментами повышенной опасности. Работайте аккуратно. Соблюдая все правила техники безопасности. Не пробуйте электричество языком на вкус, не суйте пальцы куда собака не сует свой хвост. Перед любым действием, включайте мозг. И тогда, поверьте на слово, у каждого члена вашей дружной семьи, включая собачку, будет по собственной мини дрели.






























