Как сделать выключатель для бра: варианты
В настоящее время, достаточно часто встречаются осветительные приборы, которые великолепны в плане дизайнерского исполнения, но совершенно не продуманы с технологической точки зрения. Многие из них, оснащены только несколькими проводами и не имеют никаких устройств для управления светильником.
Для того чтобы управлять осветительным прибором, необходим сделать выключатель, который позволит не только включать и выключать устройство, но и управлять интенсивностью освещения.
Варианты выключателей:
- Провод с вилкой;
- Сонетка;
- Клавишный выключатель.
Достаточно часто, после завершения ремонтных работ в доме, докупаются осветительные приборы и устройства. И чтобы не занимать переделками, можно подключить светильники при помощи шнура с вилкой. Важным условием для этого, является наличие розетки.
Подключение можно осуществить двумя способами. Использовать только вилку и провод, а управление осветительным прибором осуществлять, используя вилку. Но так как это не совсем удобно, рекомендуется приобрести провод с вилкой в схему которых встроен выключатель.
Для придания эстетичности, можно использовать сонетку или обычный веревочный выключатель. Но для его монтажа, необходимо продумать способ монтажа данного устройства к осветительному прибору.
Если есть возможность произвести установку выключателя согласно типу проводки, то в этом случае, лучшим вариантом будет подключить осветительный прибор через клавишный выключатель или диммер. Диммер позволит управлять интенсивностью светового потока.
Схема подключения бра с веревочкой с одной и двумя лампами
Настенный светильник бра может использоваться для освещения на кухне, в спальне и даже в ванной комнате. На сегодняшний день существует несколько способов подключения данного устройства. Разница между ними в следующем:
- одна либо несколько ламп в бра;
- питание должно осуществляться напрямую от электропроводки;
- питание должно осуществляться от розетки с помощью вилки;
- разъединение цепи происходит от клавиши на стене;
- разъединение цепи происходит от веревочного выключателя (цепочки либо как его еще принято называть — выключатель-шнурок).
Подробно рассмотрим схемы подключения бра каждого из вариантов. Если светильник имеет одну лампочку, от нее будет выведено 2 провода: фаза и ноль. Чтобы правильно подсоединить их, рекомендуем изначально ознакомиться с цветовой маркировкой проводов. 
Итак, фазу от лампочки соединяем с выключателем (в нашем случае веревочным), после чего от выключателя-шнурка проводник ведется к вводной фазе. Ноль (изоляция синего цвета) соединяем напрямую с вводным нулем.
К Вашему вниманию наглядная схема подключения бра с веревочкой и с одной лампочкой:
Если светильник имеет 2 либо больше источников света, то количество контактов увеличиться. К примеру, из двух ламп будет выходить 4 провода (как видно на картинке).

Электрическая схема подключения бра с двумя лампами будет иметь вид:
Обращаем Ваше внимание на то, что вид выключателя света на схему соединения никак не повлияет. Главное – подводить на разрыв фазный проводник, а не нулевой! Для проекта, предоставленного выше, разумнее будет осуществлять подсоединение к двойной модели. Что касается различия в источнике питания (розетка либо электропроводка в стене), то тут тоже все довольно просто
Со стены, как и с вилки, выходят два контакта (на фото ниже видно). Все что Вам нужно сделать – правильно соединить жилы (фаза к фазе, ноль к нулю)
Что касается различия в источнике питания (розетка либо электропроводка в стене), то тут тоже все довольно просто. Со стены, как и с вилки, выходят два контакта (на фото ниже видно). Все что Вам нужно сделать – правильно соединить жилы (фаза к фазе, ноль к нулю).


Вот и вся схема подключения бра своими руками. Надеемся, что данная информация была для Вас доступной и полезной!
Напоследок рекомендуем просмотреть полезное видео, в котором демонстрируется инструкция по сборке светильника:
samelectrik.ru
Подготовка к работе
Перед тем, как повесить бра на стену, нужно подготовить необходимый инструмент и материалы, выбрать место установки, место подключения к проводке, также не стоит забывать про технику безопасности.
Необходимый инструмент
Для подключения настенного светильника понадобятся:
- Плоскогубцы;
- Отвертки;
- Монтажный нож;
- Индикаторная отвертка;
- Изолента или термоусадочная трубка;
- Уровень;
- Карандаш;
- Рулетка.
Для крепления источника света на бетонную стену:
- Перфоратор с буром 6мм;
- Дюбель гвозди 6х40;
Для крепления в гипсокартон:
- Шуруповёрт или дрель;
- Крепление типа «бабочка».
Элементы крепежа
Почему именно 6х40? Потому что это идеальный типоразмер для кирпичных или железобетонных стен. Его используют монтажники натяжных потолков, шкафов купе.
Техника безопасности
Все электромонтажные работы должны производиться с отключенным напряжением. Перед началом работ нужно отключить автоматический выключатель либо всей квартиры, либо группы, на участке которой производится монтаж. После этого нужно убедиться в отсутствии напряжения с помощью индикаторной отвертки, и только после этого начинать подключение бра
Важно понимать, что проверка отсутствия напряжения с помощью мультиметра может нет дать результата, если будет разорван ноль
При работе с перфоратором нужно надеть перчатки и защитные очки. Для того, чтобы избежать распространения пыли по комнате, можно попросить помощника подержать рядом с местом сверления шланг работающего пылесоса, это сэкономит много времени на уборку.
При снятии изоляции кабеля монтажным ножом, нужно следить, чтобы на линии реза не находились пальцы. Нож может сорваться, порезать кожу и тогда монтаж придется отложить. Также в процессе не нужно слишком глубоко углублять нож, чтобы не повредить изоляцию жил.
При снятии изоляции с жил важно их не повредить. Лучше использовать специальный инструмент
Например, клещи для снятия изоляции (КСИ), в простонародье – ксюхи. Если используется многожильный кабель, то зачищенные концы лучше пропаять или же запрессовать специальный наконечник.

Клещи снятия изоляции и наконечник
Как выбрать место для бра
Если в квартире или доме используется скрытая проводка, то место установки должно планироваться заранее, также заложена электропроводка. В таком случае монтаж бра на стену следует осуществлять в месте выхода проводов. Это будет также красиво, с точки зрения дизайна.
Если электропроводка открытого типа, то довести провода до места установки можно от ближайшей распределительной коробки.
Обычно настенные бра устанавливают у кровати, в ванной, в детской комнате. Если кровать двуспальная, то устанавливаются два светильника, с каждой стороны. В ванной комнате бра часто устанавливают в качестве основного освещения, с двух сторон от зеркала.
Высота установки бра на стену обычно находится в диапазоне 1 – 1,5 м. Если светильник ставится у изголовья кровати, то оптимальной высотой будет рост сидячего человека плюс 30 см. Если место установки — это ванная комната, то светильники вешаются у верхнего края зеркала. Если бра используется, как подсветка в прихожей, то лучше повесить его на уровень 2 метра, чтобы исключить случайное повреждение.
Настенные светильники в прихожей
Ищем фазу и ноль
При подключении бра любого типа, с выключателем или диммером, важно, чтобы размыкался именно фазный провод. Это позволит безопасно менять лампу
Поэтому надо определить фазу и ноль в месте подключения в домашней сети. Если монтаж электропроводки выполнен цветным проводом, то красный или белый провод как правило фазный. Желто-зелёная жила – это заземляющий проводник. А нулевой обычно синий или черный. В любом случает, полагаться на цветовую маркировку не стоит, лучше убедиться в том, какой провод фазный с помощью индикаторной отвертки.
Не следует забывать о технике безопасности. Поэтому сначала отключается напряжение. Зачищаются концы проводов и разводятся в разные стороны, чтобы исключить короткое замыкание. Затем подается напряжение и индикаторной отверткой проверяются провода. Фазный провод надо отметить маркером. Перед тем, как подключать провода, напряжение отключается.
Цветовая маркировка провода
В старых домах используется двухпроводная система электропроводки, заземляющий проводник отсутствует.
Подготовительный этап
Думая о том, как подключить настенный светильник, пользователь не всегда помнит о подготовительном этапе. Понадобится ряд расходных материалов, а также основной набор инструментов. Прежде всего, это:
- дрель и сверла (с учетом материала стен);
- дюбеля и шурупы;
- отвертки разного размера;
- индикаторная отвертка (индикатор фазы);
- плоскогубцы и нож (для зачистки проводов);
- уровень;
- карандаш;
- лестница-стремянка (нужна не всегда).
Светильник на стену, как правило, прикрепляется к стене посредством специальной фиксирующей пластины или ряда отверстий, находящихся непосредственно в корпусе
Важно максимально точно разметить отверстия, выровняв осветительное устройство в соответствии с показаниями уровня или применив лазерный нивелир. Второй вариант позволяет существенно облегчить процесс, оперативно выровняв как сам бра, так и удерживая на единой высоте точки размещения электрофурнитуры по периметру всего помещения
Сверление отверстий
Поскольку строительные материалы имеют различные прочностные характеристики, необходимо правильно подобрать тип сверла и инструмент. К примеру для бетона хорошо подойдет перфоратор, а для кирпичной стены — ударная дрель. Если стена из гипсокартона, пластика или древесины, то оптимальным решением станет обычная дрель невысокой мощности. Чтобы сократить количество пыли в помещении, при сверлении отверстий можно приложить к обрабатываемой зоне шланг функционирующего пылесоса. Тогда все мелкие частицы, образующиеся при эксплуатации электроинструмента, будут поглощены им и не засорят окружающее пространство.
Фиксация крепежа
Масса относительно небольшого настенного бра, как правило, невелика. Поэтому, прикрепить его можно путем использования стандартных металлических саморезов и дюбелей из пластика, размеры которых должны соответствовать друг другу. Диаметр сверла подбирается с учетом диаметра дюбеля. Когда саморез входит в забитый в стену дюбель, последний расширяется, образуя надежную сцепку со стеной изнутри.
Нередко бра крепят в гипсокартонной стене с воздушной полостью внутри. В данном случае подойдет дюбель особой конструкции – “бабочка”. Внешне он мало чем отличается от привычного дюбеля, но после того, как в него входит саморез, происходит сближение одного конца крепежа с другим. В итоге, этот крепежный тандем преобразуется в супернадежный конструктив, обеспечивающий долговечную фиксацию бра в стене.
Как только дюбеля введены в стену через предварительно просверленные отверстия, к ней прикладывается светильник (или его монтажная часть), сквозь который вворачиваются саморезы. Для этой цели можно применить отвертку, шуруповерт работающий от аккумуляторов или даже электродрель. После того, как монтажная часть бра зафиксирована, к ней прикрепляются остальные элементы. По факту, сам настенный светильник – это ни что иное, как оригинальная крепежная арматура, в которую впоследствии вкручивается лампа.

Устройство
Любой осветительный прибор состоит из трех деталей:
- корпус;
- патрон (1 и больше);
- плафон (1 и больше).
Электрическая часть большинства обычных светильников состоит из проводов питания, подключенных к патрону, в котором установлена лампочка. Это основа, которая остается неизменной. При этом напряжение питания и род тока может отличаться в зависимости от типа установленных ламп.
Умные люстры и люстры с дистанционным управлением отличаются тем, что в их цепь добавлен приемник сигнала с пульта и устройство коммутации (включения) ламп. В зависимости от сложности лампы они могут не просто включаться и выключаться, но и, например, иметь возможность плавной регулировки яркости.
В люстре могут устанавливаться:
- галогенные лампы с напряжением питания 12 В;
- лампы на 220 В любого типа (если нет конкретных рекомендаций в инструкции);
- светодиодные лампочки постоянного тока, или отдельные светодиоды или сборки;
- возможно применение RGB-чипов для создания декоративной подсветки или светомузыки.
Если лампа просто включает и выключает свет, то используется блок реле с радиоуправлением. Если предусмотрена плавная регулировка, то для этого предусматриваются регуляторы переменного напряжения или ШИМ-контроллеры, для регулировки постоянного напряжения.
Итак, чаще всего электрическая часть люстры на пульте управления состоит из:
- Приемника управляющих сигналов. В зависимости от модели может работать в ИК-диапазоне, на радиочастотах, например, 433 МГц, по Wi-Fi или Bluetooth, в таком случае возможно управление со смартфона.
- Коммутационного прибора. Это устройство, на которое подаются команды от передатчика, оно включает лампу или группу ламп. Обычно этот узел конструктивно объединен с приемником.
- Групп источников света.
- Если используются низковольтные галогеновые лампы, светодиодные лампы или светодиодные сборки, то устанавливаются электронные трансформаторы, блоки питания на 12 В и светодиодные драйвера соответственно.
Радиореле на английском называются Wireless Switch. Чтобы найти эту деталь в корпусе люстры – ищите подобную надпись на корпусах блоков.
Схема
Давайте рассмотрим типовую схемы люстры с беспроводным управлением.
На иллюстрации изображена схема люстры 220 В с лампами – это самый простой вариант. Здесь нет никаких понижающих источников питания и преобразователей.
На этой схеме более наглядно изображено подключение дистанционного модуля на 4 группы ламп.
Обратите внимание, что в него выходит:
- 2 провода для подключения к сети;
- 5 проводов для подключения к нагрузке (зависит от количества групп, количество проводов на 1 больше чем количество групп – это общий ноль);
- 1 провод, который ни к чему не подсоединяется – это антенна, обычно белого цвета, но может и отличаться.
Нулевой провод – общий. Их два, один – для подключения к сети, другой – для подключения к нагрузке, их можно менять местами, на плате они припаяны к одной точке.
Внешний вид, на корпусе указана схема подключения:
Внутри такого модуля стоит плата:
Синие элементы – это реле. Это коммутирующие элементы, они подают напряжение на нагрузку. В них катушки на 12 В, для их питания реализована безтрансформаторная схема с гасящим конденсатором.
Вот вторая схема:
Это люстра с галогенными низковольтными лампами и светодиодной подсветкой. Один из самых распространенных вариантов. В средней части схемы для питания установлены (сверху вниз):
- Блок питания для светодиодов (Led transformer), но судя по схеме – это драйвер, к нему подключено 45 светодиодов на 3 В последовательно.
- 2 электронных трансформатора на 12 В для галогенных ламп (Electronic converter), к первому подключено 5 ламп на 12 В, а ко второму – 4. Эти лампы подключаются группами параллельно.
Обычный выключатель на одну лампу
Схема подключения лампы к обычному выключателю
Начинать следует с наиболее простого варианта, а потому имеет смысл начать с азов. При монтаже выключателя нужно помнить, что ставится он на разрыв фазного провода, следовательно, ноль будет идти напрямую на источник света. При установке выключателя на нулевой, контакты устройства могут быстро прогореть. Наверняка многие замечали, что при плохом контакте в розетке чаще всего подгорает ноль. Происходит это по причине большей нагрузки при прохождении тока именно на нулевом контакте.
Еще одна причина разрыва выключателем именно фазного провода – это возможность быстрого снятия напряжения с потребителя при возникновении внештатной ситуации, в то время как разрыв нуля не обеспечит обесточивания, а лишь разъединит цепь.
Главное правило – выполняются работы по монтажу электропроводки, выключателей и светильников строго при полностью снятом напряжении. При невозможности определения фазного провода по цвету допускается кратковременная подача электроэнергии с целью «прозвона». При этом необходимо предварительно убедиться в отсутствии замыканий оголенных проводов.
Как повесить светильник на стену из гипсокартона
Настенный светильник к стене из гипсокартона крепится практически так же. Просто есть некоторые нюансы, о которых речь пойдет далее:
- Для крепления светильника к гипсокартонной стене используйте специальные пружинные дюбели с шурупом или крюками. Они еще называются «зонтик». Ни в коем случае ни гвозди, так как дюбели сворачиваются в узел в стене и не проваливаются в просверленное отверстие, а гвозди лишь повредят ее.
- Помимо дюбелей необходимы специальные саморезы. Они должны быть следующего размера в зависимости от длины дюбеля + толщины монтируемых элементов светильника + 10 мм.

светильник, подвешенный к стене из гипсокартона
Вопросы безопасности при монтаже выключателей
Первое правило — мощность коммутатора должна превышать расчетную нагрузку как минимум в полтора раза. Контактная группа выдерживает определенный ток. При его превышении, металл будет подгорать, сопротивление возрастет. Помимо моргающего света, владельца ждут и более серьезные неисправности. Постоянное искрение в корпусе, может привести к расплавлению выключателя, и даже к его возгоранию.
Качество исполнения также имеет значение. Не следует выбирать продукцию малоизвестных брендов, и выключатели, выполненные по ТУ. На упаковке должна быть сертификация в соответствии с ГОСТ Р 50345–2010 (МЭК 60898–1), желательно ISO-9000. В дешевых подделках применяются некачественные контакты, которые быстро изнашиваются даже при допустимой нагрузке.
Следующие критерии не обязательны, но они также влияют на безопасность использования:
- прочный корпус
- надежная фиксация клавиш (они не должны перекашиваться и выпадать при переключениях)
- качественное крепление в стене
На последнем пункте остановимся подробнее. Почти все владельцы старых квартир видели выпадающие из стен розетки, и болтающиеся в коробках выключатели. В лучшем случае, такая «свобода движения» могла привести к замыканию контактов о металлическую установочную коробку, а в худшем — в темноте можно было получить поражение электротоком.
Стальные коробки устанавливались раньше, если у вас старая квартира — из соображений безопасности надо заменить их на пластиковые. Проблема в следующем: на любом выключателе внутреннего исполнения есть два варианта монтажа. Либо распорными анкерами, либо с помощью шурупов-саморезов. Первый вариант как раз применялся в металлических монтажных коробках. Со временем, упругость анкеров теряется, и упоры не держат коммутационное устройство в посадочном месте.
В бетонных стенах панельных домов уже есть цилиндрические посадочные места для коробочек. Иногда недобросовестные электрики игнорируют установку монтажных коробок, закрепляя выключатели на распорках-анкерах. Это нарушение безопасного монтажа. На бетонных, или любых других стенах, сначала с помощью строительной смеси устанавливается монтажная коробка, затем к ней крепится выключатель.
Существуют коробки для гипсокартона и СИП панелей. В любом случае, корпус встроенного выключателя, с помощью саморезов крепится именно к коробке.
Следующий важный вопрос — правильность подключения размыкаемого проводника. С одной стороны, в сетях переменного напряжения 220 вольт нет полярности. Любой электроприбор будет работать вне зависимости от того, на какие контакты подан ноль или фаза (речь идет о бытовой однофазной сети). И если для розетки этот вопрос не актуален, подключение выключателя света строго регламентировано.
Рассмотрим типовой монтаж одноклавишного выключателя. На патрон для электролампы подается два провода: ноль и фаза. Допустим, с помощью выключателя вы размыкаете нулевой провод. Свет будет гаснуть, но на одном из контактов патрона всегда будет опасный потенциал 220 вольт. Если вы при замене лампу коснетесь этого контакта, получите поражение электротоком. И это при выключенном приборе!
Кроме того, при использовании люминесцентных ламп (так называемых «экономок), в темноте будет наблюдаться паразитное свечение, которое мешает уснуть. Это же явление наблюдается на некоторых светодиодных лампах. Поэтому нулевой провод всегда идет напрямую к источнику освещения, а фазный провод проходит через контакты выключателя.
По этому поводу, есть положительный «побочный эффект» при выборе схемы монтажа выключателя с заведением в корпус «ноля» и «фазы». Благодаря «высокой компетенции» электриков, возможна смена нулевого и фазного ввода в ваш дом. Вы можете сменить так называемую «полярность» на входе, не меняя конфигурацию всей проводки.
Основные способы подключения
Как подключить бра зависит от конкретного типа этого светильника. Их бывает несколько: бра на веревочке, модель с выключателем и без него. Чтобы разобраться с особенностями и сделать все правильно, нужно познакомиться с процессом установки каждого из них.
Подключаем веревочный экземпляр бра
Подключение светильника-бра с веревкой не является сложным процессом. Первоочередно к месту будущего размещения прибора подводятся провода. Высота установки бра, как правило, не имеет четких норм и обычно варьируется от одного до двух метров. Кабель целесообразно разводить скрытым методом, чтобы уже готовая интерьерная композиция помещения не нарушалась.
На выходе всего получится три провода. Один с маркировкой N, что обозначает нулевой проводник, второй маркирован буквой L – фаза, последний PE указывает на заземление. Чтобы разобраться, как подключить бра с выключателем — шнурком, необходимо зафиксировать его согласно прилагаемой схеме, заведя перед этим все контакты к колодкам с соответствующими клеймами. В итоге должно получиться, что фаза подключается к фазе, ноль к нулю, а заземление с землей.
Клавишная бра-модель
Альтернативным вариантом бра с цепочкой или веревочкой выступает модель с клавишным выключателем. Довольно часто вместо веревки в таких светильниках оставляют контакты. Впоследствии которые самостоятельно подключаются.
В монтаже подобных моделей нет ничего сложного, единственное условие – подключать клавишные бра нужно в момент прокладки электропроводной сети. В ином случае при штроблении мест под выключатели и прокладку кабеля придется нарушать целостность стенового полотна. Осуществлять подключение необходимо строго по схеме и всем правилам работ с электропроводкой. Это обусловлено тем, что при манипуляциях провода видны не будут, а поэтому здесь легко можно вызвать замыкание.
Монтажная схема светильника бра на стену выглядит так: сетевая вводная фаза выходит на выключатель. С выключателя она подается обратно на светильник, чтобы была возможность разъединять цепь. А вот ноль и заземление подсоединить нужно напрямую.
Пользоваться бра через выключатель удобно в детских комнатах.
Бра со шнуром и «вилкой»
Модели настенного светильника-бра могут подключаться к сети привычным электрическим проводом, снабженным вилкой. Здесь провода от прибора соединяют со шнуром, который с помощь вилки и будет подключаться к питающей розетке. Хороши данные экземпляры тем, что при их монтаже нет необходимости штробить стены для прокладки проводов и размещения выключателей. Также в цепь зачастую добавляют шнурок, который служит для разъединения цепи. Тем самым пропадает необходимость каждый раз дергать вилку из электро-розетки.
Инструкция по подключению бра
Чтобы установка бра прошла успешно без происшествий и ошибок, следует пользоваться простой инструкцией.
Первоочередно следует обесточить квартиру. Делается это с помощью УЗО или ДИФ-автомата. После обязательно следует удостовериться, что электричество отключилось. Сделать это возможно индикаторной отверткой;
Дальше, взяв заднюю крышку светильника, прикладываем ее к стене в том месте, где будет размещен бра. Места крепления отмечаются карандашом
Если питающий кабель к светильнику подключен вертикальным методом, важно не попасть отверстиями в него;
В зависимости от материала стенового полотна, которое будет снабжено устанавливаемым бра, подбираются крепежные элементы и инструмент для проведения монтажных манипуляций. Если в основании имеется бетонная площадка с каким-либо декоративным отделочным покрытием, то целесообразно выбирать гвозди-дюбель. Эти же элементы подойдут и для других твердых поверхностей в виде кирпича или камня
Отверстия проделываются перфоратором.
Эти же элементы подойдут и для других твердых поверхностей в виде кирпича или камня. Отверстия проделываются перфоратором.
- После того, как выбраны все необходимые элементы, крышка крепится к стене;
- Далее переходят к непосредственному присоединению светильника. Питающий кабель обрезается по длине с запасом в 10 сантиметров. Оплетка с него снимается, а концы проводков зачищаются на расстояние от 5 до 8 мм;
- Затем все контакты присоединяем между собой соответственно. На питающий кабель надевается клеммная колодка светильника с защитным кожухом. К колодке, где есть синий провод (в основном нулевой проводник обозначается синим цветом), идущий из бра, подключается нулевой проводник. К фазному подключают фазу соответственно;
- Болтами, которые имеются в комплекте, закрепляется корпус светильника и устанавливается плафон;
- Бра снабжают источником света, то есть лампочкой, и проверяют конструкцию.
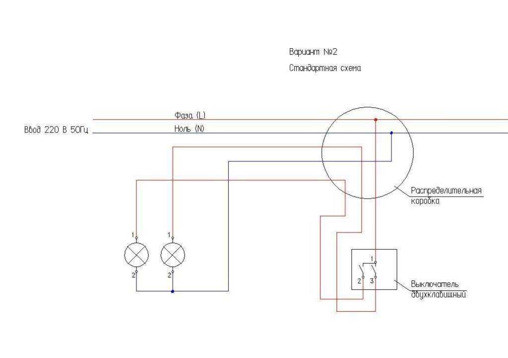
Обычный переключатель для одной лампы
Все провода приходят в распределительную коробку, где соединяются согласно схеме подключения. Чаше всего третья клавиша применяется для включения декоративной подсветки потолков.
Удаление изоляции с проводки Для снятия части внешней изоляции кабеля ВВГнг требуется нож.
Клеммные зажимы.
А схема подключения двухклавишного переключателя включает в себя еще один провод. Их крепят к потолку, не подключая к питанию, размещают и закрепляют на подвесах светильники, затем подключают к ним провода и проверяют работу.
Понадобятся при устройстве скрытой проводки в штукатурке. Выключатель сенсорный не имеет рычажков — он начинает и прекращает подачу электричества прикосновением пальцев к его поверхности.
При работе будьте внимательны: на выключатель должна идти фаза, которая дальше идет на светильники. Подключения 2-х клавишного выключателя проходного Рис.
Так как они включаются в разрыв цепи питания лампочки.
Схема подключения одноклавишного выключателя
https://youtube.com/watch?v=McoyH4e14Lo






























