Закон Фарадея
Явление электромагнитной индукции определяется возникновением электрического тока в замкнутом электропроводящем контуре при изменении магнитного потока через площадь этого контура.
Основной закон Фарадея заключается в том, что электродвижущая сила (ЭДС) прямо пропорциональна скорости изменения магнитного потока.
Формула закона электромагнитной индукции Фарадея выглядит следующим образом:
Рис. 2. Формула закона электромагнитной индукции
И если сама формула, исходя из вышесказанных объяснений не порождает вопросов, то знак «-» может вызвать сомнения. Оказывается существует правило Ленца – русского ученого, который проводил свои исследования, основываясь на постулатах Фарадея. По Ленцу знак «-» указывает на направление возникающей ЭДС, т.е. индукционный ток направлен так, что магнитный поток, который он создает, через площадь, ограниченную контуром, стремится препятствовать тому изменению потока, которое вызывает данный ток.
Основные понятия и законы электростатики
Закон Кулона:сила взаимодействия двух точечных неподвижных зарядов в вакууме прямо пропорциональна произведению модулей зарядов и обратно пропорциональна квадрату расстояния между ними:
Коэффициент пропорциональности в этом законе
В СИ коэффициент k записывается в виде
Потенциалом электрического поля называют отношение потенциальной энергии заряда в поле к этому заряду:
Проекция напряжённости электрического поля на какую-нибудь ось и потенциал связаны соотношением
Электроёмкостью тела называют величину отношения
Основные понятия и законы постоянного тока
Электрический ток — направленное движение электрических зарядов. В разных веществах носителями заряда выступают элементарные частицы разного знака. За положительное направление тока принято направление движения положительных зарядов. Количественно электрический ток характеризуют его силой. Это заряд, прошедший за единицу времени через поперечное сечение проводника:
Закон Ома для участка цепи имеет вид:
При параллельном соединении величина, обратная сопротивлению, равна сумме обратных сопротивлений:
где t — время, I — сила тока, U — разность потенциалов, q — прошедший заряд.Закон Джоуля-Ленца:
Основные понятия и законы магнитостатики
Характеристикой магнитного поля является магнитная индукция ➛B. Поскольку это вектор, то следует определить и направление этого вектора, и его модуль. Направление вектора магнитной индукции связано с ориентирующим действием магнитного поля на магнитную стрелку. За направление вектора магнитной индукции принимается направление от южного полюса S к северному N магнитной стрелки, свободно устанавливающейся в магнитном поле. Направление вектора магнитной индукции прямолинейного проводника с токам можно определить с помощью правила буравчика:если направление поступательного движения буравчика совпадает с направлением тока в проводнике, то направление вращения рукоятки буравчика совпадает с направлением вектора магнитной индукции. Модулем вектора магнитной индукции назовём отношение максимальной силы, действующей со стороны магнитного поля на участок проводника с током , к произведению силы тока на длину этого участка:
Основные понятия и законы электромагнитной индукции
Если замкнутый проводящий контур пронизывается меняющимся магнитным потоком, то в этом контуре возникает ЭДС и электрический ток. Эту ЭДС называют ЭДС электромагнитной индукции, а ток — индукционным. Явление их возникновения называют электромагнитной индукцией. ЭДС индукции можно подсчитать по основному закону электромагнитной индукции или по закону Фарадея:
Электромагнитные колебания и волны
Колебательным контуром называется электрическая цепь, состоящая из последовательно соединённых конденсатора с ёмкостью C и катушки с индуктивностью L (см. рис. 7).
Для свободных незатухающих колебаний в контуре циклическая частота определяется формулой
Период свободных колебаний в контуре определяется формулой Томсона:
Ток, текущий через катушку индуктивности, по фазе отстаёт от напряжения на π/2 или на четверть периода. Напряжение опережает ток на такой же фазовый угол.
Трансформатором называется устройство, предназначенное для преобразования переменных токов. Трансформатор состоит из замкнутого стального сердечника, на который надеты две катушки. Катушка, которая подключается к источнику переменного напряжения, называется первичной обмоткой, а катушка, которая подключается к потребителю, называется вторичной обмоткой. Отношение напряжения на первичной обмотке и вторичной обмотке трансформатора равно отношению числа витков в этих обмотках:
От электростатики к электрокинетике
Между концом XVIII и началом XIX века работы таких учёных, как Кулон, Лагранж и Пуассон, заложили математические основы определения электростатических величин. Прогресс в понимании электричества на этом историческом этапе очевиден. Франклин уже ввёл понятие «количество электрической субстанции», но пока ещё и он, ни его преемники не смогли его измерить.
Следуя за экспериментами Гальвани, Вольта пытался найти подтверждения того, что «гальванические жидкости» животного были одной природы со статическим электричеством. В поисках истины он обнаружил, что когда два электрода из разных металлов контактируют через электролит, оба заряжаются и остаются заряженными несмотря на замыкание контура нагрузкой. Это явление не соответствовало существующим представлениям об электричестве потому, что электростатические заряды в подобном случае должны были рекомбинировать.
Вольта ввёл новое определение силы, действующей в направлении разделения зарядов и поддержании их в таком состоянии. Он назвал её электродвижущей. Подобное объяснение описания работы батареи не вписывалось в теоретические основы физики того времени. В Кулоновской парадигме первой трети XIX века э. д. с. Вольта определялась способностью одних тел вырабатывать электричество в других.
Важнейший вклад в объяснение работы электрических цепей внёс Ом. Результаты ряда экспериментов привели его к построению теории электропроводности. Он ввёл величину «напряжение» и определил её как разность потенциалов на контактах. Подобно Фурье, который в своей теории различал количество тепла и температуру в теплопередаче, Ом создал модель по аналогии, связывающую количество перемещаемого заряда, напряжение и электропроводность. Закон Ома не противоречил накопленным знаниям об электростатическом электричестве.
Затем, благодаря Максвеллу и Фарадею, пояснительные модели тока получили новую теорию поля. Это позволило разработать связанную с полем концепцию энергии как для статических потенциалов, так и для электродвижущей силы. Основные даты эволюции понятия ЭДС:
- 1800 г. — создание Вольтой гальванической батареи;
- 1826 г. — Ом формулирует свой закон для полной цепи;
- 1831 г. — обнаружение электромагнитной индукции Фарадеем.
Это интересно: Электрическое поле — определение, характеристики, свойства
Природа ЭДС
Причина возникновения ЭДС в разных источниках тока разная. По природе возникновения различают следующие типы:
- Химическая ЭДС. Возникает в батарейках и аккумуляторах вследствие химических реакций.
- Термо ЭДС. Возникает, когда находящиеся при разных температурах контакты разнородных проводников соединены.
- ЭДС индукции. Возникает в генераторе при помещении вращающегося проводника в магнитное поле. ЭДС будет наводиться в проводнике, когда проводник пересекает силовые линии постоянного магнитного поля или когда магнитное поле изменяется по величине.
- Фотоэлектрическая ЭДС. Возникновению этой ЭДС способствует явление внешнего или внутреннего фотоэффекта.
- Пьезоэлектрическая ЭДС. ЭДС возникает при растяжении или сдавливании веществ.
Будет интересно Законы Кирхгофа простыми словами: определение для электрической цепи
Электромагнитная индукция (самоиндукция)
Начнем с электромагнитной индукции. Это явление описывает закон электромагнитной индукции Фарадея. Физический смысл этого явления состоит в способности электромагнитного поля наводить ЭДС в находящемся рядом проводнике. При этом или поле должно изменяться, например, по величине и направлению векторов, или перемещаться относительно проводника, или должен двигаться проводник относительно этого поля. На концах проводника в этом случае возникает разность потенциалов.
Опыт демонстрирует появление ЭДС в катушке при воздействии изменяющегося магнитного поля постоянного магнита. Есть и другое похожее по смыслу явление — взаимоиндукция. Оно заключается в том, что изменение направления и силы тока одной катушки индуцирует ЭДС на выводах расположенной рядом катушки, широко применяется в различных областях техники, включая электрику и электронику. Оно лежит в основе работы трансформаторов, где магнитный поток одной обмотки наводит ток и напряжение во второй.
![]()
Что такое самоиндукция.
В электрике физический эффект под названием ЭДС используется при изготовлении специальных преобразователей переменного тока, обеспечивающих получение нужных значений действующих величин (тока и напряжения). Благодаря явлениям индукции и самоиндукции инженерам удалось разработать множество электротехнических устройств: от обычной катушки индуктивности (дросселя) и вплоть до трансформатора. Понятие взаимоиндукции касается только переменного тока, при протекании которого в контуре или проводнике меняется магнитный поток.

Таблица параметров электродвижущей силы индукции.
Определение
Если посчитать общее сопротивление (Rобщ), можно выяснить изменение основных электрических параметров (тока (I) и напряжения (U)) при подключении схемы к определенному источнику питания. В простейшем варианте достаточно применить закон Ома (I = U/ R) и пренебречь внутренним сопротивлением аккумулятора.
При напряжении U = 6,5 В через подключенный резистор R = 20 ОМ будет проходить ток I = 6,5/20 = 0,325 А. По вычисленному параметру с помощью классической формулы можно узнать мощность:
P = I2 *R = U2/ R = 0,105625 * 20 = 2,11 Вт.
Полученное значение пригодится для выбора подходящего пассивного элемента в ассортименте магазина.
На практике приходится решать задачи с большим количеством элементов. Общий показатель эквивалентен суммарному сопротивлению цепи. Однако простым сложением правильный результат получить нельзя. Ниже рассмотрены технологии, по которым выполняют корректные вычисления.
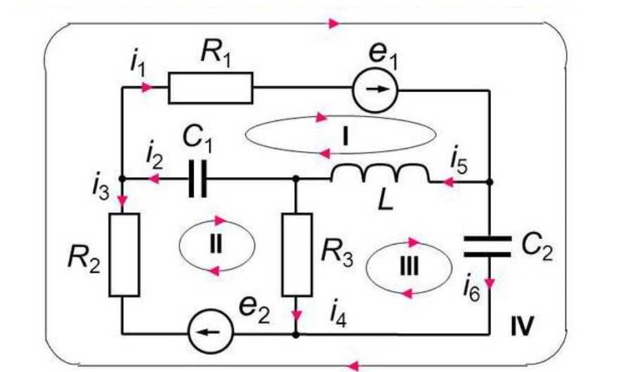
Основные термины и определения
Рисунок поясняет используемую терминологию:
- i1, i2… i6 – токи в отдельных цепях;
- R1-R3 – пассивные элементы (резисторы);
- e1, e2 – типичные обозначения источников тока (ЭДС);
- L и C – компоненты с реактивными характеристиками (индуктивными и емкостными, соответственно);
- ветвями называют с одним током;
- места соединение этих цепей – узлы;
- контуры (обозначены римскими цифрами I, II и III) показывают замкнутые пути прохождения токов по нескольким ветвям.
схема, расчет, рисунок, как вычислить?
В разгар учебного года многим ученым деятелям требуется эдс формула для разных расчетов. Эксперименты, связанные с гальваническим элементом, так же нуждаются в информации об электродвижущей силе. Но для начинающих не так-то просто понять, что же это такое.
Формула нахождения эдс
Первым делом разберемся с определением. Что означает эта аббревиатура?
ЭДС или электродвижущая сила – это параметр характеризующий работу любых сил не электрической природы, работающих в цепях где сила тока как постоянного, так и переменного одинакова по всей длине. В сцепленном токопроводящем контуре ЭДС приравнивается работе данных сил по перемещению единого плюсового (положительного) заряда вдоль всего контура.
Ниже на рисунке представлена эдс формула.
Аст – означает работу сторонних сил в джоулях.
q — это переносимый заряд в кулонах.
Сторонние силы – это силы которые выполняют разделение зарядов в источнике и в итоге образуют на его полюсах разность потенциалов.
Для этой силы единицей измерения является вольт. Обозначается в формулах она буквой E».
Только в момент отсутствия тока в батареи, электродвижущая си-а будет равна напряжению на полюсах.
ЭДС индукции:
ЭДС индукции в контуре, имеющем N витков:
При движении:
Электродвижущая сила индукции в контуре, крутящемся в магнитном поле со скоростью w
Таблица значений

Простое объяснение электродвижущей силы
Предположим, что в нашей деревне имеется водонапорная башня. Она полностью наполнена водой. Будем думать, что это обычная батарейка. Башня — это батарейка!
Вся вода будет оказывать сильное давление на дно нашей башенки. Но сильным оно будет только тогда, когда это строение полностью наполнено H2O.
В итоге чем меньше воды, тем слабее будет давление и напор струи будет меньше. Открыв кран, заметим, что каждую минуту дальность струи будет сокращаться.
В результате этого:
- Напряжение – это сила с которой вода давит на дно. То есть давление.
- Нулевое напряжение — это дно башни.
С батареей все аналогично.
Первым делом подключаем источник с энергией в цепь. И соответственно замыкаем ее. Например, вставляем батарею в фонарик и включаем его. Изначально заметим, что устройство горит ярко. Через некоторое время его яркость заметно понизится. То есть электродвижущая сила уменьшилась (вытекла если сравнивать с водой в башне).
Если брать в пример водонапорную башню, то ЭДС это насос качающие воду в башню постоянно. И она там никогда не заканчивается.
Эдс гальванического элемента — формула
Электродвижущую силу батарейки можно вычислить двумя способами:
- Выполнить расчет с применением уравнения Нернста. Нужно будет рассчитать электродные потенциалы каждого электрода, входящего в ГЭ. Затем вычислить ЭДС по формуле .
Посчитать ЭДС формуле Нернста для суммарной ток образующей реакции, протекающей при работе ГЭ.

Таким образом вооружившись данными формулами рассчитать электродвижущую силу батарейки будет проще.
- Пьезоэлектрическая применяется при растяжении или сжатии материала. С помощью нее изготавливают кварцевые генераторы энергии и разные датчики.
- Химическая используется в гальванических элементах и аккумуляторах.
- Индукционная появляется в момент пересечения проводником магнитного поля. Ее свойства применяют в трансформаторах, электрических двигателях, генераторах.
Термоэлектрическая образуется в момент нагрева контактов разнотипных металлов. Свое применение она нашла в холодильных установках и термопарах.
Фото электрическая используется для продуцирования фотоэлементов.
Электродвижущая сила — Класс!ная физика
«Физика — 10 класс»
Любой источник тока характеризуется электродвижущей силой, или сокращённо ЭДС. Так, на круглой батарейке для карманного фонарика написано: 1,5 В. Что это значит?
Если соединить проводником два разноимённо заряженных шарика, то заряды быстро нейтрализуют друг друга, потенциалы шариков станут одинаковыми, и электрическое поле исчезнет (рис. 15.9, а).
Сторонние силы.
Для того чтобы ток был постоянным, надо поддерживать постоянное напряжение между шариками.
Для этого необходимо устройство (источник тока), которое перемещало бы заряды от одного шарика к другому в направлении, противоположном направлению сил, действующих на эти заряды со стороны электрического поля шариков.
В таком устройстве на заряды, кроме электрических сил, должны действовать силы неэлектростатического происхождения (рис. 15.9, б). Одно лишь электрическое поле заряженных частиц (кулоновское поле) не способно поддерживать постоянный ток в цепи.
Любые силы, действующие на электрически заряженные частицы, за исключением сил электростатического происхождения (т. е. кулоновских), называют сторонними силами.
Вывод о необходимости сторонних сил для поддержания постоянного тока в цепи станет ещё очевиднее, если обратиться к закону сохранения энергии.
Электростатическое поле потенциально. Работа этого поля при перемещении в нём заряженных частиц по замкнутой электрической цепи равна нулю. Прохождение же тока по проводникам сопровождается выделением энергии — проводник нагревается.
Следовательно, в цепи должен быть какой-то источник энергии, поставляющий её в цепь. В нём, помимо кулоновских сил, обязательно должны действовать сторонние, непотенциальные силы.
Работа этих сил вдоль замкнутого контура должна быть отлична от нуля.
Именно в процессе совершения работы этими силами заряженные частицы приобретают внутри источника тока энергию и отдают её затем проводникам электрической цепи.
Сторонние силы приводят в движение заряженные частицы внутри всех источников тока: в генераторах на электростанциях, в гальванических элементах, аккумуляторах и т. д.
При замыкании цепи создаётся электрическое поле во всех проводниках цепи. Внутри источника тока заряды движутся под действием сторонних сил против кулоновских сил (электроны от положительно заряженного электрода к отрицательному), а во внешней цепи их приводит в движение электрическое поле (см. рис. 15.9, б).
Природа сторонних сил.
Природа сторонних сил может быть разнообразной. В генераторах электростанций сторонние силы — это силы, действующие со стороны магнитного поля на электроны в движущемся проводнике.
В гальваническом элементе, например в элементе Вольта, действуют химические силы.
Элемент Вольта состоит из цинкового и медного электродов, помещённых в раствор серной кислоты. Химические силы вызывают растворение цинка в кислоте.
В раствор переходят положительно заряженные ионы цинка, а сам цинковый электрод при этом заряжается отрицательно. (Медь очень мало растворяется в серной кислоте.
) Между цинковым и медным электродами появляется разность потенциалов, которая и обусловливает ток во внешней электрической цепи.
Электродвижущая сила
Действие сторонних сил характеризуется важной физической величиной, называемой электродвижущей силой (сокращённо ЭДС).
Электродвижущая сила источника тока равна отношению работы сторонних сил при перемещении заряда по замкнутому контуру к абсолютной величине этого заряда:
![]()
Электродвижущую силу, как и напряжение, выражают в вольтах.
Разность потенциалов на клеммах батареи при разомкнутой цепи равна электродвижущей силе. ЭДС одного элемента батареи обычно 1—2 В.
Можно говорить также об электродвижущей силе и на любом участке цепи. Это удельная работа сторонних сил (работа по перемещению единичного заряда) не во всём контуре, а только на данном участке.
Следующая страница «Закон Ома для полной цепи» Назад в раздел «Физика — 10 класс, учебник Мякишев, Буховцев, Сотский»
Законы постоянного тока — Физика, учебник для 10 класса — Класс!ная физика
Электрический ток. Сила тока — Закон Ома для участка цепи. Сопротивление — Электрические цепи. Последовательное и параллельное соединения проводников — Примеры решения задач по теме «Закон Ома.
Последовательное и параллельное соединения проводников» — Работа и мощность постоянного тока — Электродвижущая сила — Закон Ома для полной цепи — Примеры решения задач по теме «Работа и мощность постоянного тока.
Закон Ома для полной цепи»
Закон Ома (страница 1)
Закон Ома (страница 1)
Применение закона Ома к расчету линейных электрических цепей постоянного тока
1. Найти ток ветви (рисунок 3), если: U=10 В, Е=20 В, R=5 Ом.
Решение:
Так как все схемы рисунка 3 представляют собой активные ветви, то для определения токов в них используем закон Ома обобщенный закон Ома. Рассмотрим рисунок 3 а: направление ЭДС совпадает с произвольно выбранным условно положительным направлением тока, следовательно, в формуле обобщенного закона Ома величина ЭДС учитывается со знаком «плюс». Направление напряжения не совпадает с направлением тока, и в формуле обобщенного закона Ома величина напряжения учитывается со знаком «минус»;
Аналогично определяются токи в схемах б, в, г рисунка 3:
2. Найти напряжение между зажимами нетвей (рисунок 4).
Решение:
Участок цепи, изображенный на рисунке 4 а содержит источник ЭДС, т.е. является активным, поэтому воспользуемся обобщенным законом Ома:
откуда выразим напряжение на зажимах:
Аналогично определяются напряжения на зажимах участков, изображенных на рисунках 4 б и 4 в.
3. Определить неизвестные потенциалы точек участка цени (рисунок 5).
Решение:
Для схемы рисунка 5 а запишем обобщенный закон Ома:
откуда выразим напряжение на зажимах ветви:
Если представить напряжение как разность потенциалов:
тогда при известных параметрах цепи, токе и потенциале определим потенциал :![]()
Эту же задачу можно решить другим способом. Напряжение на зажимах источника ЭДС , без учета внутреннего сопротивления источника, по величине равно и направлено от точки с большим потенциалом (точка С) к точке с меньшим потенциалом (точка b):
и тогда, зная потенциал , определим потенциал точки С:
Потенциал точки d больше потенциала точки С на величину падения напряжения на сопротивлении R:
тогда
Потенциал точки а определяем с учетом направления напряжения на зажимах источника ЭДС . Напряжение направлено от точки с большим потенциалом (точка d) к точке с меньшим потенциалом (точка а):
откуда следует, что
или
Рассмотрим решение задачи для схемы рисунка 5 б. При известном потенциале точки С, параметрах элементов и токе, определим потенциалы крайних точек участка цепи . Напряжение на участке b — с, выраженное через разность потенциалов, определим по закону Ома:
откуда следует
Напряжение на участке с — а, равное по величине Е, направлено от точки с большим потенциалом к точке с меньшим потенциалом:
4. В цепи (рисунок 6) известны величины сопротивлений резистивных элементов: , входное напряжение U=100 В и мощность, выделяемая на резистивном элементе с сопротивлением . Определить величину сопротивления резистора .Решение:
Согласно закону Джоуля-Ленца, мощность на резистивном элементе определяется:
или, согласно закону Ома:
По известному значению мощности на резистивном элементе и величине сопротивления этого элемента определим ток в ветви:
По закону Ома напряжение на зажимах определится:
тогда величина сопротивления резистивного элемента:![]()
5. Определить показания вольтметров цепи (рисунок 7), если
.Решение:
Ток в цепи определим по закону Ома:
Вольтметр показывает напряжение на источнике ЭДС Е:
Вольтметры показывают величину падения напряжения на резистивных элементах :
Вольтметр , показывает напряжение на участке 2 — 1 , которое определим как алгебраическую сумма напряжений :
6. Ток симметричной цепи (рисунок
, внутреннее сопротивлении источника ЭДС . Определить ЭДС Е и мощность источника энергии.Решение:
Напряжение на зажимах 1 — 2 определим по закону Ома для пассивной ветви:![]()
Величину ЭДС источника энергии определим из выражения закона Ома для активной ветви:![]()
Мощность, развиваемая источником энергии, определится:
Смотри полное содержание по представленным решенным задачам.
Что такое эдс — формула и применение
В электротехнике источники питания электрических цепей характеризуются электродвижущей силой (ЭДС).
Что такое ЭДС
Во внешней цепи электрического контура электрические заряды двигаются от плюса источника к минусу и создают электрический ток.
Для поддержания его непрерывности в цепи источник должен обладать силой, которая смогла бы перемещать заряды от более низкого к более высокому потенциалу.
Такой силой неэлектрического происхождения и является ЭДС источника. Например, ЭДС гальванического элемента.
В соответствии с этим, ЭДС (E) можно вычислить как:
E=A/q, где:
- A –работа в джоулях;
- q — заряд в кулонах.
Величина ЭДС в системе СИ измеряется в вольтах (В).
Формулы и расчеты

ЭДС представляет собой работу, которую совершают сторонние силы для перемещения единичного заряда по электрической цепи
Схема замкнутой электрической цепи включает внешнюю часть, характеризуемую сопротивлением R, и внутреннюю часть с сопротивлением источника Rвн. Непрерывный ток (Iн) в цепи будет течь в результате действия ЭДС, которая преодолевает как внешнее, так и внутреннее сопротивление цепи.
- Ток в цепи определяется по формуле (закон Ома):
- Iн= E/(R+Rвн).
- При этом напряжение на клеммах источника (U12) будет отличаться от ЭДС на величину падения напряжения на внутреннем сопротивлении источника.
- U12 = E — Iн*Rвн.
- Если цепь разомкнута и ток в ней равен 0, то ЭДС источника будет равна напряжению U12.
- Разработчики источников питания стараются уменьшать внутренние сопротивление Rвн, так как это может позволить получить от источника больший ток.
Где применяется
В технике применяются различные виды ЭДС:
- Химическая. Используется в батарейках и аккумуляторах.
- Термоэлектрическая. Возникает при нагревании контактов разнородных металлов. Используется в холодильниках, термопарах.
- Индукционная. Образуется при пересечении проводником магнитного поля. Эффект используется в электродвигателях, генераторах, трансформаторах.
- Фотоэлектрическая. Применяется для создания фотоэлементов.
- Пьезоэлектрическая. При растяжении или сжатии материала. Используется для изготовления датчиков, кварцевых генераторов.
Таким образом, ЭДС необходима для поддержания постоянного тока и находит применений в различных видах техники.
- Vladimir1941
- Распечатать
Область действия сторонних ЭДС
Не следует считать, что сторонние ЭДС занимают все пространство между пластинами. В элементе Вольта возникают две сторонние ЭДС, которые распространены в поверхностных слоях, где соприкасаются пластинки с раствором кислоты. Данные слои имеют толщину около диаметра молекулы. Во всем остальном объеме раствора сторонних ЭДС нет.
Если соединить пластины элемента при помощи проводника, то в нем возникнет электрический ток, направленный от медной пластины (положительного электрода) к пластине из цинка (отрицательному электроду).
В растворе в пространстве между электродами, ток направлен от цинка к меди. Получается, что линии постоянного тока замкнуты.
Определим, каково изменение потенциала в цепи с током. В направлении течения тока потенциал уменьшается на сопротивлении проводника. Рассмотрим рис.2, который отражает изменение потенциала в замкнутом контуре, который имеет в качестве источника ЭДС элемент Вольта. Точки $A$ и $B$ соответствуют поверхностным контактам медного и цинкового электродов с растворами, в которых работают сторонние электродвижущие силы. Разность этих сил равна сторонней ЭДС элемента. Эта ЭДС равняется суммарному падению потенциала на сопротивлении внешней цепи на участке $AGB$ и на сопротивлении электролита на участке $BDA$. Сопротивление электролита называют внутренним сопротивлением элемента.
Закон Ома для всей цепи запишем как:
$Ɛ_{st}=I(R+r) (1)$,
где:
- $Ɛ_{st}$ — сторонняя ЭДС элемента;
- $R$ — сопротивление внешней цепи;
- $r$ — внутреннее сопротивление элемента.
Сторонняя ЭДС элемента определена свойствами элемента и не связана с силой тока в цепи. Формула (1) показывает, что падение напряжения на внешней цепи ($U=IR$) не равно ЭДС элемента, а всегда меньше ее:
$IR= Ɛ_{st}-Ir$(2).
$U$ — напряжение между клеммами работающего элемента, при течении тока в цепи. Из выражения (2) следует, что если сила тока увеличивается, то напряжение во внешней цепи становится меньше. Причем, это уменьшение тем больше, чем больше внутреннее сопротивления элемента.
При применении гальванического элемента желательно, чтобы напряжение во внешней цепи было наименее зависимым от нагрузки (от силы тока).
Значимой характеристикой элемента является его внутреннее сопротивление. Чем меньше внутреннее сопротивление элемента при прочих равных условиях, тем выше качество источника ЭДС.
Практическое применение
Чаще всего на практике расчёт общего сопротивления цепи выполняют для того, чтобы узнать потребляемую мощность той или иной схемы. При этом, зная общее сопротивление, можно найти и такие важные параметры цепи, как ток и напряжение. Поэтому и рисуют эквивалентную схему электрической цепи. Простые цепи состоят только из последовательных или параллельных участков, но чаще встречаются комбинированные соединения.
Перед тем как приступить к расчёту эквивалентного сопротивления, вся электрическая цепь разделяется на простые контуры. Как только импеданс каждого такого контура будет подсчитан, схема перерисовывается, но вместо контуров рисуется уже резистор. Затем всё повторяется, и это происходит до тех пор, пока не останется один элемент.
Простое соединение
Пусть будет дана схема, состоящая из трёх резисторов, включённых последовательно. При этом сопротивление R1и R2 одинаковое и равно 57 Ом, а сопротивление R3 составляет один килоОм. Для расчёта общего сопротивления цепи сначала понадобится привести значение R3 согласно Международной системе единиц.
R3 = 1 кОм = 1000 Ом.
Так как соединение последовательное, используется формула: Ro = R1+R2+R3. Подставив известные значения, рассчитывается эквивалентное значение: Ro = 57+57+1000 = 1114 Ом.
Если же те же самые резисторы будут расположены параллельно друг другу, то для расчёта общего сопротивления уже используется другое выражение:
1/Ro = 1/R1 + 1/R2 +1/R3.
Ro = R1*R2*R3 / (R1*R2+R2*R3+R1*R3).
Подставив исходные данные в эту формулу, получим:
Ro = 57*57*1000/ (57*57 +57*1000+ 57*1000) = 3249000/117249 = 27,7 Ом.
Комбинированный контур
Необходимо вычислить мощность и эквивалентное сопротивление смешанной цепи, состоящей из четырёх резисторов. Резистор R1 =R2 =5 Ом, R3= 10 Ом, R4 =3 Ом. На схему подаётся питание пять вольт.
Первоначально понадобится упростить схему. Сопротивления R3 и R4 включены относительно друг друга параллельно. Поэтому находится их объединённое сопротивление:
Rp = (R3*R4)/(R3+R4).
Rp = (10*3)/ (10+3) = 2,3 Ом.
Теперь схему можно перерисовать в виде трёх последовательно включённых резисторов и найти общее сопротивление путём сложения их величин:
Ro = R1+R2+Rp = 5+5+2,3 = 12,3 Ом.
Зная эквивалентное сопротивление, используя закон Ома, несложно вычислить силу тока в цепи и мощность эквивалентного резистора:
I = U/R = 5/2,3 = 2,2 A.
P = I*U = 2,2*5= 11 Вт.
Таким образом, путём постепенного упрощения схемы можно свести цепь из последовательно и параллельно соединённых резисторов к одному элементу. А затем рассчитать его сопротивление и требуемую мощность.





























