Устройство и принцип работы
Основные элементы асинхронной машины — это статор и ротор. Статор – это неподвижный элемент электрической машины, который состоит из сердечника с обмоткой. В статор помещается вращающийся ротор — вал, на котором расположен сердечник с короткозамкнутой (у АД с КЗ-ротором) или изолированной обмоткой (у АД с фазным ротором).
Так как магнитный поток в асинхронном двигателе переменный, сердечник статора изготавливается шихтованными, то есть он состоит из набора тонких пластин, которые изолируются друг от друга окалиной и покрываются лаком. Это нужно для снижения вихревых токов и потерь.
В сердечнике есть пазы, в которые укладывается трёхфазная обмотка. А сам сердечник запрессовывается в литую станину – корпус двигателя.
Обмотка статора – состоит из катушек, намотанных медным проводником и расположенных в статоре так, что их геометрические оси сдвинуты в пространстве друг относительно друга на 120 градусов, как и фазы в трёхфазной системе питания. Обмотки статора соединяются по схеме звезды или треугольника.
На фазном роторе размещены три изолированные обмотки, соединённые по схеме звезды. Сердечник ротора также, как и статора набирается из штампованных листов электротехнической стали. Свободные концы обмоток выведены к контактным кольцам. Для съёма тока с колец используются щётки, закреплённые на щёткодержателях.
Принцип действия асинхронного двигателя с фазным ротором такой же, как и у двигателя с — вращающееся магнитное поле статора пересекая проводники обмотки ротора индуктирует в них ЭДС. Если обмотка ротора замкнута, то ЭДС порождает электрический ток. В результате взаимодействия этого тока с магнитным полем статора возникает электромагнитный момент и ротор начинает вращаться.
Частота вращения магнитного поля или синхронная частота n1 рассчитывается по формуле:
n1=60f/p ,
где f – частота питающей сети, а p – число пар полюсов обмотки статора. У двигателя с одной парой полюсов она равна 3000 об/мин.
Частота вращения ротора n2 немного ниже, и её можно посчитать по формуле:
n2=n1*(1-S )=(f1×60/p)(1-s), где n1 – синхронная частота, S – скольжение.
Скольжение S – это величина, которая выражает разницу между частотой вращения вала и частотой вращения магнитного поля статора у асинхронного двигателя, рассчитывается по формуле:
S =((n1-n2)/n1)*100%.
Величина скольжения у разных двигателей отличается, зачастую указывается на шильдике и обычно лежит в пределах 2-8%.
Итак, частота вращения ротора любого АД определяется скольжением, частотой питающей сети и числом пар полюсов в обмотке статора.
Начнём с конца — изменить число полюсов в обмотке односкоростного двигателя в процессе работы не получится — для этого есть многоскоростные двигатели, у которых изначально обмотка рассчитана на переключения.
Для изменения частоты тока используют частотные преобразователи. Раньше они не были слишком распространены из-за высокой стоимости, но в последнее время используются всё чаще и всё в большем количестве задач.
Изменять скольжение для регулировки частоты вращения АД можно:
- Изменением питающего напряжения, подводимого к обмотке статора.
- Нарушением симметрии питающего напряжения.
- Изменением активного сопротивления обмотки ротора.
Величину питающего напряжения обычно изменяют с помощью регулировочных автотрансформаторов или включают реакторы в разрыв линейных проводов (последовательно с обмоткой статора), такой способ используется с асинхронными двигателями с короткозамкнутым ротором.
Изменение скольжения за счёт изменения активного сопротивления обмотки ротора возможно только на асинхронных двигателях с фазным ротором, как отмечалось выше, к кольцам ротора подключаются, через щётки, резисторы или реостат. При движении бегунка реостата изменяется его сопротивление, так как реостат подключён к обмотке ротора, то при этом изменяется активное сопротивление в цепи ротора.
При увеличении активного сопротивления обмотки ротора увеличивается скольжение, соответствующее заданному нагрузочному моменту. Говоря простым языком – при одной и той же нагрузке на двигатель, при увеличении скольжения будут уменьшаться обороты ротора. По той же причине при увеличении активного сопротивления ротора увеличивается и пусковой момент.
Зависимость скольжения от сопротивления определяется по формуле:
Предлагаю не вдаваться в подробности и не рассматривать эти вопросы глубже, чтобы не увеличивать объём статьи, а просто запомнить – чем больше активное сопротивление обмоток – тем меньше обороты ротора при той же нагрузке. Давайте перейдём к практике, а именно рассмотрим схему подключения.
Назначение и сфера применения АД

Без асинхронного двигателя не обходится большинство предприятий. Электродвигатели, которые называются асинхронными, применяются почти во всех отраслях промышленности и сельского хозяйства. Они тратят около 70% электричества, которое предназначено для превращения мощности тока в поступательное движение. Работа асинхронного двигателя считается наиболее эффективной в качестве электрической тяги. Без подобных машин не обходится большинство предприятий.
У данных устройств есть несколько положительных сторон:
- Простая и недорогая конструкция, поэтому производство машин не отнимает много времени и средств.
- Низкие расходы по эксплуатации обеспечены отказом от скользящего узелка токосъема, что и повышает надежность мотора.
- Доступность. Они продаются почти во всех магазинах по невысокой цене.
Данный вид машин бывает трехфазным или однофазным в зависимости от числа питающих частей. Если соблюдать правила техники безопасности и настроить электросеть, то трехфазный мотор может работать на однофазной сети.
Устройство асинхронного двигателя
Корпус мотора отличается из серого чугуна или алюминиевого сплава, встречаются стальные конструкции сварного типа. Поскольку при прохождении тока через катушки происходит нагрев деталей, то на поверхности кожуха предусматриваются продольные ребра, обеспечивающие повышенный теплообмен. Внутренняя поверхность корпуса предназначена для установки сердечника статора, который установлен с натягом и дополнительно закреплен резьбовыми соединениями.
Сердечник собирается из деталей, полученных методом штамповки из листов электротехнической стали толщиной до 0,5 мм. Заготовки покрываются слоем специального лака, а затем соединяются в пакеты. Для фиксации элементов используются заклепки, скобы или сварка. Конструкция сердечника обеспечивает снижение вихревых токов, формирующихся при перемагничивании узла вращающимся магнитным полем. В конструкции пакета предусмотрены пазы, в которые укладываются витки провода, соединенные между собой на торцевых кромках (за пределами сердечника).
Элементы не имеют диэлектрического покрытия, поскольку генерируемые вихревые токи имеют небольшую частоту. Ось имеет поверхности, предназначенные для установки внутренних колец подшипников качения. Внешние концы вала нужны для установки шкивов или иных приспособлений для передачи крутящего момента. На тыловой части оси устанавливается вентилятор, обеспечивающий дополнительное охлаждение двигателя.
Конструкция асинхронного электродвигателя.
5.2. Устройство асинхронного двигателя
Асинхронный двигатель состоит из двух основных частей, разделенных воздушным зазором: неподвижного статора и вращающегося ротора. Каждая из этих частей имеет сердечник и обмотку. При этом обмотка статора включается в сеть и является как бы первичной, а обмотка ротора — вторичной, так как энергия в нее поступает из обмотки статора за счет магнитной связи между этими обмотками.
По своей конструкции асинхронные двигатели разделяются на два вида: двигатели с короткозамкнутым ротором и двигатели с фазным ротором. Рассмотрим устройство трехфазного асинхронного двигателя с короткозамкнутым ротором (рис.5.2). Двигатели этого вида имеют наиболее широкое применение.

Рис.5.2. Устройство трехфазного асинхронного двигателя
с короткозамкнутым ротором:
1 — вал; 2, 6 — подшипники; 3, 7 — подшипниковые щиты; 4 — коробка выводов;
5 — вентилятор; 8 — кожух вентилятора; 9 — сердечник ротора с короткозамкну-
той обмоткой; 10 — сердечник статора с обмоткой; 11 — корпус; 12 — лапы
Неподвижная часть двигателя — статор — состоит из корпуса // и сердечника 10 с трехфазной обмоткой. Корпус двигателя отливают из алюминиевого сплава или из чугуна либо делают сварным. Рассматриваемый двигатель имеет закрытое обдуваемое исполнение. Поэтому поверхность его корпуса имеет ряд продольных ребер, назначение которых состоит в том, чтобы увеличить поверхность охлаждения двигателя.
В корпусе расположен сердечник статора 10, имеющий шихтованную конструкцию: отштампованные листы из тонколистовой электротехнической стали толщиной обычно 0,5 мм покрыты слоем изоляционного лака, собраны в пакет и скреплены специальными скобами или продольными сварными швами по наружной поверхности пакета. Такая конструкция Сердечника способствует значительному уменьшению вихревых токов, возникающих в процессе перемагничивания сердечника вращающимся магнитным полем. На внутренней поверхности сердечника статора имеются продольные пазы, в которых расположены пазовые части обмотки статора, соединенные в определенном порядке лобовыми частями, находящимися за пределами сердечника по его торцовым сторонам. Конструкция короткозамкнутого ротора приведена на рис.5.3.

Рис.5.3. Конструкция короткозамкнутого ротора: а — беличья клетка; б — ротор с медной стержневой обмоткой; в — ротор с алюминиевой литой обмоткой;
1 — сердечник ротора; 2 — стержни; 3 — замыкающие кольца;
4 — лопасти вентилятора
Обмотка статора асинхронного электродвигателя может быть соединена звездой или треугольником. Схемы соединения представлены на рис.5.4

Рис.5.4. Схемы соединения выводов трехфазных обмоток электродвигателя:
а — звезда; б — треугольник
Условия для получения вращающегося магнитного поля
В пособиях по теории электродвигателей указываются следующие условия для получения магнитного поля:
- применение 2 и более неподвижных обмоток;
- обеспечение смещения фаз тока в каждой из катушек;
- смещение осей катушек в пространстве.
Угол смещения зависит от количества пар полюсов. В простейшей трехфазной машине с единой парой контактов угол сдвига составляет 120°. Введение дополнительной пары полюсов обеспечивает уменьшение угла до 60°. Каждая последующая пара контактных элементов приводит к корректировке значения угла в 2 раза.
Получение вращающегося электромагнитного поля.
Понятие скольжения
Параметр выражается в процентном соотношении и используется при оценке эффективности работы силового привода. В момент пуска значение равно 100%, но по мере раскручивания вала параметр начинает снижаться. Одновременно уменьшаются значения электродвижущей силы и тока, наводимых в витках ротора, что ведет к падению кривой крутящего момента.
На холостом ходу (без приложения нагрузки) значение скольжения достигает минимального значения, но по мере приложения статической нагрузки параметр увеличивается (из-за замедления периодичности вращения вала электромотора). При превышении критического значения возникает эффект опрокидывания мотора, приводящий к нестабильной работе устройства. Процесс изменения скольжения прекращается при уравновешивании электромагнитного момента статора тормозным усилием, приложенным к валу машины.
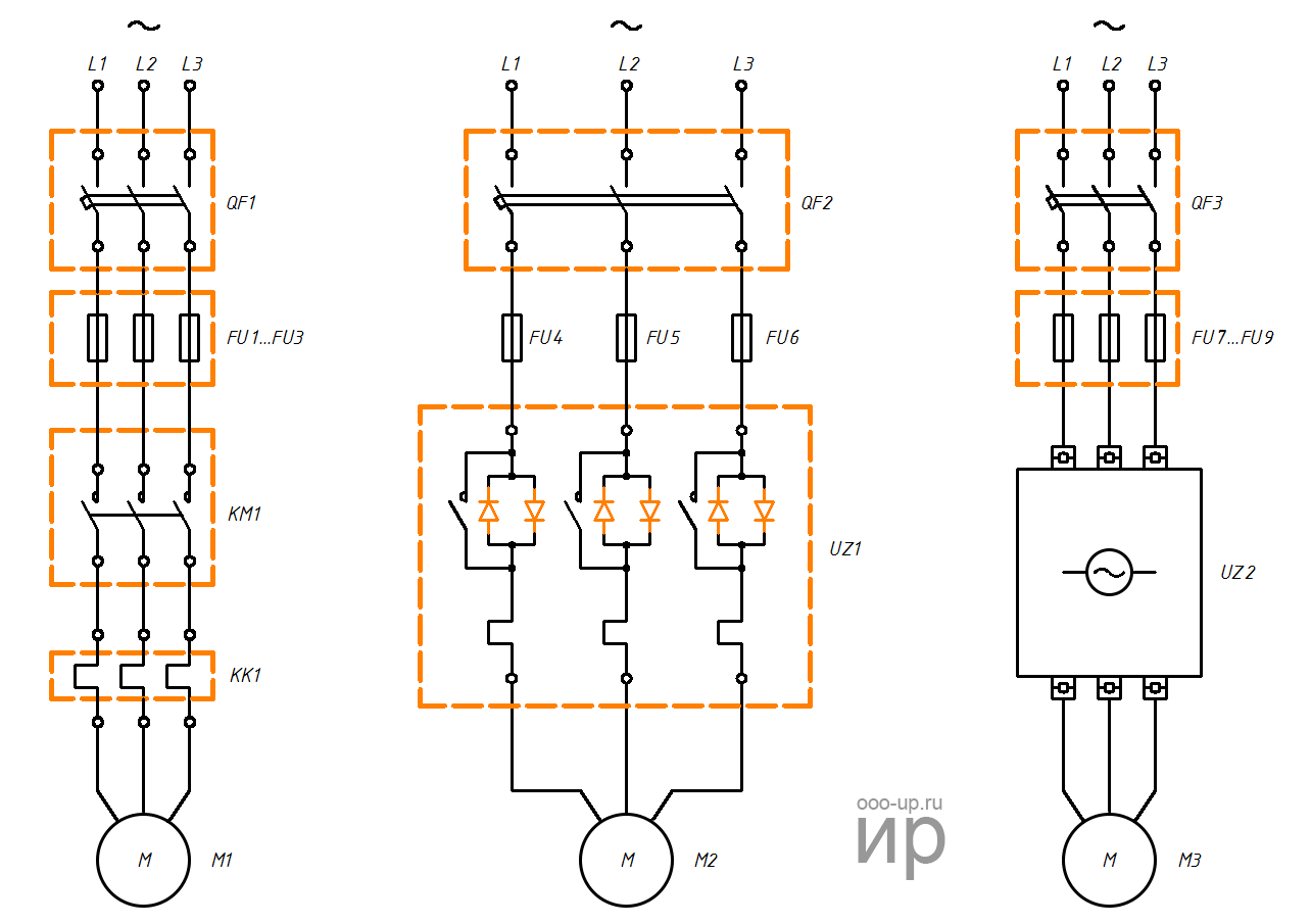
Управление асинхронным двигателем
- Способы подключения асинхронного электродвигателя к сети питания:
- прямое подключение к сети питания
- подключение от устройства плавного пуска
- подключение от преобразователя частоты

Прямое подключение к сети питания
Использование магнитных пускателей позволяет управлять асинхронными электродвигателями путем непосредственного подключения двигателя к сети переменного тока.
С помощью магнитных пускателей можно реализовать схему:
- нереверсивного пуска: пуск и остановка;
- реверсивного пуска: пуск, остановка и реверс.
Использование теплового реле позволяет осуществить защиту электродвигателя от величин тока намного превышающих номинальное значение.
Реверсивная схема
Недостатком прямой коммутации обмоток асинхронного электродвигателя с сетью является наличие больших пусковых токов, во время запуска электродвигателя.
Плавный пуск асинхронного электродвигателя
В задачах, где не требуется регулировка скорости электродвигателя во время работы для уменьшения пусковых токов используется устройство плавного пуска.
Устройство плавного пуска защищает асинхронный электродвигатель от повреждений вызванных резким увеличением потребляемой энергии во время пуска путем ограничения пусковых токов. Устройство плавного пуска позволяет обеспечить плавный разгон и торможение асинхронного электродвигателя.
Устройство плавного пуска дешевле и компактнее частотного преобразователе. Применяется там, где регулировка скорости вращения и момента требуется только при запуске.
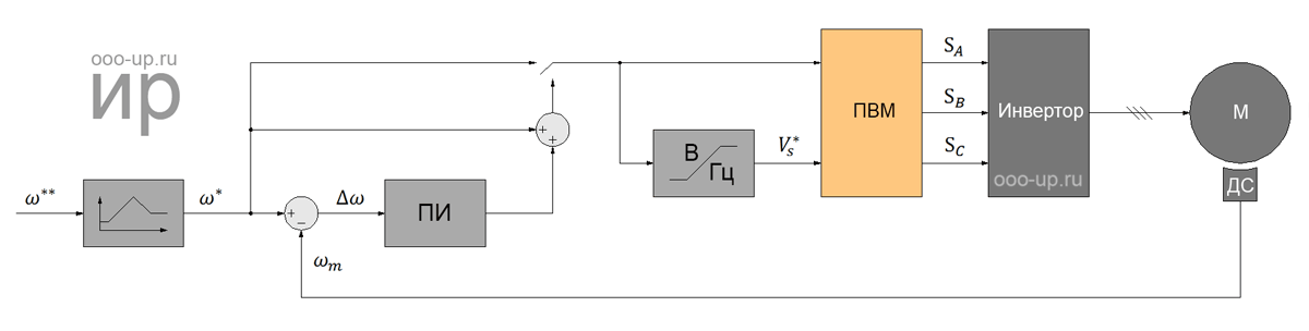
Частотное управление асинхронным электродвигателем
Для регулирования скорости вращения и момента асинхронного двигателя используют частотный преобразователь. Принцип действия частотного преобразователя основан на изменении частоты и напряжения переменного тока.
- Использование частотного преобразователя позволяет:
- уменьшить энергопротребление электродвигателя;
- управлять скоростью вращения электродвигателя (плавный запуск и остановка, регулировка скорости во время работы);
- избежать перегрузок электродвигателя и тем самым увеличить его срок службы.

- В зависимости от функционала частотные преобразователи реализуют следующие методы регулирования асинхронным электродвигателем:
- скалярное управление;
- векторное управление.
Скалярное управление является простым и дешевым в реализации, но имеет следующие недостатки — медленный отклик на изменение нагрузки и небольшой диапазон регулирования. Поэтому скалярное управление обычно используется в задачах, где нагрузка либо постоянна, либо изменяется по известному закону (например, управление вентиляторами).

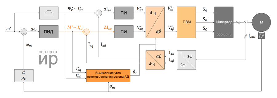
Векторное управление используется в задачах, где требуется независимо управлять скоростью и моментом электродвигателя (например, лифт), что, в частности, позволяет поддерживать постоянную скорость вращения при изменяющемся моменте нагрузки. При этом векторное управление является самым эффективным управлением с точки зрения КПД и увеличения времени работы электродвигателя.
Среди векторных методов управления асинхронными электродвигателями наиболее широкое применение получили: полеориентированное управление и прямое управление моментом.

Полеориентированное управление позволяет плавно и точно управлять параметрами движения (скоростью и моментом), но при этом для его реализации требуется информация о направлениии вектора потокосцепления ротора двигателя.
- По способу получения информации о положении потокосцепления ротора электродвигателя выделяют:
- полеориентированное управление по датчику;
- полеориентированное управление без датчика: положение потокосцепления ротора вычисляется математически на основе той информации, которая имеется в частотном преобразователе (напряжение питания, напряжения и токи статора, сопротивление и индуктивность обмоток статора и ротора, количество пар полюсов двигателя).

Прямое управление моментом имеет простую схему и высокую динамику работы, но при этом высокие пульсации момента и тока.
Каков же принцип работы
Якорь трёхфазного асинхронного двигателя, исполненный подобным образом, приводится во вращение благодаря эффекту возникновения переменного магнитного поля в статорных катушках. Чтобы понять, каким образом это происходит, необходимо вспомнить физический закон самоиндукции. Он гласит, что вокруг проводника, по которому проходит поток заряженных частиц, возникает магнитное поле. Величина его будет прямо пропорциональна индуктивности провода и интенсивности протекающего в нём потока заряженных частиц. Кроме того, это магнитное поле формирует силу с определённой направленностью. Именно она нас и интересует, так как является причиной вращения ротора. Для эффективной работы двигателя необходимо иметь мощный магнитный поток. Создаётся он благодаря специальному способу монтажа первичной обмотки.
Известно, что источник питания имеет переменное напряжение. Следовательно, магнитное поле вокруг статора будет иметь такую же характеристику, напрямую зависящую от изменения тока в подающей сети. Примечательно то, что каждая фаза смещена одна относительно другой на 120˚.
Работа трехфазных электродвигателей
Самое главное достоинство трехфазной системы электроснабжения состоит в том, что создается электрическое поле, имеющее способность вращаться. Если на неподвижном статоре располагаются три обмотки с магнитомягкими (материалы, способны с легкостью перемагничиваться) сердечниками, а в дальнейшем происходит подача напряжения последовательно от каждой из фаз, то сердечники постепенно намагничиваются от поступающего тока и создают магнитное поле, перемещающееся в пределах окружности.
Асинхронный трехфазный электродвигатель применяется в разных отраслях промышленности и в сельском хозяйстве.
Скорость вращения магнитного поля в статоре можно легко снизить, используя чисто конструктивные методы, к примеру, увеличив число обмоток на окружности вдвое (из трех до шести).
Асинхронные двигатели
Изобретатель М. О. Доливо-Добровольский придумал, как можно усовершенствовать двигатель избавившись от коллекторов, имеющих ряд недостатков. Так, он предложил обмотку ротора выполнять в виде короткозамкнутых витков, ток в которых будет заводить переменное магнитное поле статора. Внешне такое решение представляет собой два кольца, соединенных между собой поперечными проводниками, — «бельчье колесо». Такой устройство еще называется двигателем с короткозамкнутым ротором.
Принцип действия примерно следующий: при запуске переменное поле статора возбудит в проводниках сильный ток, что приведет к намагничиванию сердечника ротора, он будет притянут статорными магнитами и начнет вращение. Чтобы ток стабильно появлялся в замкнутых витках, необходимы постоянные колебания магнитного поля, поэтому ротор вращается медленнее магнитного поля. Именно от такого «запаздывания» двигатели начали называть асинхронными, а разница вращений — скольжение.
Скольжение является переменной величиной. При запуске оно достигает максимальных значений, постепенно уменьшаясь и достигая минимальных значений на холостом ходу (примерно 3%). Если есть нагрузка на вал, скольжение пропорционально увеличивается и возрастает вместе с нагрузками (около 7%).
Особенности трехфазных асинхронных двигателей
Конструкция этого типа оказалась настолько удачной, что большинство электроприводов всего мира производятся на базе трехфазных асинхронных устройств, имеющих короткозамкнутый ротор. Они имеют ряд преимуществ, в частности, обладают:
- Исключительной простотой, надежностью и долговечностью;
- Удобством обслуживания и ремонта;
- Возможностью изменять направление вращения ротора. Для это нужно всего лишь переключить два любые фазные провода;
- Возможностью работы в качестве генератора: при применении электромагнитного торможения мотор начнет отдавать энергию в сеть.
Простота переключения фазных проводов может быть как преимуществом, так и недостатком
Производя замену силового кабеля, нужно особое внимание уделять оборудованию, запомнить, как оно ранее было подключено. Делая монтаж, следует обязательно перепроверить на запасном двигателе фазировку проводов, ведь оборудование может запросто выйти из строя, если сделана неверная фазировка
Слабые стороны асинхронного трехфазного двигателя:
- Значительный пусковой ток, превышающий номинальный примерно в 5 раз. Это значит, что нужно устанавливать защитные автоматы двигателей только класса D.
- Малый момент на валу при запуске. При значительной инерции понадобится двигатель большей мощности.
Схема подключения
Разбирать схему включения асинхронного двигателя с фазным ротором будем на примере схемы плавного пуска.
Схему условно можно разделить на 2 цепи – силовую и управления. Силовая цепь состоит из автоматического выключателя QF , контактора КМ1, теплового реле КК, включённого в разрыв питающего двигатель кабеля и самого двигателя. Контактор КМ1 подаёт напряжение на обмотку статора. Контакторы КМ2, КМ3 и КМ4 шунтируют (выводят из цепи) резисторы, соединённые с обмоткой ротора. Резисторы, кстати, соединяются тоже по схеме звезды.
Цепь управления состоит из катушки контактора двигателя КМ1, подключённой по стандартной схеме с через нормально замкнутый контакт теплового реле КК. И цепи управления контакторами резисторов КМ2, КМ3 и КМ4, реле времени КТ1, КТ2 и КТ3. При срабатывании теплового реле, контакт КК разомкнётся и отключит контактор КМ1 и все цепи обесточатся – и двигатель, и цепь управления.
При включении автомата QF напряжение через нормально замкнутую кнопку SB2 (СТОП) поступает на нормально разомкнутую кнопку SB1 (ПУСК). При нажатии на кнопку SB1 напряжение подаётся на контактор катушку контактора КМ1, в результате чего нормально разомкнутые контакты КМ1.1, КМ1.2.
КМ1.1 запитает цепь из реле времени КТ1, КТ2, КТ3 и контакторов управляющих резисторами в цепи ротора КМ2, КМ3, КМ4.
КМ1.2 замкнётся и будет удерживать контактор КМ1 во включённом состоянии – это называют самоподхватом, когда контактор удерживается во включенном состоянии за счет того, что катушка питается через контакт этого же самого контактора.
Начнётся «процесс» запуска двигателя. В первый момент времени, когда вал ещё не вращается к нему подключены все сопротивления, ток ротора, наводимый вращающимся магнитным полем, будет протекать через всю цепочку, а его значение будет минимальным.
Реле времени КТ1, КТ2 и КТ3 настроены на определённую задержку времени, через которую они будут включаться. Время задержки настраиваться для каждого конкретного случая, в зависимости от режима запуска и работы двигателя, нагрузки на его валу. Поэтому опустим конкретные цифры, просто примем, что эти реле включаются одно за другим.
По истечении времени задержки КТ1 включится и включит контактор КМ2, тем самым выведет из цепи первую цепочку сопротивлений. Активное сопротивление ротора уменьшится, уменьшиться и его скольжение, а значит обороты станут больше при том же моменте.
Двигатель продолжит разворачиваться и по истечении времени задержки КТ2 сработает, включит КМ3 и выведет из цепи ротора следующую цепочку резисторов, сопротивление ротора уменьшится ещё больше, вал начнёт вращаться ещё быстрее и так далее… Такой процесс будет повторяться столько раз, сколько ступеней резисторов подключено к ротору, что вы и можете видеть на следующей анимации.
Так и происходит плавный пуск асинхронного двигателя с фазным ротором, таким образом, повышается пусковой момент и снижается пусковой ток. Но из-за того, что двигатель работает, по сути своей, как трансформатор – то ток, протекающий через резисторы ротора, преобразуется в тепло. То есть КПД двигателя в таких режимах низкая.
Аналогичным способом происходит и регулировка частоты вращения АД с фазным ротором, только цепочки резисторов подключаются/отключаются не автоматически, а вручную. Например, на грузоподъёмных кранах для этого используют командоконтроллеры.
Командоконтроллер — это коммутационный аппарат с множеством контактов, которые переключаются с помощью рычага с несколькими фиксированными положениями, как у рычага автоматической коробки передач автомобиля. При переводе рычага в каждое из положений соединяются разные группы контактов и замыкают соответствующие определённым режимам работы (скоростям) двигателя цепи.
На современных кранах используются миниатюрные и более комфортные для крановщика джойстики, кроме габаритов их конструкция ничем особо не отличается, за исключением того, что один аппарат может управлять перемещением тележки крана в разных направлениях (продольное и поперечное).
Резисторы для двигателя с фазным ротором выполняются в виде спиралей, свитых из металлических лент или проволоки (фехралевой, константановой ) и закреплённых на шасси.
Пример схемы управления двигателем грузоподъёмного механизма вы видите ниже. Здесь в средней части схемы пунктирными линиями изображены положения контактной группы командоконтроллера. В остальном схема почти аналогична рассмотренной в статье, а основные отличия в том, что вместо реле времени установлен командоконтроллер, а двигатель подключен по .










![Как работает электродвигатель [для чайников]](http://razdolny.ru/wp-content/uploads/d/d/b/ddb8f2b87ec00214ded1bb0af917f2b3.png)


















