Подключение электросчетчика с трансформаторами тока
Одной из важнейших характеристик любого электросчетчика является его номинальный ток. То есть ток, который прибор может не только посчитать, но и долговременно через себя пропускать. Если в вашем доме стоит очень мощное оборудование, а потребляемый им ток имеет большие значения, то подобрать подходящий электросчетчик не удастся – счетчиков для таких мощностей просто не существует в природе. Как тут быть? Выход из положения – установка трансформаторов тока (ТТ).
Как работает и для чего нужен
Основной задачей прибора является пропорциональное преобразование тока одной величины в ток другой. Конструктивно изделие представляет собой железный сердечник, на котором размещены две обмотки. Первая включается в разрыв сети, состояние которой нужно контролировать, а вторая – к электросчетчику. Электроэнергия, проходя по первой обмотке, будет наводить ЭДС во второй, а отношение токов в этих катушках будет пропорционально отношению количества их витков.
Принцип работы токового трансформатора
Если, к примеру, первичная обмотка имеет 2 витка, а вторичная 20, то введенный во вторичной обмотке ток будет в 10 раз ниже тока первичной. В этом случае говорят, что коэффициент трансформации прибора 10 к 1 (10/1). Предположим, ваш токарный станок потребляет ток в 200 А. Такую мощность не выдержит ни один электросчетчик. Но если вы подключите прибор через ТТ, рассмотренный выше, то максимальная нагрузка через счетчик не будет превышать 200/10 = 20 А.
Совсем другое дело – токи такой величины легко сможет контролировать практически любой электросчетчик. Подбирая трансформаторы с тем или иным коэффициентом трансформации, вы легко можете вести учет расхода электроэнергии практически любой мощности обычными электросчетчиками.
Как подключить ТТ к трехфазной сети
А теперь о схеме включения счетчика через ТТ. Конечно, она будет несколько сложнее конструкции прямого включения, но не настолько, чтобы в ней не разобрался человек, имеющий представление о простейших электрических цепях.
Схема подключения трехфазного счетчика через трансформаторы тока
В этой схеме электросчетчик подключен не в разрыв сетевых проводов, а ко вторичным обмоткам ТТ, которые обозначены как И1, И2. А в этот самый разрыв подключены первичные обмотки трансформатора (на схеме Л1, Л2).
Прежде чем взяться за сборку вышеприведенной схемы, необходимо четко разобраться в нескольких вопросах. От правильного их решения будет зависеть не только безопасная и долговременная работа схемы, но и ее работоспособность. Вот основные из них:
- Правильный выбор сечения монтажных проводов.
- Фазировка катушек ТТ.
Если вы не врезаете ТТ непосредственно в линию, то соединяющие провода первичной обмотки должны иметь то же сечение, что и проводка линии. Проводники, соединяющие ТТ и счетчик, конечно, могут быть тоньше, но они должны уверенно выдерживать ток, обозначенный на корпусе электросчетчика.
На фазировку (правильное подключение концов катушек) ТТ нужно обратить особое внимание. В противном случае прибор учета либо не заработает, либо будет врать, а то и закрутится в другую сторону, если он двунаправленный
Как разобраться с фазировкой? В этом поможет рисунок ниже:
Набор токовых трансформаторов для трехфазной сети
Даже если ваши трансформаторы не совсем похожи на приведенные, особой разницы нет – в любом случае все выводы обмоток маркируются единообразно. Контакты первичной, силовой обмотки отличить несложно – они гораздо мощнее контактов вторичной и расположены с противоположных сторон изделия. Маркируются они Л1 и Л2. Выводы обмотки 2, подключаемой к электросчетчику, в этом варианте исполнения закрыты прозрачной крышкой и имеют обозначение И1, И2. Если взглянуть на схему подключения счетчика, то можно увидеть, что катушки не только должны быть подключены каждая на свое место, но и правильно сфазированы:
- Л1 – на ввод питающей линии;
- Л2 – выход на нагрузку;
- И1 – на ввод счетчика;
- И2 – выход счетчика.
Что касается расцветки корпуса ТТ, она условна и служит только для удобства монтажа. Фактически все три трансформатора абсолютно идентичны.
Как быть, если в вашем доме однофазная сеть, но ток потребления слишком велик для электросчетчика? Такая ситуация достаточно редка, но она случается. И здесь выручит токовый трансформатор, причем всего один. Как подключить однофазный электросчетчик через ТТ понятно из рисунка ниже:
Схема подключения однофазного электросчетчика с трансформатором тока
Приборы индукционные
Порядок работы счетчиков электроэнергии этого класса основывается на вращении рабочего диска под воздействием сформированного измеряемым током переменного э/м поля.
На размещённом ниже рисунке можно ознакомиться со схематичным представлением простейшего образца типа «Энергомера» (трехфазное изделие работает по тому же принципу).
На этой схеме 1 означает токовую катушку, через которую протекает нагрузочный ток, создающий в ней соответствующий по величине магнитный поток Фi. Появляющееся при этом поле пронизывает своими силовыми линиями алюминиевый диск и наводит в нем вихревые токи.
Эти токи формируют другое полевое образование, которое начинает взаимодействовать с полем Фu катушки напряжения (она обозначается как «2»). Взаимодействие двух этих структур вызывает появление импульсного вращающего момента, приводящего в движение алюминиевый диск.
Последний посредством червячной передачи приводит в движение механический счетный узел 3. Постоянный магнит 4 необходим для формирования тормозящего эффекта, обеспечивающего стабилизацию вращения диска.
Схема подключения однофазного счетчика к сети 220 Вольт
Хочется изначально заметить, что подключить однофазный счетчик к электросети сможет каждый человек, сложности возникают на том моменте, когда вы собираетесь подключить двухфазный счетчик. Такую схему можно использовать будь у вас одно тарифный или двух тарифный счетчик, разницы здесь нет никакой.
Любой счетчик имеет сеть заземления, как правило, она старого образца «Система TN-C». В такой ситуации конструкция любого счетчика включается в себя 4 основных клеммы: выводы и вводы фазного проводника, и вводы и вывода нуля.
Чтобы подключить однофазный электросчетчик к сети достаточно вывести на распределительный щит все группы проводов, в конечном результате их нужно присоединить к вводному автоматическому выключателю. Автомат подключается к однофазному электрическому счетчику. Вот и весь процесс, который вы должны выполнить, как видите, сложного нет ничего абсолютно. После этого можете смело вызывать представителя управляющий компании, чтобы он опломбировал устройство. Читайте, каким требованиям должен отвечать электросчетчик.
Если говорить за разновидность моделей, то здесь нет никакой разницы, будь у вас: Меркурий, Нева или Энергомера. У каждой модели всего 4 клеммы, больше для их подключения не нужно ровным счетом ничего. Вот так выглядит схема подключения однофазного счетчика к сети 220 Вольт.
Если сеть с заземлением, то схема уже выглядит вот таким образом:
Однофазные считчики можно смело использовать во всех типах жилища, ведь их мощность может достигать 60 А – этого вполне хватает для проводка до 10 кВт. Так что, такой счетчик мы устанавливать рекомендуем всегда, с ним проблем никаких не возникает. Если что, можно будет без проблем заменить на другой, используя актуальную схему. Следующим образом выглядит конструкции электрических счетчиков.

Это интересно: Счетчик Меркурий 201 — характеристики, схема подключения
Необходимость в трёхфазном учете
Согласно требованиям действующих нормативов, при возрастании величины потребляемой объектом мощности до значений 15-20 кВт и выше должна применяться трехфазная система питания. Объясняется это тем, что при указанных мощностях величина электрического тока в цепях может достигать 70-ти Ампер, что считается недопустимым для городских квартир.
Дополнительная информация. Для обеспечения нормального режима работы многоквартирной сети потребуется электрический кабель с сечением жил порядка 10 мм², монтаж которых практически невозможен в реальных условиях.
При данных показателях потребления действующими положениями ПУЭ предписывается использование системы энергоснабжения, рассчитанной на 380 Вольт. Учёт расходуемой энергии в этом случае обеспечивается подключением трехфазного электросчетчика непосредственно в питающую цепь.
Потребляемая при этом мощность распределяется между тремя фазными жилами, вследствие чего ток в каждой из них снижается примерно до 2,5 Ампер. Благодаря такому подходу, сечение жил подводящего кабеля, к которому подключается вся электросеть, можно будет уменьшить до значения порядка 2,5 мм².
Зависимость сечения проводников от протекающего по ним тока или от потребляемой нагрузкой мощности представлена в отдельной таблице (смотрите https://elquanta.ru/schetchiki/podklyuchenie-schetchika.html). Понятно, что при уменьшении этого параметра снижается и стоимость всей электропроводки, а также существенно упрощается ее монтаж.
Переход на современную и универсальную трехфазную схему питания предпочтителен и с точки зрения поддержания требуемого температурного баланса, обеспечивающего безопасные условия эксплуатации всей системы электроснабжения.
Естественно, что этот способ организации электропитания и учёта в частном доме потребует значительных по величине материальных издержек. Так что всем желающим воспользоваться преимуществами трехфазного подключения необходимо заранее определиться со своими финансовыми возможностями.
Схема электроснабжения частного дома 380В 15 кВт
Одним из важнейших этапов строительства или ремонта загородного дома является его электрификация. В современном жилье устанавливается большое количество бытовых приборов и всевозможного оборудования и все эти устройства потребляют электроэнергию. Поэтому приходится решать такой важный вопрос, как подключение объекта к электросети. Для этого в первую очередь понадобится схема электроснабжения частного дома 380В, 15 кВт, которая может быть двух типов – однофазная и трехфазная. Спросом пользуются оба варианта, однако в последнее время предпочтение отдается трехфазной схеме, которая существенно снижает нагрузку на сеть за счет ее равномерного распределения в виде трех параллельных линий.
Защитные и переходные устройства
Любой трехфазный счетчик электроэнергии, включаемый в высоковольтные сети через трансформаторы тока, должен быть защищен от перенапряжений, нередко возникающих в линиях энергоснабжения. С этой целью последовательно с ним устанавливаются специальные приборы, позволяющие ограничить напряжения, возникающие в линии в аварийной ситуации. Они встречаются под различными наименованиями, наиболее распространенным из которых является оин.
Это устройство по своему функциональному назначению напоминает защитный автомат. Но только срабатывает оно не от перегруза по току, а используется как ограничитель напряжения на участке питающей линии, в который включается трехфазный счетчик.
Ниже приводится схема, согласно которой осуществляется монтаж этого прибора в цепи защищаемого им оборудования.
Перед тем, как установить трехфазный счетчик в питающую цепь, специалисты советуют воспользоваться ещё одним специальным приспособлением, подключённым к клеммнику самого счётчика.
Указное изделие, встречающееся под обозначением икк, имеет в своей конструкции ряд перемычек, позволяющих коммутировать подключение удобным для пользователя способом. Внешний вид этого приспособления и схема включения его в цепи питания приводятся на фото ниже.
Из этого фото видно, что при применении ИКК монтаж и демонтаж прибора учёта любого типа существенно упрощается, что очень удобно при проведении их ремонта, например.
Дополнительная установка ИКК осуществляется путём его параллельного подключения к уже имеющейся клеммной колодке.
В заключительной части обзора отметим, что рассмотренные ранее схемы включения счетчиков выбираются, в зависимости от условий их эксплуатации и характера действующей электрической сети. Для организации правильного их подсоединения важен учёт всех факторов, влияющих на работоспособность конкретного счётного устройства, определяемых не только его классом, но и особенностями механизма снятия показаний.
Типы трехфазных счетчиков
Вообще, тип счетчика, а иногда и его марка, указан в проекте электрификации. Очень редко случается, но у вас могут спросить, какой трехфазный счетчик вы желаете. Такие либеральные проэктанты встречаются крайне редко, и все же, стоит хоть немного разбираться в теме. Есть трехфазные счетчики для подключения трех и четырех проводов. Первые подключаются если нет «нулевого» повода. С этим разобраться несложно.
Далее необходимы выбрать тип счетчика:
-
Трехфазные счетчики прямого включения. Наиболее простое подключение, так как подсоединяются напрямую к сети. Мощность подключаемой нагрузки не более 60 кВт, ток не более 100 А. К ним можно подключать провода сечением 15 мм² (не более 25 мм²). Это ограничивает область применения — в основном их ставят в домах и квартирах, на небольших предприятиях.
- Трехфазные счетчики косвенного включения. Их можно подключать только через трансформаторы тока и напряжения. Ставят обычно на предприятиях, потому что ограничений по мощности такой тип не имеет.
- Полукосвенного (трансформаторного) подключения. Также требуют включения через трансформаторы, но не настолько мощные, как косвенные, поэтому могут применяться в частных домах. При определении платы за электроэнергию показания необходимо умножать на передаточный коэффициент.
Выбирать вам особо не придется, так как тип счетчика, обычно, тоже указывается в проекте. Для частных домов либо прямого, либо полукосвенного подключения, в квартирах преимущественно прямого. Прямое подключение проще в реализации (просто завести провода на клеммы), элементарно считать показания — просто списывать их. При установке полукосвенного счетчика, нужны трансформаторы тока (ТТ) или напряжения (зависит от проекта) и рекомендовано подключение через испытательную коробку. Под все эти устройства требуется место в щите. Что еще надо помнить, что при расчете показаний требуется учитывать коэффициент трансформации для каждой фазы. То есть, надо будет показания умножать на этот коэффициент.
Включение в схему систем защиты
Электрический счетчик является всего лишь прибором учета и никакой защиты от нештатной ситуации не имеет. Он легко сгорит при перегрузке сети, не защитит оборудование при перенапряжении, не спасет людей при пробое изоляции и аварии оборудования. Именно поэтому все приборы учета дополняются теми или иными системами защиты. Основными и самыми необходимыми из них считаются:
- Защита от тока утечки.
- Защита по перегрузке.
Для выполнения первых задач служат так называемые дифференциальные выключатели или УЗО – Устройства Аварийного Отключения. Задачу по перегрузке решают обычные предохранители (пробки) или автоматические выключатели, именуемые в быту «автоматами». Изготавливаются они обычно как отдельные устройства, но нередко УЗО и автоматы совмещают в одном корпусе (дифференциальный автомат).
Автоматический выключатель (слева), УЗО и дифференциальный автомат
Подключить УЗО и автомат не сложнее, чем установить счетчик, но некоторые вопросы все же требуют разъяснения.
Где ставить автомат – до или после счетчика
В принципе и счетчику, и защитному устройству совершенно без разницы, в какой последовательности стоять. Если произойдет, к примеру, короткое замыкание, то ток перегрузки во всей линии будет одинаков. Важнее то, что автоматический выключатель тут же разорвет цепь, спасая саму линию и приборы, к ней подключенные.
Другое дело, что автоматом можно обесточить линию, расположенную за ним, вручную. Это бывает полезным, к примеру, при профилактических и ремонтных работах. Здесь, без сомнения, установка автомата перед электросчетчиком была бы более удобной, но далеко не все поставщики электроэнергии это приветствуют, опасаясь несанкционированного подключения. Поэтому прежде чем поставить выключатель перед прибором учета, поинтересуйтесь в ваших РЭС, можно ли так сделать.
Можно ли установить несколько автоматов
Не можно, а желательно. Это сделает пользование домовой сетью не только более безопасным, но и удобным. Если, к примеру, розетки и освещение заведены на разные автоматы, то при коротком замыкании, скажем, в электроплитке сработает лишь автомат, отвечающий за розетки. Это позволит пользоваться освещением при поиске неисправности.
Где поставить защиту от утечки
С УЗО, в принципе, ситуация та же, что и автоматами. Если, не дай бог, произойдет утечка, то УЗО великолепно сработает, будучи установленным как до, так и после электросчетчика. На практике же дифференциальные выключатели чаще ставят после приборов учета – ни у кого не нужно спрашивать разрешения на установку. Что касается установки нескольких дифвыключателей, каждый на свою линию, то и здесь нет никаких ограничений.
Ну а теперь самое время посмотреть, как подключить однофазный счетчик электроэнергии и автоматы защиты:
Схема включения счетчика и автоматов в однофазную сеть
Как подключить электросчетчик через трансформаторы тока?
Схем такого подключения существует несколько. Разберем все эти схемы применительно к трехфазному варианту включения. Для чего нужны электросчетчики? Вообще счетчики нужны для того, чтобы учитывать электрическую энергию, потребленную в трех- и четырехпроводных сетях с частотой тока, равной 50 герц.Счетчики трехфазного типа бывают следующих видов:
- 3*57.7/100 В;
- 3*230/400 В.
К источнику электроэнергии такие счетчики необходимо подключать с использованием измерительных трансформаторов тока, рассчитанных на вторичный ток 5 А и трансформаторов напряжения со вторичным напряжением 100 В.
Рассматриваемые тут схемы применимы к любым типам счетчиков (и к аппаратам индукционного типа, и к электронным).
Первое, что необходимо помнить, выполняя подключение, это то, что при подключении необходимо соблюдение полярности подключения обмоток (Л1, Л2 – первичная; И1, И2 – вторичная) у трансформаторов тока. Полярность обмоток трансформаторов напряжения, так же, подлежит обязательной перепроверке. Сами трансформаторы, тоже нужно выбирать правильно.
О принципах подключения с использованием трансформаторов тока
Начнем рассматривать схемы подключения со счетчиков, имеющих полукосвенное включение. Таких схем существует несколько.
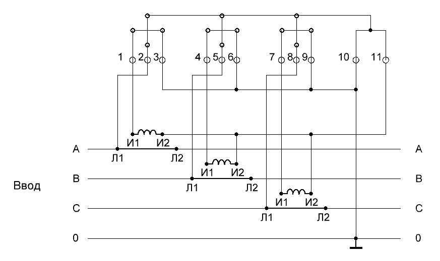
Десятипроводная
В этой схеме разделены цепи питания по току и напряжению, что придает немалый плюс из соображения электрической безопасности.
https://youtube.com/watch?v=HA518GQmHBs
Отрицательная сторона этой схемы – проводов для подключения надо много.
Теперь разберем назначение имеющихся зажимов:
- Зажим входного провода для фазы А;
- Зажим входного провода измерительной обмотки фазы А;
- Зажим выходного провода для фазы А;
- Зажим входного провода фазы В;
- Зажим входного провода измерительной обмотки фазы В;
- Зажим выходного провода для фазы В;
- Зажим входного провода для фазы С;
- Зажим входного провода измерительной обмотки фазы С;
- Зажим выходного провода для фазы С;
- Зажим входного нулевого провода;
- Зажим нулевого провода.
Контакты трансформаторов тока:
- Л1 – контакт входа фазной (силовой) линии;
- Л2 – контакт выхода фазной линии (нагрузки);
- И1 – контакт входа обмотки измерения;
- И2 – контакт выхода обмотки измерения.
Вот описание схемы такого подключения.
Токовые трансформаторы подключать нужно в разрыв фазных проводов клеммами Л1 и Л2.
Фаза А подключается к клемме Л1 трансформатора тока ТТ1, туда же подключается клемма 2 счетчика. Клемма 1 подключается к контакту И1 ТТ1.
Контакты И2 трансформаторов тока ТТ1 и ТТ2 нужно соединить вместе, в эту же точку подключают контакты 6 и 10 счетчика, после чего все это требуется соединить с нейтралью.
Контакты Л2 всех ТТ подключаются к нагрузке. Теперь рассмотрим подключение остальных контактов:
- Контакт 3 счетчика подключаем на И2 ТТ1;
- Контакт 4 счетчика – И1 ТТ2;
- Контакт 5 счетчика – вход фазы В и клемма Л1 ТТ2;
- Контакт 7 счетчика – клемма И1 ТТ3;
- Контакт 8 счетчика – вход фазы С и клемма Л1 ТТ3;
- Контакт 9 счетчика – клемма И2 ТТ3.
Подключение токовых трансформаторов по схеме «звезда»
В такой схеме нужно меньшее число проводов, чтобы выполнить подключение. В этой схеме клеммы И2 всех токовых трансформаторов, соединяясь вместе, подключаются к клемме 11 счетчика. Контакты 3, 6, 9 и 10, соединившись вместе, подключаем на нулевой провод. Остальные клеммы подключаем так же, как и в предыдущем варианте.
Схема подключения с применением испытательной клеммной коробки
Существует специальное требование для выполнения подключения электросчетчиков через трансформаторы (ПУЭ, гл1.5, п1.5.23), говорящее о том, что это подключение необходимо выполнять с применением испытательного блока (коробки).
Присутствие такой коробки (блока) дает возможность производить замыкание вторичных обмоток токовых трансформаторов, подключить эталонный (образцовый) счетчик без отключения нагрузки и выполнять смену счетчиков, производя отключение всех цепей в испытательной коробке.
Без внимания оставим только одну схему – семипроводную (иначе называемую схемой, имеющей совмещенные цепи напряжения и тока). Не рассматриваем ее по той причине, что такая схема устарела.
Существенным ее минусом считается то, что у нее имеется связь гальванического типа между входными и выходными цепями, а это является источником немалой опасности для тех, кто будет обслуживать электросчетчики.
Вот мы и рассмотрели все существующие схемы подключения электросчетчиков с применением трансформаторов тока. Какой из них использовать, индивидуальное дело каждого. Единственное, что необходимо учитывать при этом, так это индивидуальные особенности места необходимой установки прибора и не забывать про требования специальных правил ПУЭ.
Подключение трехфазного счетчика полукосвенного включения
Данные приборы включаются в сеть через трансформаторы тока, благодаря чему появляется возможность использовать их в сетях с довольно высокими мощностями (до 60кВт). Используя такой способ учета, для определения расхода нужно разность показаний умножать на установленный коэффициент трансформации.
Существует несколько разновидностей подключения счетчиков полукосвенного подключения.
1 Подключение трансформаторов тока «звездой»
Процесс подключения проводов имеет вид:
- контакты 3, 6, 9, 10 – замыкаются и подключаются к нулевому проводу;
- контакты И2 – замыкаются, подключаются к клемме 11;
- 1 – к И1 фазы А;
- 4 – к И1 фазы В;
- 7 – к И1 фазы С;
- 2 – к Л1 фазы А;
- 5 – к Л1 фазы В;
- 8 – к Л1 фазы С.
Рисунок — Схема подключения «звездой»
3. Подключение трехфазного счетчика косвенного подключения
Эти устройства предназначены для выполнения учета электроэнергии на высоковольтных присоединениях (6-10кВ и более), подключение реализуется при помощи трансформаторов напряжения, тока.
Ниже представлены основные схемы подключения трехфазных счетчиков через трансформаторы тока и напряжения:
1) Схема включения трехэлементного счетчика в четырехпроводную сеть с заземленной нейтралью: (рисунок ниже) 
2) Схема включения трехэлементного счетчика в четырехпроводную сеть. Три трансформатора тока, прямое подключение к напряжению:(рисунок ниже) 
3) Схема включения трехэлементного счетчика к трехпроводной линии — два трансформатора тока, три трансформатора напряжения: (рисунок ниже)

При подключении трехэлементного счетчика по схеме №3:
- ток по фазе В вычисляется с вычетом тока нулевой последовательности;
- не используются токи прямой, обратной и нулевой последовательности основной частоты (симметричные составляющие);
- активная и реактивная мощности по фазе В вычисляются с вычетом тока нулевой последовательности из фазного тока;
- учет электрической энергии ведется с учетом вышеприведенных замечаний.
4) Схема включения двухэлементного счетчика к трехпроводной линии — два трансформатора тока, два трансформатора напряжения (рисунок ниже)

При подключении счетчика по схемам №4 и №5:
- не измеряется напряжение нулевой последовательности основной частоты (симметричные составляющие);
- не измеряются токи прямой, обратной и нулевой последовательности основной частоты (симметричные составляющие);
- мощности присоединения вычисляются по формулам;
- учет электрической энергии ведется с учетом вышеприведенных замечаний.
5) Схема подключения двухэлементного счетчика к трехпроводной линии – два трансформатора тока, прямое подключение по напряжению (рисунок ниже)

Внимание!: Возможность подключения по конкретной схеме должна быть указана в паспорте или руководстве на конкретный тип счетчика





























