Ввод №1 и ввод №2 исправны
Первый ввод является основным, второй – резервным. Устройство посредством контактов А1,В1,С1 через защитный автомат QF2 следит за напряжением на вводе-1. То же самое происходит по вводу-2, через контакты А2,В2,С2.

Так как на всех этих контактах все в норме, AVR-02 должен подать напряжение на катушку КМ. Как это происходит?
Контакт 1 и 11 формируют сигнал управления посредством реле К5. Данное реле К5, если уровень напряжения нормален на обоих вводах, должно включить ввод№1. То есть находится в том положении, как на изначальной схеме. Напряжение через него попадает на 10 контакт и идет до катушки КМ4. Это промежуточное реле. Его контакты обозначены КМ4.1 и КМ4.2

Реле срабатывает, замыкая свои контакты и напряжение через них попадает на 22-й контакт. Далее AVR включает реле К1. Через него и контакт №24 фаза достигает катушки включения КМ1. При этом другие реле К2,К3,К4 остаются разомкнутыми.

Варианты схем для реализации АВР с описанием
Приведем несколько рабочих примеров, которые можно успешно применить при создании щита автоматического запуска. Начнем с простых схем для бесперебойной системы электроснабжения жилого дома.
Простые
Ниже представлен вариант схемы АВР, переключающей подачу электричества в дом с основной линии на генератор. В отличие от приведенного выше примера, здесь предусмотрена защита от короткого замыкания, а также электрическая и механическая блокировка, исключающая одновременную работу от двух вводов.
Схема АВР для дома
Обозначения:
- AB1 и AB2 – двухполюсные автоматические выключатели на основном и резервном вводе.
- К1 и К2 – катушки контакторов.
- К3 – контактор в роли реле напряжения.
- K1.1, K2.1 и K3.1 – нормально-замкнутые контакты контакторов.
- К1.2, К2.2, К3.2 и К2.3 – нормально-разомкнутые контакты.
После переводов автоматов АВ1 и АВ2 алгоритм работы блока АВР будет следующим:
- Штатный режим (питание от основной линии). Катушка К3 насыщается и реле напряжения срабатывает, замыкая контакт К3.2 и размыкая К3.1. В результате напряжение поступает на катушку пускателя К2, что приводит к замыканию К2.2 и К2.3 и размыканию К2.1. Последний играет роль электрической блокировки, не допускающей подачи напряжения на катушку К1.
- Аварийный режим. Как только напряжение в главной линии исчезает или «падает» ниже допустимого предела, катушка К3 перестает насыщаться и контакты реле принимают исходную позицию (так, как показано на схеме). В результате на катушку К1 начинает поступать напряжение, что приводит к изменению положения контактов К1.1 и К1.2. Первый играет роль электрической защиты, не допуская подачи напряжения на катушку К2, второй снимает блокировку подачи питания на нагрузку.
- Чтобы работала механическая блокировка (на схеме отображена в виде перевернутого треугольника) необходимо использовать реверсивный пускатель, где ее наличие предполагается конструкцией электромеханического прибора.
Теперь рассмотрим два варианта простых АВР для трехфазного напряжения. В одном из них энергоснабжение будет организовано по односторонней схеме, во втором применено двухстороннее исполнение.
Рисунок 6. Пример односторонней (В) и двухсторонней (А) реализации простого трехфазного АВР
Обозначения:
- AB1 и AB2 – трехполюсные автоматы защиты;
- МП1 и МП2 – магнитные пускатели;
- РН – реле напряжения;
- мп1.1 и мп2.1 – групповые нормально-разомкнутые контакты;
- мп1.2 и мп2.2 – нормально-замкнутые контакты;
- рн1 и рн2 – контакты РН.
Рассмотрим схему «А», у которой два равноправных ввода. Чтобы не допустить одновременное подключение линий применяется принцип взаимной блокировки, реализованный на контакторах МП1 и МП2. От какой линии будет питаться нагрузка, определяется очередностью включения автоматов АВ1 и АВ2. Если первым включается АВ1, то срабатывает пускатель МП1, при этом разрывается контакт мп1.2, блокируя поступление напряжение на катушку МП2, а также замыкается контактная группа мп1.1, обеспечивающая подключение источника 1 к нагрузке.
При отключении источника 1 контакты пускателя ПМ1 возвращаются в исходное положение, что приводит в действие контактор ПМ2, блокирующий катушку первого пускателя и включающий подачу питания от источника 2. При этом нагрузка будет оставаться подключенной к этому вводу, даже если работоспособность источника 1 пришла в норму. Переключение источников можно делать в ручном режиме манипулируя выключателями АВ1 и АВ2.
В тех случаях, когда требуется одностороння реализация, применяется схема «В». Ее отличие заключается в том, что в цепь управления добавлено реле напряжения (РН), возвращающее подключение на основной источник 1, при восстановлении его работы. В этом случае размыкается контакт рн2, отключающий пускатель МП2 и замыкается рн1, позволяя включиться МП1.
Как самому изготовить АВР
Устройства, оборудованные автозапуском отличаются высокой стоимостью, поэтому рекомендуется собрать АВР для генератора своими руками, используя те же элементы, что и в заводских моделях.

Основной и наиболее дорогостоящей частью автомата является универсальный контроллер. В качестве силовой части используются контакторы, выполняющие непосредственное переключение с общей сети на локальную сеть генератора. Для размещения всех деталей понадобится щит или шкаф, наиболее подходящий по размерам для данного устройства. В качестве блока питания схема АВР для генератора рекомендует использовать специальный центр управления на 1-3А, а в переключателе должны быть три уровня рабочих режимов. Следует заранее приготовить электрические инструменты, кабель и соединители.
Для обеспечения качественной сборки avr для генератора необходимо соблюдать определенные рекомендации и порядок действий
При самостоятельном выборе контроллера нужно обращать внимание на наличие инверсной воздушной заслонки. Данный элемент очень полезен для генератора, оборудованного механической заслонкой
Выбирая контакторы, следует ориентироваться на их пропускную способность. При отсутствии в приборе электромеханической защиты, ее нужно приобрести отдельно.

Для того чтобы собрать АВР своими руками, схема предусматривает автоматическое контролирующее устройство, которое должно иметь нормальное постоянное напряжение. Выполнение этого условия возложено на блок питания. Обычно используется аккумулятор повышенной мощности, поскольку при значительных нагрузках он очень быстро разряжается. С помощью этого блока питания происходит регулировка выходящего напряжения. Все детали рекомендуется приобретать только в проверенных специализированных торговых точках, отдавая преимущество продукции наиболее известных производителей.
Устройство и принцип работы
АВР для генератора состоит из трёх взаимосвязанных основных блоков:
- семейства контакторов, коммутирующих вводные и нагрузочные цепи;
- логических и индикационных устройств;
- блока релейных переключателей, предназначенных для управления генератором.
С целью повышения надёжности резервной энергосистемы устройства АВР могут комплектоваться дополнительными блоками. Например, включение в схему инверторов позволяет выровнять провалы в напряжениях, исключить временные задержки, сделать выходной ток более качественным.
Включение резервной линии обеспечивает контактная группа. За наличием вводного напряжения следит реле контроля фаз.
Рассмотрим принцип работы системы резервного питания на примере упрощённой схемы (рис. 2). В штатном режиме, когда питание осуществляется от основной сети, контакторный блок направляет электроэнергию на линии потребителей. На схеме показан дополнительный блок – инвертор, преобразующий постоянный ток от аккумулятора в переменный, напряжением 220 В.

Рис. 2. Упрощённая схема резервного питания
Сигнал о наличии вводного напряжения подаётся на блок логических и индикационных устройств. В номинальном режиме вся система находится в устойчивом состоянии. При аварии в основной сети (напряжение падает ниже установленного уровня) насыщение соленоида реле контроля фаз становится недостаточным для удерживания контактов в рабочем (нормально замкнутом) состоянии. Происходит разъединение контактов и отключение нагрузки от линии электропередач.
Если система оборудована инвертором, как показано на схеме, он переходит в режим генерации переменного тока, напряжением 220 В. Таким образом, потребители получают стабильное напряжение даже при полном отсутствии тока в коммерческой сети.
Если параметры линий электропередач не восстанавливаются в заданный промежуток времени, контролёр подаёт сигнал на запуск генератора. При поступлении от альтернатора стабильного напряжения, контакторы переключаются на резервную линию.
При полном автоматическом переключении участие оператора не требуется. Система надёжно защищена от взаимодействия встречных токов и КЗ. Для этого применяются дополнительные реле и механизмы блокировок, которые не показаны на схеме.
При необходимости оператор может переключать линии вручную с панели контролёра. Он также может изменять настройки блока управления, включать ручной или автоматический режим работы. Фото панели показано на рис. 3.

Рис. 3. Панель контролёра резервного питания
В АВР могут реализовываться несколько режимов функционирования:
- ручной;
- автоматический;
- полуавтоматический.
Ручной режим чаще всего используют наладчики при настройке АВР.
Как работает автоматический ввод резервного питания
Принцип действия АВР основан на контроле напряжения в цепи. Это может осуществляться с помощью любых реле напряжения либо цифровых логических блоков защиты. Однако принцип работы всё рано остаётся неизменным. Рассмотрим его на самом простом примере.

Это однолинейная схема, на которой видно, что контроль наличия напряжения осуществляется контактором КМ. Оба автомата QS1 и QS2 должны быть включены, при этом катушка КМ получит питание и будет втянута, а соответственно её замыкающий контакт в цепи основного ввода тоже замкнут и размыкающий контакт в цепи резервного ввода разомкнут. Тем самым электроснабжение потребителя осуществляется от основной сети и светятся соответствующие лампы. В случае неисправности питания по линии L12 и снижения напряжения до величины, когда контактор КМ отключится, произойдёт размыкание замыкающего контакта в основной линии и одновременно с этим контакт в цепи резервного питания линии L22 перейдёт в замкнутое состояние, тем самым подав напряжение к потребителю от резервного источника. Обратная ситуация произойдёт при возобновлении основного электроснабжения по линии L12.
На видео ниже наглядно рассмотрен принцип работы АВР в сетях 6 кВ:
Подключение АВР
Перед тем как выполнять подключение, необходимо правильно разместить все детали в электрическом щите. Они устанавливаются таким образом, чтобы не было пересечений проводников, обеспечивался свободный доступ к контактам и клеммам. После этого выполняется подключение силовой части АВР и контроллеров в соответствии с принципиальной электрической схемой.

Коммутация силовой части и контроллеров осуществляется с помощью контакторов. После всех подключений выполняется непосредственное соединение АВР с генератором. Правильность и качество подключений и соединений проводников и других элементов проверяется с помощью мультиметра.
При использовании обычного режима, когда подача напряжения производится от обычной ЛЭП, в системе АВР срабатывает автоматика для генератора и происходит включение первого магнитного пускателя, подающего напряжение к щиту частного дома. С наступлением аварийного режима, при котором напряжение в сети отсутствует, при помощи реле выполняется отключение магнитного пускателя № 1 и подача сигнала генератору на производство автозапуска. После начала работы генератора в щите АВР наступает срабатывание второго магнитного пускателя, через который напряжение начинает поступать на распределительный щит домашней электрической сети.
Работа в таком режиме будет продолжаться до появления основной подачи электричества или до окончания горючего в самом генераторе. Когда основное напряжение включается в сеть, генератор и магнитный пускатель № 2 выключаются, а магнитный пускатель № 1, наоборот, включается, и вся система переходит на обычный режим работы.

Установка щита автоматического ввода резерва выполняется после электросчетчика. Таким образом, во время работы генератора учет потребленной электроэнергии не производится. Кроме того, щит АВР для генератора устанавливается до основного щита домашней сети. В результате, он оказывается установленным между счетчиком электроэнергии и распределительным щитом.
Если суммарная мощность потребителей, имеющихся в доме, превышает возможности генератора или сам агрегат недостаточно мощный, на его линию подключаются только те приборы и оборудование, которые действительно необходимы для обеспечения нормальной жизнедеятельности объекта до того момента, пока не будет включено основное электропитание.
Промышленные системы АВР
Среди отечественных производителей комплексных систем автоматического включения резерва выделяется предприятие ОАО «Контактор», которое поставляет на российский рынок шкафы АВР с различной логикой (секционированное и несекционированное питание, с возможностью подключения дополнительного автономного генератора и т.д.) и элементной базой (схема управления может быть как релейной, так и микропроцессорной).
Силовая часть системы собрана на автоматических выключателях ВА50-45Про номинальным током до 6300 Ампер, производителем которых является тот же «Контактор». Данные устройства предназначены для работы на стороне 0.4 кВ. Схемы АВР в установках выше 1000В тоже широко применяются, но это уже отдельная история.
Блок авр на 2 ввода
Определенный интерес представляет моноблочная конструкция системы автоматического ввода резерва от китайской фирмы ANDELI под названием HATS7. Удобная панель управления позволяет настроить алгоритм работы под нужды клиента, силовая часть системы, показанной на фото слева, рассчитана на токи до 160А. Ну так как китайский ампер будет поменьше нашего (шутка), я бы не пробовал его на длительных токах выше 100А. Панель управления может быть вынесена за пределы щита в более удобное место — например, на дверцу щита. Данный блок АВР можно настроить на работу с двумя линиями либо с одной линией и автономным генератором. Силовая часть — это два автомата либо контактора, которыми управляет приводной механизм. Естественно, электрическая и механическая блокировка имеется. Каким образом это делается на автоматах — смотрите на рисунке справа.

АВР на реверсивном рубильнике с электроприводом

Такая конструкция интересна прежде всего тем, что потребляет электроэнергию только в момент переключения, в отличие от контакторов, реле и т.п. Здесь практически исключена какая-либо вероятность электрического контакта одного ввода с другим. Например, разъединитель с автоматическим переключением серии NH40SZ может работать в следующих режимах:
- Сетевой источник питания – резервный источник питания, автоматическое переключение, самовозврат
- Основной – основной источник питания, автоматическое переключение и самовозврат с тестированием потери фазы
- Основной – основной источник питания, автоматическое переключение и самовозврат с тестированием перенапряжения и минимального напряжения
- Основной источник питания – генератор, автоматическое переключение и самовозврат с тестированием перенапряжения, минимального напряжения и частоты
Алгоритмы систем АВР
Система АВР должна работать по определенному алгоритму, учитывающему возможное поведение оборудования и внешние факторы. Приводится типичная блок-схема бытовой системы АВР Вот примерно по такому алгоритму должна работать простая система АВР с резервным двигатель-генератором:

При сбое в электроснабжении система сначала выжидает несколько секунд и, если положение не нормализовалось, идет команда на запуск автономного генератора. Начинается отсчет времени, необходимого для запуска приводного двигателя. На нашей схеме ожидание равно 20 секундам, но может быть и другим, в зависимости от конкретного двигателя.
В случае удачного запуска, если никакая защита не обнаруживает ненормальных режимов, идет отключение потребителя от питающей сети, и после этого — подключение к резервному источнику, который к этому времени уже запущен, и готов принять нагрузку. После этого потребители начинают работать от резервного источника электропитания.
В случае неудачного запуска делается пауза в 10 секунд и после этого предпринимается попытка повторного запуска. А в случае и второй неудавшейся попытки предпринимается третья по тому же алгоритму. В случае третьей неудачи попытки запуска прекращаются, а сигнализация показывает, что двигатель запустить не удалось.
При восстановлении электроснабжения на основном вводе выжидается одна минута и, если за этот промежуток времени сбоев не происходит, то питание переключается на основной ввод. Двигатель генератора еще 2 минуты работает и, если на основном вводе все нормально, генератор останавливается.
Развивая тему АВР с бензогенератором в качестве резервного источника питания, предлагаю на ваш суд практическую схему с автоматическим запуском генератора и автоматическим переключением питания с сети на автономный источник и обратно
Собственно, схему я уже публиковал здесь, и она представляет собой не идеальное, но вполне работоспособное решение. К недостаткам можно отнести всего лишь одну попытку запуска. При неудаче повторную попытку можно произвести, только сбросив схему с помощью кнопки. Хотя при появлении напряжения на главном вводе, схема сбрасывается самостоятельно.
Безусловно, подобное решение можно сделать и с помощью микроконтроллеров, но для понимания логики и наглядности удобней изучать релейную схему.
17.1. Назначение авр
Высокую степень надежности электроснабжения потребителей обеспечивают схемы питания одновременно от двух и более источников питания (линий, трансформаторов), поскольку аварийное отключение одного из них не приводит к нарушению питания потребителей. Несмотря на эти очевидные преимущества многостороннего питания потребителей, большое количество п/ст, имеющих два и более источников питания, работают по схеме одностороннего питания. Одностороннее питание имеют также секции шин собственных нужд (СН). Применение такой менее надежной, но более простой схемы электроснабжения во многих случаях оказывается целесообразным для снижения токов КЗ, уменьшения потерь электроэнергии в питающих трансформаторах, упрощения РЗ, создания необходимого режима по напряжению, перетокам мощности и т.п. При развитии электрической сети одностороннее питание часто является единственно возможным решением, так как ранее установленное оборудование и РЗ не позволяют осуществить параллельную работу источников питания. Используются две основные схемы одностороннего питания потребителей при наличии двух или более источников.
В первой схеме один источник включен и питает потребителей, а второй отключен и находится в резерве. Соответственно этому первый источник называется рабочим, а второй резервным (рис. 6.1, а). Во второй схеме все источники включены, но работают раздельно на выделенных потребителей. Деление осуществляется на одном из выключателей (рис. 6.1, в).
Недостатком одностороннего питания является то, что аварийное отключение рабочего источника приводит к прекращению питания потребителей, т.е. к аварии. Этот недостаток может быть устранен быстрым автоматическим включением резервного источника или включением выключателя, на котором осуществлено деление сети. Для выполнения этой операции широко используются специальные автоматические устройства, получившие наименование автоматов включения резерва (АВР). При наличии АВР время перерыва питания потребителей в большинстве случаев определяется лишь временем включения выключателей резервного источника и составляет 0,3–0,8 с.

Рис. 6.1.
Рассмотрим принцип использования АВР на примере схем, приведенных на рис. 6.1.
а) Питание п/ст А осуществляется по рабочей линии w1 от п/ст Б. Вторая линия w2, приходящая от п/ст В, является резервной и находится под напряжением (выключатель Q3 нормально отключен). При отключении линии w1автоматически от АВР включается выключатель Q3 линии w2, чем вновь подается питание потребителем п/ст А. Схемы АВР могут иметь одностороннее или двустороннее действие. При одностороннем АВР линия w1 всегда должна быть рабочей, а линия w2 – всегда резервной. При двустороннем АВР любая из этих линий может быть рабочей и резервной.
б) Питание электродвигателей и других потребителей СН каждого агрегата э/ст осуществляется обычно от отдельных рабочих трансформаторов (Т1 и Т2). При отключении рабочего трансформатора автоматически от АВР включается выключатель Q5 и один из выключателей Q6 (при отключении Т1) или Q7 (при отключении Т2) – резервного трансформатора Т3.
в) Трансформаторы Т1 и Т2 являются рабочими, но параллельно работать не могут и поэтому со стороны низшего напряжения включены на разные системы шин. Шиносоединительный выключатель Q5 нормально отключен. При аварийном отключении любого из рабочих трансформаторов автоматически от АВР включается выключатель Q5, подключая нагрузку шин, потерявших питание, к оставшемуся в работе трансформатору. Каждый трансформатор в рассматриваемом случае должен иметь мощность, достаточную для питания всей нагрузки п/ст. В случае, если мощность одного трансформатора недостаточна для питания всей нагрузки п/ст, при действии АВР должны приниматься меры для отключения части наименее ответственной нагрузки.
г) П/ст В и Г нормально питаются радиально от п/ст А и Б соответственно. Линия w3 находится под напряжением со стороны п/ст В, а выключатель Q5 нормально отключен. При аварийном отключении линии w2 устройство АВР, установленное на п/ст Г, включает выключатель Q5, чем питание п/ст Г переводится на п/ст В по линии w3. При отключении линии w1 п/ст В и вместе с ней линия w3 остаются без напряжения. Исчезновение напряжения на трансформаторе напряжения TV также приводит в действие устройство АВР на п/ст Г, которое включением выключателя Q5 подает напряжение на п/ст В от п/ст Г.
Опыт эксплуатации показывает, что АВР является весьма эффективным средством повышения надежности электроснабжения. Успешность действия АВР составляет 90–95%. Простота схем и высокая эффективность обусловили широкое применение АВР на э/ст и в электрических сетях.
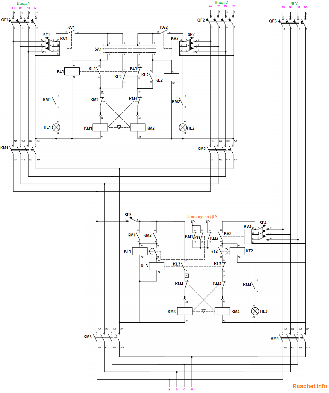
Принцип работы АВР
В нормальном режиме, питание потребителей напряжением 380В осуществляется от Ввода 1 или Ввода 2 через общий силовой контактор КМ3, который включается через определенную выдержку времени с помощью реле времени КТ1, делается это для того, чтобы питание осуществлялось при наступлении устойчивого режима работы.
Наличие напряжения на каждом из вводом контролируется реле контроля напряжения KV1 и KV2. Переключатель SA1 служит для выбора приоритетного ввода. При наличии напряжения на обоих вводах, первым подключится тот ввод у которого выбран приоритет (положение «1» – первый ввод, положение «0» – оба ввода отключены, положение «2» – второй ввод).

Рис.2 – Схема электрическая принципиальная АВР с ДГУ на контакторах
Принцип работы АВР с основными вводами (Ввод 1 и Ввод 2)
Например при исчезновении напряжения на Вводе 1, срабатывает реле контроля напряжения KV1 и размыкает своими контактами, цепь питания контактора КМ1. При наличии напряжения на Вводе 2, контакты реле KV2 замкнуты и если контактор КМ1 находится в отключенном состоянии, то сработает контактор КМ2, при этом контактор КМ3 находится во включенном состоянии и напряжение потребителям подается через замкнутые силовые контакты контакторов КМ1 и КМ3.
Аналогично выполняется АВР для Ввода 2.
Принцип работы АВР с ДГУ
При пропадании напряжения на основных вводах: Ввод 1 и Ввод 2, происходит замыкание цепи управления генератором, размыкание цепи питания силового контактора КМ3. После того, как генератор запустится и реле контроля напряжения KV3 замкнет свой выходной контакт, начинается отсчет времени с помощью реле времени с задержкой на включение KT2, необходимый для стабилизации выходных параметров генератора. По окончании отсчета, цепь питания контактора КМ4 замыкается и подключается питание генератора.
При восстановлении напряжения на каком либо из основных вводов. Например восстановилось напряжение на Вводе 1, в этом случае срабатывает реле контроля напряжения KV1 и своими контактами замыкает цепь питания контактора КМ1. При этом выходные контакты контактора КМ1 замыкаются и подается питание на реле времени с задержкой на включение KT1.
После окончания отсчета времени, реле времени КТ1 замыкает цепь питания промежуточное реле KL3, которое в свою очередь замыкает цепь питания катушки контактора КМ3 и размыкает цепь питания контактора КМ4, после того как контактор КМ4 отключится, сработает КМ3 и через замкнутые силовые контакты контакторов КМ1 и КМ3 подается напряжение потребителям от основного Ввода 1.
Схемы подключения АВР и их описание
Основная функция АВР – автоматическое переключение вводов, причём таким способом, чтобы исключить встречные токи.
Простая схема на рис. 4 объясняет принцип переключения.
![]()
Рисунок 4. Схема АВР
Контакты КМ1и КМ2 взаимосвязаны. После размыкания одного контакта, замыкается другой. Они не могут быть одновременно включены.
Существует множество различных схем подключения автоматического ввода резерва, но принцип их построения всегда такой: АВР устанавливают между вводом и потребителями. Обычно после электросчётчика. Сам щит с автоматикой может располагаться где угодно, но принцип его подключения именно такой. Этот принцип наглядно иллюстрирует схема на рис. 5.

Рис. 5. Наглядная схема подключения АВР
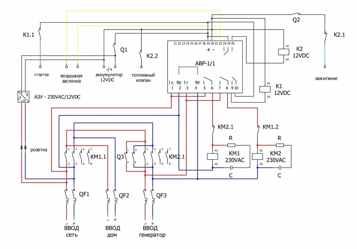
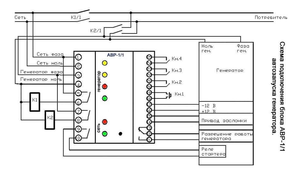
Детальная схема подключения блока автоматического запуска генератора показана на рисунке 6. На схеме К1 и К2 – это контакторы. Цифрами в кружках обозначены номера клемм. Пользуясь этой схемой не сложно подключить такой блок самостоятельно.
![]()
Рис. 6. Детальная схема подключения блока автозапуска генератора (БАГ)
Принципиальная схема подключения АВР для частного дома показана на рис. 7.
![]()
Рис. 7. Принципиальная схема
В данной схеме применено АЗУ, обеспечивающее стабильное напряжение и непрерывное питание в локальной сети.
В качестве примера приводим две схемы для трёхфазного тока (рис. 8). На изображении В показано одностороннее исполнение(дополнительное реле напряжения PH). При таком подключении генератор запускается в автоматическом режиме, после прекращения подачи электроэнергии. Другими словами, ввод от генератора является резервным.
На изображении А – исполнение двухстороннее. Обе секции имеют одинаковый приоритет. Такое подключение позволяет переключать линии, не зависимо от наличия напряжения в каждой из них.
![]()
Рис. 8. Подключение АВР для трёхфазного тока
Выбор схемы зависит от поставленной задачи, которую вы намерены решить.
Требования к оборудованию резервного питания
Необходимость перехода на резервный источник, как правило, вызвана либо аварийной, либо нештатной ситуацией. В связи с этим нередко все переключения осуществляются неквалифицированным персоналом и зачастую в сложных условиях — в темноте, тесноте, под открытым небом. Именно поэтому требования к резервирующему оборудованию достаточно жесткие:
Безопасность для оператора. Все резервное электрооборудование не должно иметь открытых токоведущих и движущихся частей (за исключением приводных ручек), а его металлические шасси и кожухи нужно заземлить. Отправляя даже неподготовленного человека на переключение, вы должны быть уверены, что он не попадет под напряжение и не повредит руки какими-нибудь фиксаторами или тягами, даже работая при плохом освещении.
Безопасность для электрооборудования. Схема коммутации должна быть такой, чтобы даже при не полностью или не в той последовательности выполненном переключении оператор не смог создать аварийной ситуации — подать встречное напряжение, переключить не все фазы, вызвать короткое замыкание и пр. Все это обеспечит сохранность основных и резервных цепей даже при неумелых или ошибочных действиях человека.
Оперативность. Переход на резервный генератор должен требовать минимум манипуляций и производиться по возможности быстро. Сами устройства коммутации должны быть максимально доступны, чтобы к ним не нужно было взбираться по стремянкам или лазить по люкам
Это особенно важно для ответственных объектов и специального электрооборудования (холодильные установки, системы микроклимата, котлы, печи и пр.).
Наглядность и простота. Конструкция переключателей и рубильников должна быть максимально простой, а схема переключения — наглядной и интуитивно понятной
Это существенно сокращает вероятность ошибки человека и выхода из строя оборудования. Такие схемы проще обслуживать, а ремонт при их поломке будет стоить дешевле.
Стоит отметить, что каким бы методом переключения на резервное питание вы ни пользовались, ручным или автоматическим, все условия должны быть по возможности максимально соблюдены. Ведь именно от этого будет зависеть не только обеспечение бесперебойного питания объекта, но и безопасность людей.
Как выбрать автоматику для генератора?
Автоматика для генератора представлена в 2 вариантах:
Ящик с контакторами. Если речь идет об электростанциях промышленного типа, оснащенных автоматической панелью, то использовать для них полноценный щит необязательно. Дело в том, что у электрогенератора уже имеется все необходимое: контролер; автоматы защиты и пр. По этой причине электростанции подобного типа обычно комплектуются ящиком с контакторами и кнопкой аварийного отключения. Подробно останавливаться на этом типе нет большой необходимости
Единственное, на что следует обратить внимание при выборе — приобретаемые контакторы не должны быть китайского производства, а сам прибор должен быть оснащен кнопкой аварийного отключения электроустановки.
Полноценный щит АВР. Им оборудуют портативную технику с ручной панелью. Именно с ним чаще всего и связывают большое количество случаев обмана потребителей
Несмотря на то что подобные изделия не удовлетворяют требованиям, которые должны быть соблюдены в отношении подобных устройств, однако за них просят очень большие деньги.
Именно с ним чаще всего и связывают большое количество случаев обмана потребителей. Несмотря на то что подобные изделия не удовлетворяют требованиям, которые должны быть соблюдены в отношении подобных устройств, однако за них просят очень большие деньги.
Схема АВР на двух магнитных пускателях

При сборке схемы автоматического ввода резерва можно выбрать три варианта. Два более простых и один посложнее. Рассмотрим каждый из вариантов схемы поподробнее.
Простейшая схема АВР для двух однофазных вводов собирается всего лишь на одном магнитном пускателе. Для этого понадобится контактор с двумя парами контактов:

- нормально разомкнутым
- нормально замкнутым
Если таковых в вашем контакторе не оказалось, можно использовать специальную приставку.
Только учтите, что контакты у большинства из них не рассчитаны на большие токи. А если вы решите подключать через АВР нагрузку всего дома, то уж точно не стоит этого делать, используя блок контакты расположенные по бокам стандартных пускателей.
Вот самая простая схема АВР:

Катушка магнитного пускателя подключается на один из вводов. В нормальном режиме напряжение поступает на катушку, она замыкает контакт КМ1-1, а контакт КМ1-2 размыкается.

SF1 и SF2 в схеме – это однополюсные автоматические выключатели.
Напряжение через контактор поступает к потребителю. Дополнительно в схеме могут быть подключены сигнальные лампы. Они визуально будут показывать какой из вводов в данный момент подключен. Немного измененная схемка с лампочками:

Если напряжение на первом вводе исчезло, контактор отпадает. Его контакты КМ1-1 размыкаются, а КМ2-1 замыкаются. Напряжение начинает поступать к потребителю с ввода №2.

Если вам в нормальном режиме просто нужно проверить работоспособность схемы, то выключите автомат SF1 и смотрите как реагирует сборка. Все ли работает исправно.
Самое главное здесь изначально проконтролировать на какой ток рассчитаны эти самые нормально замкнутые и разомкнутые контакты.

При этом обратите внимание, что эту простейшую схему можно собрать двумя способами:
- без разрыва ноля
- с разрывом нулевого провода
Без разрыва можно применять в том случае, если у вас есть две независимые линии эл.передач или кабельных ввода, от которых вы собственно и подключаете весь дом. А вот когда резервной линией является какой-то автономный источник энергии – ИБП или генератор, то здесь придется разрывать как фазу, так и ноль.

Естественно, что все контакторы подключаются после счетчика kWh. QF – это модульные автоматы в щитке дома.

Если у вас второй источник питания подает напряжение не автоматически, например бензиновый генератор без пусковой аппаратуры. Который нужно сначала вручную завести, прогреть и только потом переключиться, то схемку можно немного изменить, добавив туда одну единственную кнопку.

За счет нее не будет происходить автоматического переключения. Вы сами выберите для этого нужный момент, нажав ее когда потребуется. Монтируется эта кнопка SB1 параллельно катушке контактора.

Когда у вас напряжение на основном вводе не исчезает на долго, а периодически пропадает и появляется (причины могут быть разными), в этом случае не желательны постоянные переключения контакторов туда-обратно. Здесь целесообразно использовать специальную приставку к контактору типа ПВИ-12 с задержкой времени.

Трехфазная схема практически аналогична однофазной.

Только особо следите за правильной фазировкой АВС. Она должна совпадать на вводе-1 с вводом-2. Иначе 3-х фазные двигатели после переключения будут крутиться в обратную сторону.
Вторая схема немного посложнее. В ней используется уже два магнитных пускателя.

Допустим, у вас есть два трехфазных ввода и один потребитель. В схеме применены магнитные пускатели с 4-мя контактами:
- 3 нормально разомкнутые
- 1 нормально замкнутый КМ1

Катушка пускателя КМ1 подключается через фазу L3 от первого ввода и через нормально замкнутый контакт КМ2. Таким образом, когда вы подаете питание на ввод №1, катушка первого пускателя замыкается и вся нагрузка подключается к источнику напряжения №1.




























